Hyundai Kona CCS controller Topic is solved
- 4markowen
- Posts: 42
- Joined: Mon Apr 20, 2020 9:12 am
- Location: Nottingham, UK
- Has thanked: 21 times
- Been thanked: 1 time
Re: Hyundai Kona CCS controller
What about their Breaker4u service?
Should allow you to break the bits you want from it.
https://www.copart.co.uk/BreakerBid4U/
Should allow you to break the bits you want from it.
https://www.copart.co.uk/BreakerBid4U/
-
mikeselectricstuff
- Posts: 120
- Joined: Sun Nov 08, 2020 11:33 am
- Been thanked: 2 times
Re: Hyundai Kona CCS controller
They don't offer it for EVs.As it's a runner I'd really want to get it to my place for investigation.4markowen wrote: ↑Thu Nov 26, 2020 7:20 pm What about their Breaker4u service?
Should allow you to break the bits you want from it.
https://www.copart.co.uk/BreakerBid4U/
The BreakerBid4U service cannot be used to purchase electric vehicles, HGV’s, caravans, agricultural and plant items. This is due to breaker bay size restrictions and resources.
-
mikeselectricstuff
- Posts: 120
- Joined: Sun Nov 08, 2020 11:33 am
- Been thanked: 2 times
Re: Hyundai Kona CCS controller
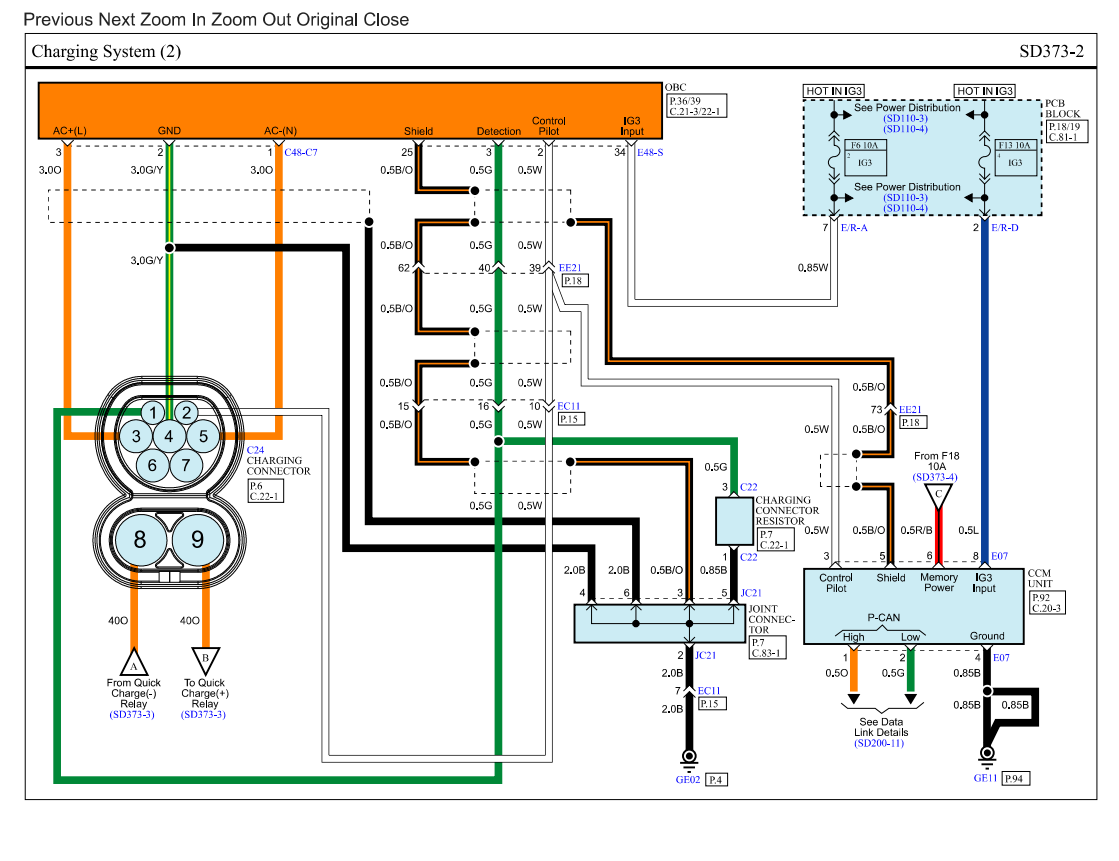
Finally found in in the very-hard-to-navigate Hyundai service site
1 CANH
2 CANL
3 CP
4 GND
5 CP Shield
6 Permanent power
7 Unused
8 Ignition
2 CANL
3 CP
4 GND
5 CP Shield
6 Permanent power
7 Unused
8 Ignition
- New Electric Ireland
- Posts: 172
- Joined: Sun May 31, 2020 12:22 pm
- Location: Ireland
- Been thanked: 2 times
- Contact:
Re: Hyundai Kona CCS controller
Great!mikeselectricstuff wrote: ↑Tue Dec 01, 2020 5:38 pm Finally found in in the very-hard-to-navigate Hyundai service site
We have access to a Ioniq and will build a T cable so we can monitor the signals without damaging the car. We hope to have some CAN logs in a couple of weeks
In Ireland we undertake training & open source RND for the New Electric group, 5 companies converting boats, buses, cars and trucks to electric drive since 2008.
-
mikeselectricstuff
- Posts: 120
- Joined: Sun Nov 08, 2020 11:33 am
- Been thanked: 2 times
Re: Hyundai Kona CCS controller
On the Ioniq, it shows basically the same diagram for Europe, and Chademo for "General"
-
mikeselectricstuff
- Posts: 120
- Joined: Sun Nov 08, 2020 11:33 am
- Been thanked: 2 times
Re: Hyundai Kona CCS controller
Can't see anything specifically US - not entirely clear exactly which region the service info is for...
-
mikeselectricstuff
- Posts: 120
- Joined: Sun Nov 08, 2020 11:33 am
- Been thanked: 2 times
Re: Hyundai Kona CCS controller
On the Ioniq, it's located under one of the front seats - shows as Driver's side on Hyundai Service site, but most pics on there are for LHD, so might be on the passenger side on RHD cars.
- EVconverter
- Posts: 17
- Joined: Tue Dec 08, 2020 12:42 pm
- Been thanked: 4 times
Re: Hyundai Kona CCS controller
Hey folks. I've been looking for a not-ridiculously-priced way to CCS fast charge my 944-E project car.
I also happen to own a Kona EV. The thought of the charge controller for a Porsche coming from a Hyundai tickles me immensely. I have to warn anyone using this part that the charging pattern Hyundai uses is almost obscenely slow, with the top charge rate being about 77kw (about 1.25C), which drops down at around 55%, 70%, 80%, etc, so that to fully charge the car from empty takes almost two hours at a CCS charging station. If that can be reprogrammed to something a bit more aggressive, that would be great. Though even a crappy charge profile is better than no profile at all.
I'm still in the process of building the *extremely* custom 85kwh battery pack, but I'm starting to sketch out how the rest of the electronics are going to fit together.
I sincerely hope that this part becomes a usable option in the near future. CCS charging is the one piece of the project that I haven't been able to nail down.
I also happen to own a Kona EV. The thought of the charge controller for a Porsche coming from a Hyundai tickles me immensely. I have to warn anyone using this part that the charging pattern Hyundai uses is almost obscenely slow, with the top charge rate being about 77kw (about 1.25C), which drops down at around 55%, 70%, 80%, etc, so that to fully charge the car from empty takes almost two hours at a CCS charging station. If that can be reprogrammed to something a bit more aggressive, that would be great. Though even a crappy charge profile is better than no profile at all.
I'm still in the process of building the *extremely* custom 85kwh battery pack, but I'm starting to sketch out how the rest of the electronics are going to fit together.
I sincerely hope that this part becomes a usable option in the near future. CCS charging is the one piece of the project that I haven't been able to nail down.
-
mikeselectricstuff
- Posts: 120
- Joined: Sun Nov 08, 2020 11:33 am
- Been thanked: 2 times
Re: Hyundai Kona CCS controller
Bear in mind that the 77kW limit may well be coming from the BMS, not this CCS box, which could be a fairly simple protocol converter that the BMS talks to.
- Jack Bauer
- Posts: 3831
- Joined: Wed Dec 12, 2018 5:24 pm
- Location: Ireland
- Has thanked: 75 times
- Been thanked: 696 times
- Contact:
Re: Hyundai Kona CCS controller
Hope to get my hands on one of these soon. Mike would you be willing to help with can logs if I do indeed get one?
I'm going to need a hacksaw
-
mikeselectricstuff
- Posts: 120
- Joined: Sun Nov 08, 2020 11:33 am
- Been thanked: 2 times
Re: Hyundai Kona CCS controller
Yes sure. I've made up a cable assembly & been meaning to have a general play with the CAN sniffer but not quite got round to it - I've been on the lookout for a spare unit - there was a Kona being broken on ebay recently but the seller is asking stupid money for parts : https://www.ebay.co.uk/itm/HYUNDAI-KONA ... SwH1JgKpzO
- Hans Gustafsson
- Posts: 20
- Joined: Tue Feb 09, 2021 9:13 am
- Location: Sweden
- Been thanked: 1 time
Re: Hyundai Kona CCS controller
https://gbd.no/bildeler.aspx?qry=91950-K4500mikeselectricstuff wrote: ↑Mon Mar 22, 2021 3:51 pm Yes sure. I've made up a cable assembly & been meaning to have a general play with the CAN sniffer but not quite got round to it - I've been on the lookout for a spare unit - there was a Kona being broken on ebay recently but the seller is asking stupid money for parts : https://www.ebay.co.uk/itm/HYUNDAI-KONA ... SwH1JgKpzO
About 95 EUR
- EV_Builder
- Posts: 1205
- Joined: Tue Apr 28, 2020 3:50 pm
- Location: The Netherlands
- Has thanked: 18 times
- Been thanked: 37 times
- Contact:
Re: Hyundai Kona CCS controller
Jack; Design wise what are we thinking? Harvesting the PCB / reusing it for the interfaces or do we walk the emulation interface route?Jack Bauer wrote: ↑Sat Mar 20, 2021 6:32 pm Hope to get my hands on one of these soon. Mike would you be willing to help with can logs if I do indeed get one?
Converting an Porsche Panamera
see http://www.wdrautomatisering.nl for bespoke BMS modules.
see http://www.wdrautomatisering.nl for bespoke BMS modules.
- Jack Bauer
- Posts: 3831
- Joined: Wed Dec 12, 2018 5:24 pm
- Location: Ireland
- Has thanked: 75 times
- Been thanked: 696 times
- Contact:
Re: Hyundai Kona CCS controller
Initially I'd like to just emulate the can it expects. Likewise the i3 controller.
I'm going to need a hacksaw
- EV_Builder
- Posts: 1205
- Joined: Tue Apr 28, 2020 3:50 pm
- Location: The Netherlands
- Has thanked: 18 times
- Been thanked: 37 times
- Contact:
Re: Hyundai Kona CCS controller
How did this end?New Electric Ireland wrote: ↑Tue Dec 01, 2020 6:52 pmGreat!mikeselectricstuff wrote: ↑Tue Dec 01, 2020 5:38 pm Finally found in in the very-hard-to-navigate Hyundai service site
We have access to a Ioniq and will build a T cable so we can monitor the signals without damaging the car. We hope to have some CAN logs in a couple of weeks![]()
Converting an Porsche Panamera
see http://www.wdrautomatisering.nl for bespoke BMS modules.
see http://www.wdrautomatisering.nl for bespoke BMS modules.
- Jack Bauer
- Posts: 3831
- Joined: Wed Dec 12, 2018 5:24 pm
- Location: Ireland
- Has thanked: 75 times
- Been thanked: 696 times
- Contact:
Re: Hyundai Kona CCS controller
I have the ioniq offered. Due to lockdowns etc it has not happened yet, but I am ready to offer my car again any time needed. I sent a pm via the message system again.EV_Builder wrote: ↑Tue Apr 20, 2021 9:26 pmHow did this end?New Electric Ireland wrote: ↑Tue Dec 01, 2020 6:52 pmGreat!mikeselectricstuff wrote: ↑Tue Dec 01, 2020 5:38 pm Finally found in in the very-hard-to-navigate Hyundai service site
We have access to a Ioniq and will build a T cable so we can monitor the signals without damaging the car. We hope to have some CAN logs in a couple of weeks![]()
- Jack Bauer
- Posts: 3831
- Joined: Wed Dec 12, 2018 5:24 pm
- Location: Ireland
- Has thanked: 75 times
- Been thanked: 696 times
- Contact:
Re: Hyundai Kona CCS controller
Kevin/New electric Ireland has left the forum. If this offer still stands please contact me. Thanks.
I'm going to need a hacksaw
Re: Hyundai Kona CCS controller
PM sentJack Bauer wrote: ↑Fri Apr 30, 2021 10:41 am Kevin/New electric Ireland has left the forum. If this offer still stands please contact me. Thanks.
Re: Hyundai Kona CCS controller
Hi. I have Kia Soul EV first edition with Chademo port - OBC is the same as in Ioniq and probably in Kona. KIA is a kind of Hyundai cheaper brandmikeselectricstuff wrote: ↑Tue Dec 01, 2020 8:40 pm On the Ioniq, it shows basically the same diagram for Europe, and Chademo for "General"
ioccs.png
iochad.png
It would be great if I can add CCS. Do you know if it's possible by adding Ioniq's CCS controller?
-
mikeselectricstuff
- Posts: 120
- Joined: Sun Nov 08, 2020 11:33 am
- Been thanked: 2 times
Re: Hyundai Kona CCS controller
Seems unlikely as it would need specific support in the car's BMS software, though not impossible that it's there, even it it was you'd need to figure out how to configure it correctly.mRadek wrote: ↑Wed May 12, 2021 6:36 amHi. I have Kia Soul EV first edition with Chademo port - OBC is the same as in Ioniq and probably in Kona. KIA is a kind of Hyundai cheaper brandmikeselectricstuff wrote: ↑Tue Dec 01, 2020 8:40 pm On the Ioniq, it shows basically the same diagram for Europe, and Chademo for "General"
ioccs.png
iochad.png
It would be great if I can add CCS. Do you know if it's possible by adding Ioniq's CCS controller?
The OBC plays no role in fast charging.
- Jack Bauer
- Posts: 3831
- Joined: Wed Dec 12, 2018 5:24 pm
- Location: Ireland
- Has thanked: 75 times
- Been thanked: 696 times
- Contact:
Re: Hyundai Kona CCS controller
So, Hyundai really do have the crappiest service info website. Anyway, I have been trying to get my breaker to find the ccm unit in a 2020 Ioniq. Not under the seats... So I got the vin and did the dance with the service info page and got this super helpful info
Seems its under the dash somewhere...
Seems its under the dash somewhere...
I'm going to need a hacksaw
-
mikeselectricstuff
- Posts: 120
- Joined: Sun Nov 08, 2020 11:33 am
- Been thanked: 2 times
Re: Hyundai Kona CCS controller
I've taken some logs - attached - not actually CCS charging yet, but I did give it a 5% PWM on CP, which is the indicator for DCFC.
This thinks about it for about 10 secs then gives a red chargeport light, and a "Check DC charger" error next time you start, so it probably involves the CCS module telling the car it can't establish a data link. I don't see any high frequency GreenPhy gunk on CP, so assume the charger sends first to establish a link.
I did a comparison between logs for AC and (failed) DC charging, and found no IDs specific to DC, but a few specific to AC (7B3,7BB,7E2,7E4,7EA,7EC). I couldn't immediately see any obvious patterns in these.
The CCM sits on the D-CAN bus: Will get some logs during CCS charging when I get a chance - not many rapids near me.
This thinks about it for about 10 secs then gives a red chargeport light, and a "Check DC charger" error next time you start, so it probably involves the CCS module telling the car it can't establish a data link. I don't see any high frequency GreenPhy gunk on CP, so assume the charger sends first to establish a link.
I did a comparison between logs for AC and (failed) DC charging, and found no IDs specific to DC, but a few specific to AC (7B3,7BB,7E2,7E4,7EA,7EC). I couldn't immediately see any obvious patterns in these.
The CCM sits on the D-CAN bus: Will get some logs during CCS charging when I get a chance - not many rapids near me.
- Attachments
-
- konalogs1.zip
- (1.11 MiB) Downloaded 798 times