I bought a Chevy Volt Gen1 DC-DC Converter - Now What? Topic is solved

Discussion about components from Ampera/Bolt and the PSA group which owns Opel these days
User avatar
Gregski
Posts: 3160
Joined: Tue Sep 14, 2021 10:28 am
Location: Sacramento, California
Has thanked: 631 times
Been thanked: 1607 times
Contact:

I bought a Chevy Volt Gen1 DC-DC Converter - Now What?

Post by Gregski »

I recently picked up a DC to DC converter from a Chevrolet Volt first gen (2011-2015) or as General Motors likes to call it the Accessory Power Control Module aka PCM, for a $100 bucks, and other than my friend Artur Kustusch Jaguar XJR EV Conversion has one, I know nothing about it, but that's ok I'm here to learn and share what I discover. This is not my thread, please feel free to contribute, correct, critique.

I have posted a series of very detailed "... - Now What?" threads on DIYElectricCar.com forum and think it's time I relocate here

I bought a BMW 530e hybrid battery pack - Now What?

I bought a Tesla Model S Gen 2 Charger - Now What?

IMG_8463.JPG
IMG_8469.JPG
IMG_8467.JPG
IMG_8466.JPG
IMG_8471.JPG
IMG_8473.JPG
IMG_8483.JPG
IMG_8485.JPG
IMG_8477.JPG
"I don't need to understand how it works, I just need to understand how to make it work!" ~ EV Greg
User avatar
Gregski
Posts: 3160
Joined: Tue Sep 14, 2021 10:28 am
Location: Sacramento, California
Has thanked: 631 times
Been thanked: 1607 times
Contact:

Re: I bought a Chevy Volt Gen1 DC-DC Converter - Now What?

Post by Gregski »

SPECIFICATIONS
  • Part #: 24262765 or 24261518
  • Operating Voltage: 260-460v
  • Cooling: Air Cooled
  • Output: 2,000 watts
  • Control: CAN
  • HV Connection: the orange High Voltage plug (right side of the pic below) connects directly to the high voltage aka "traction" battery pack
  • Stud Connectors: the two bolt studs (left side of the pic below) is where the regular 12 volt car battery connects
  • HV Cable Part #: 23432013
this is what one style of Gen 1 (2011-2015) looks like part # 24262765, it is my understanding there were two designs, one had an orange HV plug on it the other did not, it is controlled via something called CAN this is what the alternate design of the gen 1 converter part # 24261518 looks like, it has a hard wired orange cable
IMG_8316.JPG
s-l1600.jpg
top view MSE716.jpg
top view MSE465D.jpg
newer.jpg
older.jpg




==========================================================================================================================

this is what Gen 2 looks like (2016-2019) (it's not as long) it is controlled by three completely different letters, PWM ha ha, proper write up here: GM / Chevrolet Volt Gen2 DC-DC converter
  • Cooling: liquid
  • Control: PWM
  • HV Connection: the orange High Voltage plug connects directly to the high voltage aka "traction" battery pack
  • Stud Connectors: the two bolt studs is where the regular 12 volt car battery connects
  • Part #: 24284603, 24274770, 24280796, 24290992
s-l400.jpg
s-l400.jpg (27.18 KiB) Viewed 85247 times
s-l1600 (0).jpg
s-l1600 labeled.jpg
"I don't need to understand how it works, I just need to understand how to make it work!" ~ EV Greg
User avatar
Gregski
Posts: 3160
Joined: Tue Sep 14, 2021 10:28 am
Location: Sacramento, California
Has thanked: 631 times
Been thanked: 1607 times
Contact:

Re: I bought a Chevy Volt Gen1 DC-DC Converter - Now What?

Post by Gregski »

RESOURCES

in this section I will attempt to identify some of the components related to the Volt DC-DC converter and help clear up any confusion (caused by erroneous eBay listings)

there were two Generations of the Volt (First Gen: 2011-2015 and Second Gen:2016-2019)


This is where the Second Gen 2016-2019 onboard battery charger plugs in to the high voltage battery pack underneath the vehicle. It is one of the three smaller 2 wire connectors pictured below, the other ones being for the cabin heater and the AC.

2016-19 battery connector.jpg
  • l.a.teslausedautoparts they sell all EV used parts not just Tesla, brick and mortar name Basic Auto Parts in Los Angeles, California
VoltDCDC-Quickstart.pdf
(114.72 KiB) Downloaded 1374 times




GLOSSARY OF TERMS
  • APM - Auxiliary Power Module (pronounced: DC-DC Converter)
  • PCM - accessory Power Control Module (aka also DC-DC Converter)
  • MSD - Manual Service Disconnect
  • OEM - Original Equipment Manufacturer
2016-19 battery connector.jpg
"I don't need to understand how it works, I just need to understand how to make it work!" ~ EV Greg
User avatar
Gregski
Posts: 3160
Joined: Tue Sep 14, 2021 10:28 am
Location: Sacramento, California
Has thanked: 631 times
Been thanked: 1607 times
Contact:

Re: I bought a Chevy Volt Gen1 DC-DC Converter - Now What?

Post by Gregski »

RETAIL TROUBLESHOOTING TOOLS

listed in order of price-a-tology, you do not need all of them, we will try to compare them and see which ones we like to use

I do not endorse nor profit from any sales of these tools, I am just sharing the tools I plan to try/evaluate and what I've seen the "Big Boys n Girls" use to reverse engineer, operate, or control these gizmos.



CANable: USB to CAN Adapter

$29 SOLD OUT

CANable.jpg




USB to CAN Analyzer CAN-BUS Intelligent Converter Adapter With USB Cable Support XP/WIN7/WIN8


AMAZON - $37

I hope to see if this can work as a bare minimum entry level solution,
I have not seen nor know of any of our Open Inverter Reverse Engineers (OIREs) use this particular tool,
if you have experience with it, please do share, feel free to update this thread as you wish

Manual: NA
Tech Support: NA

Pros Cons
cheap you must download and install drivers in addition to the software
only one CAN channel


61iCyGFES6L._AC_SL1001_.jpg







CANalyst-II USB to CAN Analyzer CAN-Bus Converter Adapter Support ZLGCANpro

AMAZON - $84

as seen in action by Mr. Arber Kramar a mechanical engineer Ampera/Volt DCDC or APU

Manual: In Chinese
Tech Support: actually pretty responsive via email

Pros Cons
has two CAN Bus Channels
Software comes with driver
(only one thing to install)
Download site is in Chinese
Manual is in Chinese
61SOoQenK0L._AC_SL1200_.jpg



MICROCHIP APGDT002 CAN BUS ANALYZER TOOL, CAN 2.0B, ISO11898-2

AMAZON - $170

Manual:
CAN-Bus-Analyzer-Users-Guide-DS50001848C.pdf
(907.26 KiB) Downloaded 1252 times

Tech Support: ?

31UQfBoQzNL._AC_.jpg
31UQfBoQzNL._AC_.jpg (9.16 KiB) Viewed 84725 times



we will rely on this Price to Ease of Use chart to rate our reverse troubleshooting (ha ha) tools


Price To Use Chart.jpg
"I don't need to understand how it works, I just need to understand how to make it work!" ~ EV Greg
arber333
Posts: 3795
Joined: Mon Dec 24, 2018 1:37 pm
Location: Slovenia
Has thanked: 166 times
Been thanked: 411 times
Contact:

Re: I bought a Chevy Volt Gen1 DC-DC Converter - Now What?

Post by arber333 »

Gregski wrote: Sun Jan 30, 2022 3:39 pm SPECS (reserved for Specifications section)
  • Operating Voltage: 260-460v
  • Cooling: Air Cooled
  • Output: 2,000 watts
this is what Gen 2 looks like (it's not as long and has two orange plugs instead of just one)

IMG_8314.JPG
That one is gen 2 charger and it is PWM controled.
User avatar
Gregski
Posts: 3160
Joined: Tue Sep 14, 2021 10:28 am
Location: Sacramento, California
Has thanked: 631 times
Been thanked: 1607 times
Contact:

Re: I bought a Chevy Volt Gen1 DC-DC Converter - Now What?

Post by Gregski »

OPEN SOURCE TROUBLESHOOTING TOOLS
These are more difficult/complex to setup initially, but once configured they are great tools!

in addition to the "retail or commercial" tools listed above, I would like to review some free, roll your own, and or open source solutions as well, keep in mind that all things cost, and just because something is "free" as in money, that does not mean you don't get to pay for it in some other way, my personal experience has taught me that usually if it is money free it will cost you in terms of time and energy, not saying that is bad, just sayin'

I do not endorse nor profit from any sales of these tools, I am just sharing the tools I plan to try/evaluate and what I've seen the "Big Boys n Girls" use to reverse engineer, operate, or control these gizmos.



SaavyCAN on the Teensy hardware platform

Collin small.jpg
Collin small.jpg (4.72 KiB) Viewed 84736 times

SaavyCAN Bus Analyzer Software: FREE
available on the author's Collin Kidder's GitHub


Hardware: $25 for the Teensy controller board plus an additional $10 for the CAN transceiver board
available on AMAZON

additional Software required for the hardware: FREE
  • Arduino IDE
  • Teensy-RET (Reverse Engineering Tool)
IMG_7600.JPG

yes these are that tiny!
IMG_7485.JPG
IMG_7413.JPG



SaavyCAN on the Arduino DUE hardware platform

Software: FREE
Collin small.jpg
Collin small.jpg (4.72 KiB) Viewed 84736 times
IMG_9450.JPG
IMG_7190.JPG
41Z25TvqDpL._AC_.jpg
41Z25TvqDpL._AC_.jpg (10.67 KiB) Viewed 84710 times


we will also rely on this Price to Ease of Use chart to rate the open source / roll your own troubleshooting tools
"I don't need to understand how it works, I just need to understand how to make it work!" ~ EV Greg
User avatar
johu
Site Admin
Posts: 7182
Joined: Thu Nov 08, 2018 10:52 pm
Location: Kassel/Germany
Has thanked: 552 times
Been thanked: 1914 times
Contact:

Re: I bought a Chevy Volt Gen1 DC-DC Converter - Now What?

Post by johu »

Support R/D and forum on Patreon: https://patreon.com/openinverter - Subscribe on odysee: https://odysee.com/@openinverter:9
arber333
Posts: 3795
Joined: Mon Dec 24, 2018 1:37 pm
Location: Slovenia
Has thanked: 166 times
Been thanked: 411 times
Contact:

Re: I bought a Chevy Volt Gen1 DC-DC Converter - Now What?

Post by arber333 »

johu wrote: Mon Jan 31, 2022 6:47 pm Arber, is it this one? https://openinverter.org/wiki/Chevy_volt
Yes that one is the Ampera dcdc APM MSE465D. Besides that the one on the first photo is found in Chevy Volts gen1 MSE716 which is a bit different. They are really the same, just the casing is different. Also notice that Ampera model has a HV cable and Volt model only has connector.
User avatar
johu
Site Admin
Posts: 7182
Joined: Thu Nov 08, 2018 10:52 pm
Location: Kassel/Germany
Has thanked: 552 times
Been thanked: 1914 times
Contact:

Re: I bought a Chevy Volt Gen1 DC-DC Converter - Now What?

Post by johu »

ok, but control connector and CAN protocol is the same?
Support R/D and forum on Patreon: https://patreon.com/openinverter - Subscribe on odysee: https://odysee.com/@openinverter:9
User avatar
EV_Builder
Posts: 1205
Joined: Tue Apr 28, 2020 3:50 pm
Location: The Netherlands
Has thanked: 18 times
Been thanked: 37 times
Contact:

Re: I bought a Chevy Volt Gen1 DC-DC Converter - Now What?

Post by EV_Builder »

For the DC / DC converter you need a connector and cable.
This cable (part nr) is the one.
IMG20211030221120.jpg
Converting an Porsche Panamera
see http://www.wdrautomatisering.nl for bespoke BMS modules.
User avatar
Gregski
Posts: 3160
Joined: Tue Sep 14, 2021 10:28 am
Location: Sacramento, California
Has thanked: 631 times
Been thanked: 1607 times
Contact:

Re: I bought a Chevy Volt Gen1 DC-DC Converter - Now What?

Post by Gregski »

EV_Builder wrote: Wed Feb 02, 2022 7:55 pm For the DC / DC converter you need a connector and cable.
This cable (part nr) is the one.

IMG20211030221120.jpg
Thanks mate, if I could make one suggestion/request, please type out the part number in the text of the thread next time as pics are not searchable, and we want to help others find it or info about it

Part # 22827025

so I see some listed on eBay for $130 and up, that's more than what I paid for the converter itself, and I did have the seller frantically search for the cable but he came up short
s-l1600.jpg
s-l1600 (1).jpg
s-l1600 (2).jpg
s-l1600 (5).jpg
s-l1600 (3).jpg
s-l1600 (4).jpg
"I don't need to understand how it works, I just need to understand how to make it work!" ~ EV Greg
User avatar
Gregski
Posts: 3160
Joined: Tue Sep 14, 2021 10:28 am
Location: Sacramento, California
Has thanked: 631 times
Been thanked: 1607 times
Contact:

Re: I bought a Chevy Volt Gen1 DC-DC Converter - Now What?

Post by Gregski »

CONTROLLERS

Time to get your Control Freak on!

as we embark on the EV Conversion path we will quickly learn that getting the electric hardware and installing it in our old cars is the easy part, controlling/operating it is much more difficult, say what?

when we take a battery charger from a Chevy Volt we are essentially severing it's head off, it looses it's brain, becoming nothing more than a brick outside of the OEM (Original Equipment Manufacturer) car, in other words it won't work any longer, it's not broken by any means, it just doesn't have any sort of intelligence, any sort of brain telling it what to do, when to turn on, when to charge, when to stop charging, when to turn off, type of thing

in this section I would like to list (from the cheaperest to the most dollarest) ideas / means of controlling our first gen Chevy Volt DC-DC Converter
  • $200 - EVTV CAN Control Module
  • $650 - Tom de Bree's SimpBMS
I will expand on all of these further down in the thread, and I hope to take one for the team and try them all, yes I don't like money! Yes correct me on the pricing, yes challenge me on these assumptions, call my B.S.
"I don't need to understand how it works, I just need to understand how to make it work!" ~ EV Greg
arber333
Posts: 3795
Joined: Mon Dec 24, 2018 1:37 pm
Location: Slovenia
Has thanked: 166 times
Been thanked: 411 times
Contact:

Re: I bought a Chevy Volt Gen1 DC-DC Converter - Now What?

Post by arber333 »

Gregski wrote: Thu Feb 03, 2022 5:05 pm Thanks mate, if I could make one suggestion/request, please type out the part number in the text of the thread next time as pics are not searchable, and we want to help others find it or info about it

Part # 22827025

so I see some listed on eBay for $130 and up, that's more than what I paid for the converter itself, and I did have the seller frantically search for the cable but he came up short
Nope that is a cable from inverter to the cabin heater/AC compressor.

There is another one like this on the inverter that connects directly to the battery.
arber333
Posts: 3795
Joined: Mon Dec 24, 2018 1:37 pm
Location: Slovenia
Has thanked: 166 times
Been thanked: 411 times
Contact:

Re: I bought a Chevy Volt Gen1 DC-DC Converter - Now What?

Post by arber333 »

johu wrote: Mon Jan 31, 2022 8:51 pm ok, but control connector and CAN protocol is the same?
I am not sure... in any case it is not IP67 rated. you can open the case and put whatever signal cable through.
If you want to keep to original connectors make sure you get original connector with DCDC!
User avatar
Gregski
Posts: 3160
Joined: Tue Sep 14, 2021 10:28 am
Location: Sacramento, California
Has thanked: 631 times
Been thanked: 1607 times
Contact:

Re: I bought a Chevy Volt Gen1 DC-DC Converter - Now What?

Post by Gregski »

arber333 wrote: Thu Feb 03, 2022 6:02 pm
Gregski wrote: Thu Feb 03, 2022 5:05 pm Thanks mate, if I could make one suggestion/request, please type out the part number in the text of the thread next time as pics are not searchable, and we want to help others find it or info about it

Part # 22827025

so I see some listed on eBay for $130 and up, that's more than what I paid for the converter itself, and I did have the seller frantically search for the cable but he came up short
Nope that is a cable from inverter to the cabin heater/AC compressor.

There is another one like this on the inverter that connects directly to the battery.
I'm confused it has the part number you shared, do you have a pic of yours or the one you are thinking of?
s-l1600 (6).jpg
"I don't need to understand how it works, I just need to understand how to make it work!" ~ EV Greg
arber333
Posts: 3795
Joined: Mon Dec 24, 2018 1:37 pm
Location: Slovenia
Has thanked: 166 times
Been thanked: 411 times
Contact:

Re: I bought a Chevy Volt Gen1 DC-DC Converter - Now What?

Post by arber333 »

Gregski wrote: Thu Feb 03, 2022 6:51 pm I'm confused it has the part number you shared, do you have a pic of yours or the one you are thinking of?

s-l1600 (6).jpg
Well what can i say... Maybe AC compressor cable is compatible with DCDC?
But that cable is on the inverter, i know because i have got one just like it here.

I dont know about GM part numbers. See here for more OEM data...
There is a word file with more P/Ns.
https://leafdriveblog.wordpress.com/201 ... dc-or-apu/
User avatar
Gregski
Posts: 3160
Joined: Tue Sep 14, 2021 10:28 am
Location: Sacramento, California
Has thanked: 631 times
Been thanked: 1607 times
Contact:

Re: I bought a Chevy Volt Gen1 DC-DC Converter - Now What?

Post by Gregski »

arber333 wrote: Thu Feb 03, 2022 7:00 pm
Gregski wrote: Thu Feb 03, 2022 6:51 pm I'm confused it has the part number you shared, do you have a pic of yours or the one you are thinking of?

s-l1600 (6).jpg
Well what can i say... Maybe AC compressor cable is compatible with DCDC?
But that cable is on the inverter, i know because i have got one just like it here.

I dont know about GM part numbers. See here for more OEM data...
There is a word file with more P/Ns.
https://leafdriveblog.wordpress.com/201 ... dc-or-apu/
I think we are talking apples and oranges here. I have the earlier/older MSE716 and the link you shared is for the later/newer MSE465D
s-l1600.jpg
s-l1600 (1).jpg
"I don't need to understand how it works, I just need to understand how to make it work!" ~ EV Greg
arber333
Posts: 3795
Joined: Mon Dec 24, 2018 1:37 pm
Location: Slovenia
Has thanked: 166 times
Been thanked: 411 times
Contact:

Re: I bought a Chevy Volt Gen1 DC-DC Converter - Now What?

Post by arber333 »

Gregski wrote: Thu Feb 03, 2022 7:06 pm I think we are talking apples and oranges here. I have the earlier/older MSE716 and the link you shared is for the later/newer MSE465D
No more like difference between apples :).
Seriously i had MSE465D here and it had its own cable with connector on it that looked a lot like AC compressor connector. However it connected to its oposite gender counterpart under the car. And i dont have that cable anymore o compare sorry.

For MSE716 integral connector is the opposite as on MSE465 cable. It should be Delphi 13861584. You need to get at least 2.5mm2 connector crimps.
Its all in the file on my blog...

If you dont use it under the hood (you shouldnt as it is not sealed) you can open it and fit your own cables. If they are unobtanium you can make a 3D print to fit a grommet for cables and use 6mm2 solar connectors... I really like them. Those are just 4mm2 cables with an eye fitting hat you screw onto HV contacts inside.
User avatar
EV_Builder
Posts: 1205
Joined: Tue Apr 28, 2020 3:50 pm
Location: The Netherlands
Has thanked: 18 times
Been thanked: 37 times
Contact:

Re: I bought a Chevy Volt Gen1 DC-DC Converter - Now What?

Post by EV_Builder »

Couldn't find if that cable has the same function in the car, but who cares, i confirmed my self before buying that it fits and clicks and locks on the inverter.

400volts 2kw = 5amps not much wire needed anyway.

Ohh and the price I see that vary between 30 and 90euros.
I paid 50. Over here it's a freaking lottery what you pay.
Converting an Porsche Panamera
see http://www.wdrautomatisering.nl for bespoke BMS modules.
User avatar
Gregski
Posts: 3160
Joined: Tue Sep 14, 2021 10:28 am
Location: Sacramento, California
Has thanked: 631 times
Been thanked: 1607 times
Contact:

Re: I bought a Chevy Volt Gen1 DC-DC Converter - Now What?

Post by Gregski »

arber333 wrote: Thu Feb 03, 2022 6:02 pm
Gregski wrote: Thu Feb 03, 2022 5:05 pm Thanks mate, if I could make one suggestion/request, please type out the part number in the text of the thread next time as pics are not searchable, and we want to help others find it or info about it

Part # 22827025

so I see some listed on eBay for $130 and up, that's more than what I paid for the converter itself, and I did have the seller frantically search for the cable but he came up short
Nope that is a cable from inverter to the cabin heater/AC compressor.

There is another one like this on the inverter that connects directly to the battery.
did it look like this one, part # 84075358
s-l1600 (0).jpg
s-l1600 (1).jpg
s-l1600 (2).jpg
s-l1600 (3).jpg
"I don't need to understand how it works, I just need to understand how to make it work!" ~ EV Greg
arber333
Posts: 3795
Joined: Mon Dec 24, 2018 1:37 pm
Location: Slovenia
Has thanked: 166 times
Been thanked: 411 times
Contact:

Re: I bought a Chevy Volt Gen1 DC-DC Converter - Now What?

Post by arber333 »

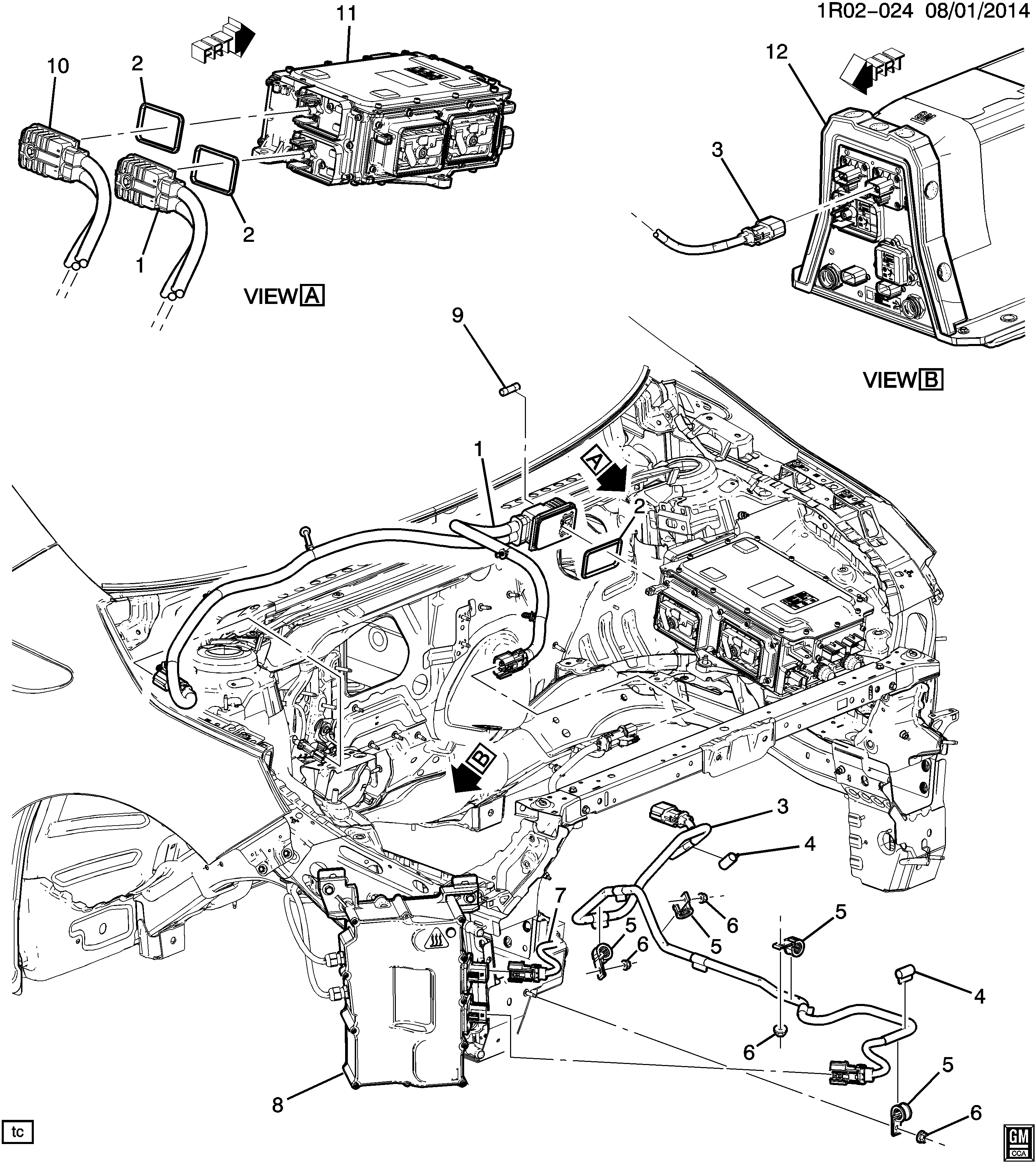
Gregski wrote: Sun Feb 06, 2022 10:12 pm did it look like this one, part # 84075358
The one on your photo is the battery power cable for Volt gen2.
Check this site for P/Ns
https://chevrolet.7zap.com/en/volt/4862 ... 807202596/

P/N 20998777 is battery to charger DC cable no 3 on the sketch.
1408011R02-024.png
I think it could be this one. Number 1 on the sketch. It looks to be male female 2pin, similar to DCDC side and with a flange across the sheet metal frame...
P/N 22853773
Attachments
131112MR02-014.png
User avatar
Gregski
Posts: 3160
Joined: Tue Sep 14, 2021 10:28 am
Location: Sacramento, California
Has thanked: 631 times
Been thanked: 1607 times
Contact:

Re: I bought a Chevy Volt Gen1 DC-DC Converter - Now What?

Post by Gregski »

so I pulled the trigger on the orange garden hose part # 22827025 and found it hugging my front door today, and I was able to plug both ends into the DC-DC Convertible so looks like we get two cables for the price of one harness with this part number as both plogulators are the same

Fun Fact: I had to use a large flat screw driver to persuade the cable safety clip aft in order to free the harness from the converter (yes I am a wimp)

Update From Me In The Future: This is the wrong cable, this is the Inverter to Cooling Compressor and Coolant Heater what I call the "Y cable"

ebay listing.jpg
IMG_8769.JPG
IMG_8771.JPG
IMG_8774.JPG
IMG_8776.JPG
IMG_8786.JPG
IMG_8788.JPG
IMG_8791.JPG
stole this pic from Experimental Vehicle Engineering to show where this cable goes to, it appears to connect to the back of a 2013 Chevy Volt Inverter
P1230893 labeled.jpg
inverter location.jpg
"I don't need to understand how it works, I just need to understand how to make it work!" ~ EV Greg
User avatar
EV_Builder
Posts: 1205
Joined: Tue Apr 28, 2020 3:50 pm
Location: The Netherlands
Has thanked: 18 times
Been thanked: 37 times
Contact:

Re: I bought a Chevy Volt Gen1 DC-DC Converter - Now What?

Post by EV_Builder »

:D just as i promised you.

Now you are further ahead then me. Do you know polarity / does it match the polarity of the cable markings/colour?

Would be nice if we could find a "in cable fuse holder" for the same fuse (in the connector) and in that way work our selves up to an connector for the high voltage junction box.

P.S. The "original" cable has a grommet and is a female/male setup and is quite short.
Converting an Porsche Panamera
see http://www.wdrautomatisering.nl for bespoke BMS modules.
User avatar
Gregski
Posts: 3160
Joined: Tue Sep 14, 2021 10:28 am
Location: Sacramento, California
Has thanked: 631 times
Been thanked: 1607 times
Contact:

Re: I bought a Chevy Volt Gen1 DC-DC Converter - Now What?

Post by Gregski »

EV_Builder wrote: Thu Feb 17, 2022 8:28 amDo you know polarity / does it match the polarity of the cable markings/colour?
actual footage of me getting motivated to go check that for you/us
polar-bear-lazy.gif
"I don't need to understand how it works, I just need to understand how to make it work!" ~ EV Greg
User avatar
EV_Builder
Posts: 1205
Joined: Tue Apr 28, 2020 3:50 pm
Location: The Netherlands
Has thanked: 18 times
Been thanked: 37 times
Contact:

Re: I bought a Chevy Volt Gen1 DC-DC Converter - Now What?

Post by EV_Builder »

:D :D :D
Converting an Porsche Panamera
see http://www.wdrautomatisering.nl for bespoke BMS modules.
Post Reply