Prius Gen 3 Inverter Logic Board Support Thread

Topics concerning the Toyota and Lexus inverter drop in boards
Locked
User avatar
bobby_come_lately
Posts: 486
Joined: Sun May 03, 2020 5:39 am
Location: Manchester, UK
Has thanked: 56 times
Been thanked: 63 times
Contact:

Re: Prius Gen 3 Inverter Logic Board Support Thread

Post by bobby_come_lately »

Bigpie wrote: Thu Jun 25, 2020 7:28 pm I'll get a measurement for you tomorrow.
Edit, attached. This is a board but not connected to an inverter.
Screenshot 2020-06-25 at 8.33.07 pm.png
Thank you - given mine's not much out from that, I'm thinking I definitely have a busted inverter. Will find out next week when the new one arrives...
User avatar
Jack Bauer
Posts: 4005
Joined: Wed Dec 12, 2018 5:24 pm
Location: Ireland
Has thanked: 153 times
Been thanked: 1132 times
Contact:

Re: Prius Gen 3 Inverter Logic Board Support Thread

Post by Jack Bauer »

-5v should be around -4.8 to -4.9 range both on and off load.
I'm going to need a hacksaw
User avatar
bobby_come_lately
Posts: 486
Joined: Sun May 03, 2020 5:39 am
Location: Manchester, UK
Has thanked: 56 times
Been thanked: 63 times
Contact:

Re: Prius Gen 3 Inverter Logic Board Support Thread

Post by bobby_come_lately »

Dylan Witt wrote: Fri Jun 26, 2020 6:47 am another question. i want to use the pot-meter for my regen braking, is there a bettery diagram on connecting the wires? like sensor 5 volt referance, signal, ground pins. cruse control, accelerator pedal signal. im confused on the wiring, are the connections marked for the signal from the sensors and all i need to do is connect power and ground to each? im sorry for this question.. ive second guessed my self on this and ive confused my self
So some are 12V (direction, brake, cruise control) and some are 5V (throttle pot etc). So your throttle pot (and I assume your regen pot) will need 5V and ground and then the signal line comes into to the marked pin. Direction/cruise/brake need to be pulled high (over 7V I believe).

I wired mine via the Ampseal connector using the pinout listing on the github: https://github.com/damienmaguire/Prius- ... ut_v1c.pdf, but there is an equivalent pinout for the IDC connector here: https://github.com/damienmaguire/Prius- ... ematic.pdf

Obviously your 5V feeds can be reused and you can just use the 12V feed you're using the power the board.

I've been holding off updating the wiki until I get mine all working but I could update this part.
User avatar
bobby_come_lately
Posts: 486
Joined: Sun May 03, 2020 5:39 am
Location: Manchester, UK
Has thanked: 56 times
Been thanked: 63 times
Contact:

Re: Prius Gen 3 Inverter Logic Board Support Thread

Post by bobby_come_lately »

Jack Bauer wrote: Fri Jun 26, 2020 6:57 am -5v should be around -4.8 to -4.9 range both on and off load.
Thank you. Interesting. Looks like mine and Bigpie's some way off that.

I'll do some more checking later and see if I can understand why it is so low.
User avatar
Bigpie
Posts: 1884
Joined: Wed Apr 10, 2019 8:11 pm
Location: South Yorkshire, UK
Has thanked: 91 times
Been thanked: 517 times

Re: Prius Gen 3 Inverter Logic Board Support Thread

Post by Bigpie »

My 5v line is down at 4.2v also, so that'll explain the -5v been off.

My 26v is 25.6v
My 3.3v is 3.28v

So they look good, I'll try and investigate the 5v later.
BMW E91 2006
ZombieVerter
GS450h
Outlander Charger DC/DC
Outlander Compressor
Renault Kangoo 36kWh battery
FOCCCI CCS
User avatar
celeron55
Posts: 805
Joined: Thu Jul 04, 2019 3:04 pm
Location: Finland
Has thanked: 39 times
Been thanked: 136 times
Contact:

Re: Prius Gen 3 Inverter Logic Board Support Thread

Post by celeron55 »

The resistor divider for the 5V regulator seemed to be off on my Prius gen3 V1c board too. I think it needed a slighly smaller value in place of a 8.2k resistor. If I recall correctly I paralleled it with a 82k one and the resulting voltage was close enough for me.

The board seemed to work fine without that mod though.
User avatar
bobby_come_lately
Posts: 486
Joined: Sun May 03, 2020 5:39 am
Location: Manchester, UK
Has thanked: 56 times
Been thanked: 63 times
Contact:

Re: Prius Gen 3 Inverter Logic Board Support Thread

Post by bobby_come_lately »

celeron55 wrote: Fri Jun 26, 2020 8:27 am The resistor divider for the 5V regulator seemed to be off on my Prius gen3 V1c board too. I think it needed a slighly smaller value in place of a 8.2k resistor. If I recall correctly I paralleled it with a 82k one and the resulting voltage was close enough for me.

The board seemed to work fine without that mod though.
Thank you - appreciate the feedback.

New inverter arrives Tuesday. I'll swap the board over to that and see if I'm still getting wacky readings off udc. If so, I'll see if I can add in a parallel resistor to bring up (or rather down) the -5V and test again. But will avoid doing any soldering on the board (or finding someone else to do it) if I can for now. Still need a lot more practice with little stuff.
User avatar
Bigpie
Posts: 1884
Joined: Wed Apr 10, 2019 8:11 pm
Location: South Yorkshire, UK
Has thanked: 91 times
Been thanked: 517 times

Re: Prius Gen 3 Inverter Logic Board Support Thread

Post by Bigpie »

bobby_come_lately, is your 5v also low?
BMW E91 2006
ZombieVerter
GS450h
Outlander Charger DC/DC
Outlander Compressor
Renault Kangoo 36kWh battery
FOCCCI CCS
User avatar
celeron55
Posts: 805
Joined: Thu Jul 04, 2019 3:04 pm
Location: Finland
Has thanked: 39 times
Been thanked: 136 times
Contact:

Re: Prius Gen 3 Inverter Logic Board Support Thread

Post by celeron55 »

Yeah now that I look at the schematic, it looks like Damien has some fixing to do on the V1c board.

EDIT: Or maybe not. I just deleted this paragraph because I just wasn't sure anymore. :mrgreen: Check for yourselves.

EDIT: The datasheet seems to indicate IC2's feedback resistors 43k and 8.2k in the schematic are correct for 5.0V output. Does the board actually have these values or something else instead? E.g. if the board has 43k and 10k those would make 4.3V output, and that would match with my fix of paralleling the smaller one with 82k to increase the output voltage. This means the schematic is right, the board is wrong, and that could mean Damien ordered it wrong or JLCPCB put the wrong part on it.
User avatar
Jack Bauer
Posts: 4005
Joined: Wed Dec 12, 2018 5:24 pm
Location: Ireland
Has thanked: 153 times
Been thanked: 1132 times
Contact:

Re: Prius Gen 3 Inverter Logic Board Support Thread

Post by Jack Bauer »

Damien ordered it wrong and explained that in the video. The 10k resistor needs to be changed to 8k2 for this batch of boards which I just shipped the last one today so next batch will have this correct.
I'm going to need a hacksaw
User avatar
bobby_come_lately
Posts: 486
Joined: Sun May 03, 2020 5:39 am
Location: Manchester, UK
Has thanked: 56 times
Been thanked: 63 times
Contact:

Re: Prius Gen 3 Inverter Logic Board Support Thread

Post by bobby_come_lately »

celeron55 wrote: Fri Jun 26, 2020 1:01 pm Yeah now that I look at the schematic, it looks like Damien has some fixing to do on the V1c board.

EDIT: Or maybe not. I just deleted this paragraph because I just wasn't sure anymore. :mrgreen: Check for yourselves.

EDIT: The datasheet seems to indicate IC2's feedback resistors 43k and 8.2k in the schematic are correct for 5.0V output. Does the board actually have these values or something else instead? E.g. if the board has 43k and 10k those would make 4.3V output, and that would match with my fix of paralleling the smaller one with 82k to increase the output voltage. This means the schematic is right, the board is wrong, and that could mean Damien ordered it wrong or JLCPCB put the wrong part on it.
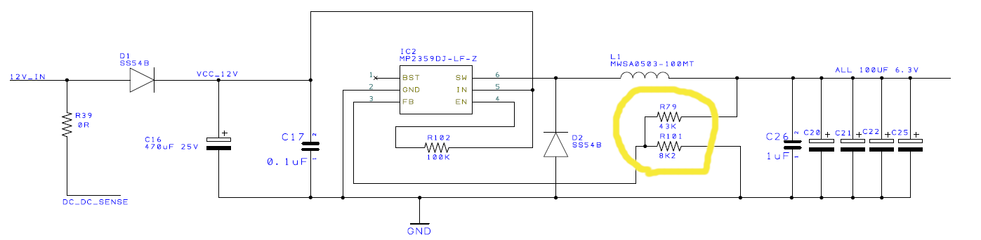
So I was just writing a post about this before I saw your latest message. Thought I'd check the values on R79 and R101 per the diagram below.

On my board:
- R101 is labelled '1002' - so yep, 10K
- R79 is labelled '4302' - and yep, 43K

I get about 4.4V from SW, which then drops down to the -4.06V when it is inverted.

BTW - had seen that in the video but didn't realise it applied to my board. My bad.
Attachments
power_supply.png
User avatar
Jack Bauer
Posts: 4005
Joined: Wed Dec 12, 2018 5:24 pm
Location: Ireland
Has thanked: 153 times
Been thanked: 1132 times
Contact:

Re: Prius Gen 3 Inverter Logic Board Support Thread

Post by Jack Bauer »

yeah sorry about that guys. I know the videos are hard to watch but the best way I know to get info out.
I'm going to need a hacksaw
User avatar
Bigpie
Posts: 1884
Joined: Wed Apr 10, 2019 8:11 pm
Location: South Yorkshire, UK
Has thanked: 91 times
Been thanked: 517 times

Re: Prius Gen 3 Inverter Logic Board Support Thread

Post by Bigpie »

I've updated the wiki with this info. I've got 100 of the 8k2 0805 coming if anyone in UK needs a couple throwing in an envelope.
BMW E91 2006
ZombieVerter
GS450h
Outlander Charger DC/DC
Outlander Compressor
Renault Kangoo 36kWh battery
FOCCCI CCS
Dylan Witt
Posts: 123
Joined: Sat Apr 18, 2020 4:23 am
Location: Kentucky, USA
Been thanked: 5 times

Re: Prius Gen 3 Inverter Logic Board Support Thread

Post by Dylan Witt »

I guess I’ll find a resistor, once I get my board, Smith is the shipping name, my cousin had to order it. I Can’t wait to be able to drive my electric Mazda around. I’ll check to see if I have resistors to solder on the board, I have several ebike and hoverboard control boards laying around, I’m sure I can salvage the parts from them
Dylan Witt
Posts: 123
Joined: Sat Apr 18, 2020 4:23 am
Location: Kentucky, USA
Been thanked: 5 times

Re: Prius Gen 3 Inverter Logic Board Support Thread

Post by Dylan Witt »

guys i hate to be the aggravating one, how would i use the Toyota Avalon hybrid ac pump on my Mazda? like just being able to control it to turn off and on
User avatar
Jack Bauer
Posts: 4005
Joined: Wed Dec 12, 2018 5:24 pm
Location: Ireland
Has thanked: 153 times
Been thanked: 1132 times
Contact:

Re: Prius Gen 3 Inverter Logic Board Support Thread

Post by Jack Bauer »

I'm going to need a hacksaw
User avatar
konstantin8818
Posts: 290
Joined: Sun Jan 19, 2020 2:33 pm
Location: Minsk, Belarus
Has thanked: 2 times
Been thanked: 10 times

Re: Prius Gen 3 Inverter Logic Board Support Thread

Post by konstantin8818 »

Great job! So basically not to blow up capacitors "deadtime" parameter should be anything above zero?
Does boost powerstage somehow involved in using both MG2 and MG1 just to drive as dual motor? I'm asking because in my inverter boost power stage is 100% blown, but MG1 and MG2 are seems to be fine.
User avatar
Jack Bauer
Posts: 4005
Joined: Wed Dec 12, 2018 5:24 pm
Location: Ireland
Has thanked: 153 times
Been thanked: 1132 times
Contact:

Re: Prius Gen 3 Inverter Logic Board Support Thread

Post by Jack Bauer »

In the video above the deadtime is 130. also above the booster is just running in buck mode to drop the 360v from the battery to 230v to run the dcdc converter in its unmodified state.
I'm going to need a hacksaw
User avatar
konstantin8818
Posts: 290
Joined: Sun Jan 19, 2020 2:33 pm
Location: Minsk, Belarus
Has thanked: 2 times
Been thanked: 10 times

Re: Prius Gen 3 Inverter Logic Board Support Thread

Post by konstantin8818 »

Jack Bauer wrote: Sat Jun 27, 2020 9:47 am In the video above the deadtime is 130. also above the booster is just running in buck mode to drop the 360v from the battery to 230v to run the dcdc converter in its unmodified state.
Thank you! I was just wondering if this blown power stage will interfer the Inverter to operate both traction power stages, or the board will just ignore that something is wrong with boost converter. Any operational Gen 3 inverters are still too expensive over here, so i was wondering if i can use this cheap one I've bought with your v1c board.
User avatar
Jack Bauer
Posts: 4005
Joined: Wed Dec 12, 2018 5:24 pm
Location: Ireland
Has thanked: 153 times
Been thanked: 1132 times
Contact:

Re: Prius Gen 3 Inverter Logic Board Support Thread

Post by Jack Bauer »

Yeah should be fine. Just ignore the booster. I have one here I got for 40 euros with the exact same problems. Runs just fine on mg1 and mg2.
I'm going to need a hacksaw
User avatar
konstantin8818
Posts: 290
Joined: Sun Jan 19, 2020 2:33 pm
Location: Minsk, Belarus
Has thanked: 2 times
Been thanked: 10 times

Re: Prius Gen 3 Inverter Logic Board Support Thread

Post by konstantin8818 »

Jack Bauer wrote: Sat Jun 27, 2020 12:49 pm Yeah should be fine. Just ignore the booster. I have one here I got for 40 euros with the exact same problems. Runs just fine on mg1 and mg2.
That is good news :) Looking forward to purchase that board in no time. Dual drive FTW!
User avatar
bobby_come_lately
Posts: 486
Joined: Sun May 03, 2020 5:39 am
Location: Manchester, UK
Has thanked: 56 times
Been thanked: 63 times
Contact:

Re: Prius Gen 3 Inverter Logic Board Support Thread

Post by bobby_come_lately »

Bigpie wrote: Fri Jun 26, 2020 3:33 pm I've updated the wiki with this info. I've got 100 of the 8k2 0805 coming if anyone in UK needs a couple throwing in an envelope.
Great - thank you. I'll drop you a line Monday if I need one. Hoping my soldering whiz will have some lying around and I can get my board in to him on Monday. Then I can eliminate the -5V supply as the issue before second inverter arrived on Tuesday for testing.
User avatar
bobby_come_lately
Posts: 486
Joined: Sun May 03, 2020 5:39 am
Location: Manchester, UK
Has thanked: 56 times
Been thanked: 63 times
Contact:

Re: Prius Gen 3 Inverter Logic Board Support Thread

Post by bobby_come_lately »

I'm trying to write up a wiring guide for the wiki and want to make sure I get this right: Does pin 10 on the IDC connector, labelled 'MG2_BRAKE_TRANS' map to pin 10 on the AMPSEAL connector, ''ACCELERATOR CHAN 2 INPUT"?
User avatar
Jack Bauer
Posts: 4005
Joined: Wed Dec 12, 2018 5:24 pm
Location: Ireland
Has thanked: 153 times
Been thanked: 1132 times
Contact:

Re: Prius Gen 3 Inverter Logic Board Support Thread

Post by Jack Bauer »

yep thats it.
I'm going to need a hacksaw
User avatar
Jack Bauer
Posts: 4005
Joined: Wed Dec 12, 2018 5:24 pm
Location: Ireland
Has thanked: 153 times
Been thanked: 1132 times
Contact:

Re: Prius Gen 3 Inverter Logic Board Support Thread

Post by Jack Bauer »

Note that all boards ordered as of 28/06/20 will be block 2 with correct component values for the 5v reg circuit.
I'm going to need a hacksaw
Locked