[DRIVING] The Audi 8e - Powered by Leaf
- Bigpie
- Posts: 1884
- Joined: Wed Apr 10, 2019 8:11 pm
- Location: South Yorkshire, UK
- Has thanked: 91 times
- Been thanked: 517 times
Re: The Audi 8e - Powered by Leaf
This bloke has the DC DC working and charging with the looks of it, I think he's on this forum also.
BMW E91 2006
ZombieVerter
GS450h
Outlander Charger DC/DC
Outlander Compressor
Renault Kangoo 36kWh battery
FOCCCI CCS
ZombieVerter
GS450h
Outlander Charger DC/DC
Outlander Compressor
Renault Kangoo 36kWh battery
FOCCCI CCS
- Cookie6000
- Posts: 247
- Joined: Wed May 08, 2019 9:27 am
- Location: Wicklow, IRL
- Has thanked: 12 times
- Been thanked: 33 times
- Contact:
Re: The Audi 8e - Powered by Leaf
That's a great idea Dilbert, thanks. Just had a look and yep, plenty around sub £250. I'll take a closer look and see if it fits the bill.Dilbert wrote: ↑Fri Jul 31, 2020 7:37 am If you are looking for a charging and DC-DC solution you should consider the outlander PHEV unit, it contains both in the one package, it would fit in a spare wheel well or even in the boot, although getting the cooling pipes down there might be an issue. There's a chance it might even fit where your current lead acid battery is and then use a smaller 12V aux battery.
The DC-DC converter in this is controlled via 1 pin on the unit and the main charger is controlled via CAN. There is no shortage of these units on ebay and they often come with the main charging socket.
Home of the #Audi8e - https://twitter.com/FiachraCooke
- Cookie6000
- Posts: 247
- Joined: Wed May 08, 2019 9:27 am
- Location: Wicklow, IRL
- Has thanked: 12 times
- Been thanked: 33 times
- Contact:
Re: The Audi 8e - Powered by Leaf
Cheers Bigpie. Interesting how it just begins charging as soon as it's lit up. Wonder if it was the same on the Gen 1 I have. Once I have the full pack in, I'll run a few tests. See it here taking up a chunk of space inside the charger section of the stack. I took it out and it looks fairly straight forward to get it up and running. I found the EVTV link. From 1:47:04 he goes though how to get the DC-DC running.
Home of the #Audi8e - https://twitter.com/FiachraCooke
Re: The Audi 8e - Powered by Leaf
I have one and tested both the charger and dc-dc on the bench. The same unit was also used in a number of EVs (imev, Peugeot etc...)Cookie6000 wrote: ↑Fri Jul 31, 2020 7:09 pmThat's a great idea Dilbert, thanks. Just had a look and yep, plenty around sub £250. I'll take a closer look and see if it fits the bill.Dilbert wrote: ↑Fri Jul 31, 2020 7:37 am If you are looking for a charging and DC-DC solution you should consider the outlander PHEV unit, it contains both in the one package, it would fit in a spare wheel well or even in the boot, although getting the cooling pipes down there might be an issue. There's a chance it might even fit where your current lead acid battery is and then use a smaller 12V aux battery.
The DC-DC converter in this is controlled via 1 pin on the unit and the main charger is controlled via CAN. There is no shortage of these units on ebay and they often come with the main charging socket.
The wiring is well documented and we have decoded the can bus commands. You will need an ecu to issue the can commands to init the charger, setting the charge current and stopping the charge at the correct voltage. I've posted some Arduino due code to test the charger.
viewtopic.php?f=19&t=628&start=50#p9834
- Cookie6000
- Posts: 247
- Joined: Wed May 08, 2019 9:27 am
- Location: Wicklow, IRL
- Has thanked: 12 times
- Been thanked: 33 times
- Contact:
Re: The Audi 8e - Powered by Leaf
Well, we got there.
It has been a few weeks since the 1st drive using the Prius test pack but today I got the full 380v 24kWh Leaf pack cabled up. Barely touching the pedal but it's a ripper! Hope to have an up to date video soon on the latest. Hope to get it weighed tomorrow, start making some of the temp wiring more permanent, change the front shocks (they are shot!), get some decent rubber mounts for the rear battery pack...and, and, and...
It has been a few weeks since the 1st drive using the Prius test pack but today I got the full 380v 24kWh Leaf pack cabled up. Barely touching the pedal but it's a ripper! Hope to have an up to date video soon on the latest. Hope to get it weighed tomorrow, start making some of the temp wiring more permanent, change the front shocks (they are shot!), get some decent rubber mounts for the rear battery pack...and, and, and...
Home of the #Audi8e - https://twitter.com/FiachraCooke
-
Speedy
- Posts: 27
- Joined: Sat Feb 15, 2020 2:15 pm
- Location: United Kingdom
- Has thanked: 2 times
- Been thanked: 1 time
Re: The Audi 8e - Powered by Leaf
Fantastic!
Bet you're well pleased with the result.
Only minor jobs left now (compared to what you've done already
)
Bet you're well pleased with the result.
Only minor jobs left now (compared to what you've done already
- Cookie6000
- Posts: 247
- Joined: Wed May 08, 2019 9:27 am
- Location: Wicklow, IRL
- Has thanked: 12 times
- Been thanked: 33 times
- Contact:
Re: The Audi 8e - Powered by Leaf
As is the way of electric conversions, a few steps forward lead to a few backward. She refuses to move
Yesterday morning (Friday) I got in, turned the key and initiated the usual three clicks as the pre ch/neg/main contactors did their business and back we went with no issue. I had planned to weigh the car so set up the scales, got back in and turned the key, 'click', click',...... nothing. And that was the theme for the rest of the day....
I have posted all the detail over here in the VCU thread as it may be something more in that side.
viewtopic.php?f=4&p=15353#p15353
In more postive news, I got to weight the car
. Not bad considering. 58/42 weight distribution and corner weights are within 5kg of each other. A little nose heavy but good for a FWD car I guess correct me if I am wrong. Overall weight is down about 20kg, that includes 10kg dummy ballast in the boot for charger and other bits.
Yesterday morning (Friday) I got in, turned the key and initiated the usual three clicks as the pre ch/neg/main contactors did their business and back we went with no issue. I had planned to weigh the car so set up the scales, got back in and turned the key, 'click', click',...... nothing. And that was the theme for the rest of the day....
I have posted all the detail over here in the VCU thread as it may be something more in that side.
viewtopic.php?f=4&p=15353#p15353
In more postive news, I got to weight the car
Home of the #Audi8e - https://twitter.com/FiachraCooke
- Kevin Sharpe
- Posts: 1339
- Joined: Fri Dec 14, 2018 9:24 pm
- Location: Ireland and US
- Been thanked: 10 times
Re: The Audi 8e - Powered by Leaf
That's very good news... any idea what the original ICE car weighed?Cookie6000 wrote: ↑Sat Aug 15, 2020 10:26 am In more postive news, I got to weight the car. Not bad considering. 58/42 weight distribution and corner weights are within 5kg of each other. A little nose heavy but good for a FWD car I guess correct me if I am wrong. Overall weight is down about 20kg, that includes 10kg dummy ballast in the boot for charger and other bits.
This is a personal post and I disclaim all responsibility for any loss or damage which any person may suffer from reliance on the information and material in this post or any opinion, conclusion or recommendation in the information and material.
- Cookie6000
- Posts: 247
- Joined: Wed May 08, 2019 9:27 am
- Location: Wicklow, IRL
- Has thanked: 12 times
- Been thanked: 33 times
- Contact:
Re: The Audi 8e - Powered by Leaf
Gross weight is 1870kg on the VIN plate but the kerb weight is anything between 1260kg to 1380kg depending where you search. Either way, it's just below or close to the same weight as it was before.
Home of the #Audi8e - https://twitter.com/FiachraCooke
- Cookie6000
- Posts: 247
- Joined: Wed May 08, 2019 9:27 am
- Location: Wicklow, IRL
- Has thanked: 12 times
- Been thanked: 33 times
- Contact:
Re: The Audi 8e - Powered by Leaf
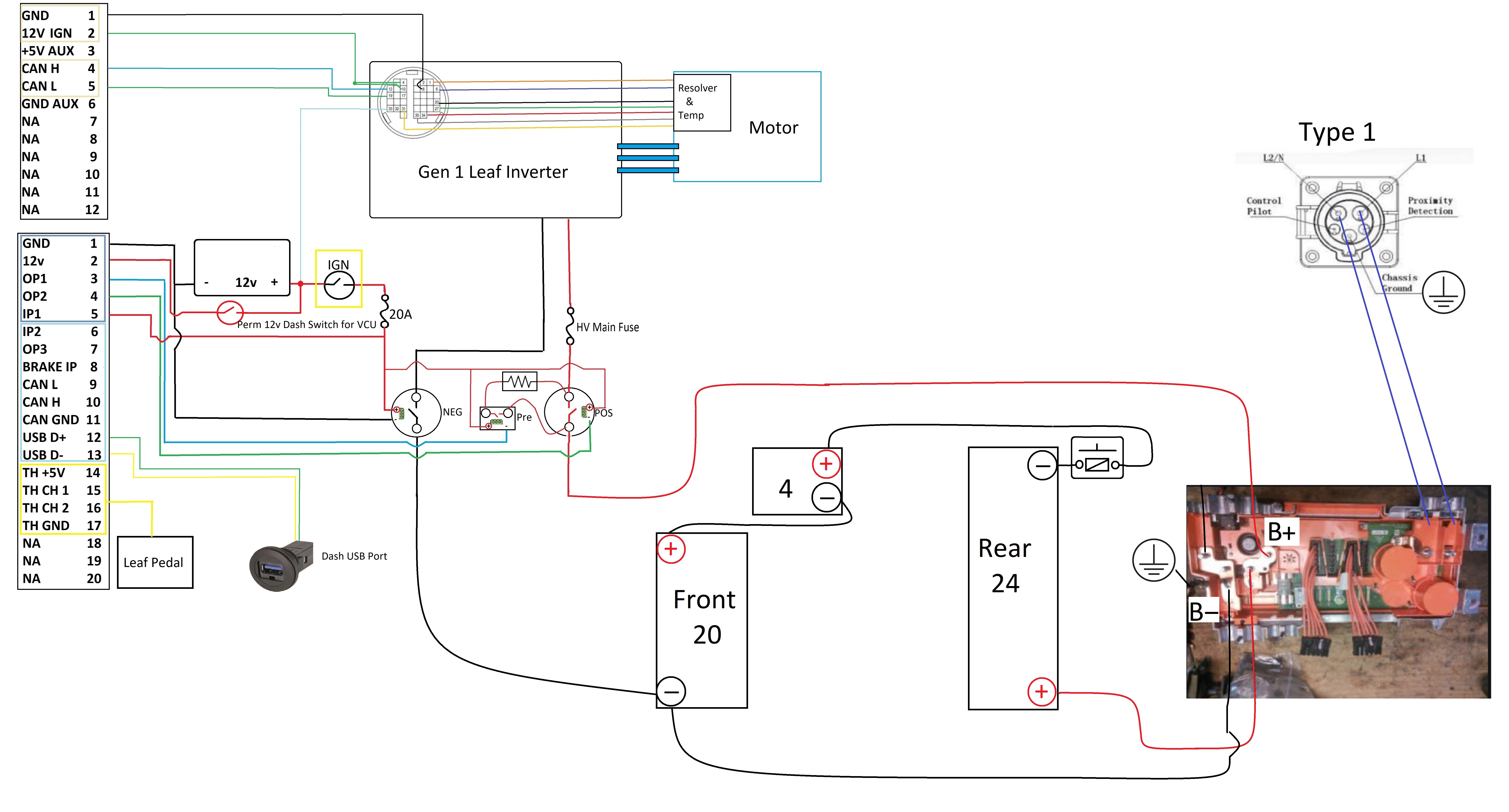
Bit more of an update since the full pack fitting and roll.
We need to get this car charging so have fitted the Model S/X Gen 2 10kW charger and Damiens V4 brain board. Swapping and setting up the new V4 board was straight forward. I have the AC set to 3 Amps to start as I get things up and running. Going with single phase from a 32A breaker so not convinced the stock 2mm wires from the Leaf type 1 port will be up to much more as it gets cranked up
. Will swap them out once testing is over. As another temp solution till I get some more cash, the DC and AC 2mm HV interconnecting between the Gen 2 charger, hence the glorious mix of red and earth 2mm wires, all hooked up to the extememly handy Tesla HVJB to connect everything up. I found my solar PV DC cable crimper the perfect fit for the 171825-0100 connectors to fit the molex 44441-2006 housing.
12v added via a supply from the ABS unit in the boot plus the proximity and control and the HVJB, charger and anything else that felt the need is well grounded to the chassis. And yes... eagle eyes may have noticed that I did see fit to loacte the precious Gen 2 on a block of solid mahogany. Quite an insulator...
To get me hooked up, I found a great stock clearance deal from myenergi on ebay for a Type 1 EVSE. Found some 6sq T&E on the local 'sell you anything' Adverts.ie so hope to have that tomorrow to get that connected up.
Next up make a decent job of the charge port. I found the original weather seal from the old tank filler which had the same diameter as the rubber neck on the charge port. Perfect
I stepped back into my Cardboard Aided Design shoes and made myself a template to secure the socket to that would take the force of many, many, many (presumption much...) many, many chargings.
Took all day, fitting, refitting, tweaking as I'm all about the detail but, happy with the result.
Next up, the too long forgotten DC/DC. I had been trying to get the old Leaf DC converter working but just didn't spend the time in getting a PWM signal knocked up for it. I was talking to kevin about it and he suggested the water cooled TDK DC/DC unit fitted to the Ford Transit Connect by Azure Dynamics and other hybrids in the ford range. Lars then graciously sent me on the control pinout on how to get it running. Pretty robust and simple unit really and I'll go into more detail on it in the next update when I get it fitted.
We need to get this car charging so have fitted the Model S/X Gen 2 10kW charger and Damiens V4 brain board. Swapping and setting up the new V4 board was straight forward. I have the AC set to 3 Amps to start as I get things up and running. Going with single phase from a 32A breaker so not convinced the stock 2mm wires from the Leaf type 1 port will be up to much more as it gets cranked up
Home of the #Audi8e - https://twitter.com/FiachraCooke
- Boxster EV
- Posts: 489
- Joined: Fri Jul 26, 2019 9:32 pm
- Location: UK
- Has thanked: 57 times
- Been thanked: 50 times
-
zippy500
- Posts: 247
- Joined: Fri Jan 04, 2019 8:42 am
- Location: United Kingdom
- Has thanked: 100 times
- Been thanked: 7 times
Re: The Audi 8e - Powered by Leaf
nice work, have been impressed by your metal bending skills, batt box etc.
- Cookie6000
- Posts: 247
- Joined: Wed May 08, 2019 9:27 am
- Location: Wicklow, IRL
- Has thanked: 12 times
- Been thanked: 33 times
- Contact:
Re: The Audi 8e - Powered by Leaf
Thanks for the encouraging feedback all! Much appreciated. Much the work is based upon many who have gone before
As I talked about before, the DC/DC I am using is the TDK 9M68 14B227 unit from the AZD Transit conversions. I gathered a lot of the info from various locations including from lars rengersen who fitted one to his Amazon. Thanks Lars. Here it is in a nutshell. 100A water cooled (I did read somewhere that it was 80A if air cooled, tbc).
The control pins.
Pin 1 is to disable. Pulling the enable pin to ground, turns off the power supply. Good direction from Lars here was to enable Pin 1 only after precharge is complete as you want the precharge energy to go do the inverter capacitors and nothing else. I actually tried this out inadvertently earlier and sure enough, the main connector wont close if the DC/DC is operating.
Pin 3 controls the output voltage. Not connected it is 14.5v. Pulled to ground is 13.8v.
Pin 6 is a fault pin.... I have no idea what this is for...
The connector can be found on Alibaba - 90980-11658 10 hole Transmission solenoid valve plug for TOYOTA
http://www.kinkong-connector.com/produc ... ID898.html
I have a few on the way so, if anyone needs one, let me know. Back to the fitting of the unit, after a lot of placing it here and there, I decided on mounting it to the HVJB frame box section. I fabb'd up a mounting plate from some old electrical box and welded on 2 x box section next size up as they sleeved perfectly together and makes it easy to unbolt and remove if needs be. Welded on some bolts to allow for good securing points. After some adjustments, its a nice fit. As a consequence of its location however, I had to raise the HVJB by 100mm to ensure the + HV cable would not be blocked by the DC/DC HV input. All fitted and wired up and the coolant system amended - it now goes from Inverter to DC/DC to motor. Not sure if this is good/bad but, we'll keep an eye on the temps as we go. I dont expect anything to get relly that hot as I have the loop going via the heater matrix also. Really happy with the finished result.
Stupid question time... It's about control of Pin 1 enable. How would you do it? I'm using Damien's Leaf VCU in the configuration below bearing in mind that precharge remains on after the main contactor closes. I tried tieing Pin 1 to the ground of precharge and obviously, nothing happened. I feel I might be about to facepalm when someone comes back with an obvious answer... I'm just tired
As I talked about before, the DC/DC I am using is the TDK 9M68 14B227 unit from the AZD Transit conversions. I gathered a lot of the info from various locations including from lars rengersen who fitted one to his Amazon. Thanks Lars. Here it is in a nutshell. 100A water cooled (I did read somewhere that it was 80A if air cooled, tbc).
The control pins.
Pin 1 is to disable. Pulling the enable pin to ground, turns off the power supply. Good direction from Lars here was to enable Pin 1 only after precharge is complete as you want the precharge energy to go do the inverter capacitors and nothing else. I actually tried this out inadvertently earlier and sure enough, the main connector wont close if the DC/DC is operating.
Pin 3 controls the output voltage. Not connected it is 14.5v. Pulled to ground is 13.8v.
Pin 6 is a fault pin.... I have no idea what this is for...
The connector can be found on Alibaba - 90980-11658 10 hole Transmission solenoid valve plug for TOYOTA
http://www.kinkong-connector.com/produc ... ID898.html
I have a few on the way so, if anyone needs one, let me know. Back to the fitting of the unit, after a lot of placing it here and there, I decided on mounting it to the HVJB frame box section. I fabb'd up a mounting plate from some old electrical box and welded on 2 x box section next size up as they sleeved perfectly together and makes it easy to unbolt and remove if needs be. Welded on some bolts to allow for good securing points. After some adjustments, its a nice fit. As a consequence of its location however, I had to raise the HVJB by 100mm to ensure the + HV cable would not be blocked by the DC/DC HV input. All fitted and wired up and the coolant system amended - it now goes from Inverter to DC/DC to motor. Not sure if this is good/bad but, we'll keep an eye on the temps as we go. I dont expect anything to get relly that hot as I have the loop going via the heater matrix also. Really happy with the finished result.
Stupid question time... It's about control of Pin 1 enable. How would you do it? I'm using Damien's Leaf VCU in the configuration below bearing in mind that precharge remains on after the main contactor closes. I tried tieing Pin 1 to the ground of precharge and obviously, nothing happened. I feel I might be about to facepalm when someone comes back with an obvious answer... I'm just tired
Home of the #Audi8e - https://twitter.com/FiachraCooke
- Cookie6000
- Posts: 247
- Joined: Wed May 08, 2019 9:27 am
- Location: Wicklow, IRL
- Has thanked: 12 times
- Been thanked: 33 times
- Contact:
Re: The Audi 8e - Powered by Leaf
Had a few days off on two wheeled adventure but back to it this week and getting charging under way.
The trip away kind of cleared the head a bit as I was sure I had not wired the charge part of the HV system correctly and sure enough, when I laid eyes on it again, realised I needed to complete the negative side of the charge loop from most Positive to most Negative. Seeing as I have an unorthodox design with split pack in series and the charger in the boot, I needed to run a new Neg HV run from front to rear. Not ideal but gets me charging albeit in a manual fashion. I haver the Gen 2 charger on a perm live switch in the boot. I flick the switch and then plug in the J1772 soon after and away we go.I need to get to a point where it is controlled when Ign is off and Out1 on the Tesla charger triggers the DC contactor and coolant flow in a different charge loop setup. for now, this is how it looks with a note that I have yet to add the cooling. Any charging was only for a minute to prevent any overheating. On the day I first tried it, all worked really well with the added help of the sun being out helping the 3.8kW of PV I have on the roof of the workshop. As a result, even while I was charging, there was still 0.2kW in reserve going back to the grid... for free... bah! Still, free charging!!
For now until I get the coolant loop added, I just had the AC current limit set to 5A. We'll ramp things up when we are sure I can keep the Gen 2 cool. Last thing to do now is patch up that gaping hole in the spare wheel well which I started last week, adding a few 25mm glands for the HV and securing the tesla HVJB and the charger so they don't go anywhere.
Final question. I asked before but got no reply. It's about the DC/DC enable/disable. It needs to be disabled during inverter precharge and enabled when main contactor closes. When grounded, Pin 1 disables the power supply. When it's floating, its starts it. Advice on how best to trigger this ground/float in the startup sequence?
Thanks
The trip away kind of cleared the head a bit as I was sure I had not wired the charge part of the HV system correctly and sure enough, when I laid eyes on it again, realised I needed to complete the negative side of the charge loop from most Positive to most Negative. Seeing as I have an unorthodox design with split pack in series and the charger in the boot, I needed to run a new Neg HV run from front to rear. Not ideal but gets me charging albeit in a manual fashion. I haver the Gen 2 charger on a perm live switch in the boot. I flick the switch and then plug in the J1772 soon after and away we go.I need to get to a point where it is controlled when Ign is off and Out1 on the Tesla charger triggers the DC contactor and coolant flow in a different charge loop setup. for now, this is how it looks with a note that I have yet to add the cooling. Any charging was only for a minute to prevent any overheating. On the day I first tried it, all worked really well with the added help of the sun being out helping the 3.8kW of PV I have on the roof of the workshop. As a result, even while I was charging, there was still 0.2kW in reserve going back to the grid... for free... bah! Still, free charging!!
Thanks
Home of the #Audi8e - https://twitter.com/FiachraCooke
- Jack Bauer
- Posts: 4006
- Joined: Wed Dec 12, 2018 5:24 pm
- Location: Ireland
- Has thanked: 153 times
- Been thanked: 1136 times
- Contact:
Re: The Audi 8e - Powered by Leaf
I have one of those dcdc in the E65. When the main contactor closes I use a relay to enable.
I'm going to need a hacksaw
- Cookie6000
- Posts: 247
- Joined: Wed May 08, 2019 9:27 am
- Location: Wicklow, IRL
- Has thanked: 12 times
- Been thanked: 33 times
- Contact:
Re: The Audi 8e - Powered by Leaf
Brilliant. Thanks Damien 
Home of the #Audi8e - https://twitter.com/FiachraCooke
-
arber333
- Posts: 3796
- Joined: Mon Dec 24, 2018 1:37 pm
- Location: Slovenia
- Has thanked: 166 times
- Been thanked: 413 times
- Contact:
Re: The Audi 8e - Powered by Leaf
Is that a legal demand or just a "good" procedure? Because i certainly didnt wire it that way.Cookie6000 wrote: ↑Fri Sep 25, 2020 8:45 am Final question. I asked before but got no reply. It's about the DC/DC enable/disable. It needs to be disabled during inverter precharge and enabled when main contactor closes. When grounded, Pin 1 disables the power supply. When it's floating, its starts it. Advice on how best to trigger this ground/float in the startup sequence?
Thanks
I have 20A HV fuse (original) and DCDC is wired directly before contactor. Also i trigger DCDC enable pin before i perform precharge. This allows me to have a steady 12V supply for all the fans and appliances when inverter actually comes under precharge. This means 12Vdc is stable enough to supply enough power to keep precharge relay and eventually DC contactor engaged.
When i would be required to do any maintenance on HV i allways pull the HV disconnect!
I havent had a DCDC problem yet... on both cars.
- Cookie6000
- Posts: 247
- Joined: Wed May 08, 2019 9:27 am
- Location: Wicklow, IRL
- Has thanked: 12 times
- Been thanked: 33 times
- Contact:
Re: The Audi 8e - Powered by Leaf
Thanks arber. No legal requirement. Just the way I had seen it before.arber333 wrote: ↑Fri Sep 25, 2020 11:43 am
Is that a legal demand or just a "good" procedure? Because i certainly didnt wire it that way.
I have 20A HV fuse (original) and DCDC is wired directly before contactor. Also i trigger DCDC enable pin before i perform precharge. This allows me to have a steady 12V supply for all the fans and appliances when inverter actually comes under precharge. This means 12Vdc is stable enough to supply enough power to keep precharge relay and eventually DC contactor engaged.
When i would be required to do any maintenance on HV i allways pull the HV disconnect!
I havent had a DCDC problem yet... on both cars.
I have an 80A HV aux fuse after the contactor. You can see it here on the left of the main HV fuse. What I don't get is, I had a temporary setup kind of like you have, enabling the DCDC first but found the precharge session never completed and main closing, hence, I thought the DCDC was just taking all the juice and the time set in the firmware was elapsing between precharge and main so Main was never triggered. How are you triggering the enable for the DCDC before precharge? Is it built into the code?
Home of the #Audi8e - https://twitter.com/FiachraCooke
-
arber333
- Posts: 3796
- Joined: Mon Dec 24, 2018 1:37 pm
- Location: Slovenia
- Has thanked: 166 times
- Been thanked: 413 times
- Contact:
Re: The Audi 8e - Powered by Leaf
Well yeah... i think i have like 50R precharge resistor in Volt inverter so current doesnt have any problems running there. But in any case i use 2s precharge preset in Pic12F which is on my Lebowski board and enables GND connection to DC relay.Cookie6000 wrote: ↑Fri Sep 25, 2020 2:07 pm What I don't get is, I had a temporary setup kind of like you have, enabling the DCDC first but found the precharge session never completed and main closing, hence, I thought the DCDC was just taking all the juice and the time set in the firmware was elapsing between precharge and main so Main was never triggered. How are you triggering the enable for the DCDC before precharge? Is it built into the code?
- Boxster EV
- Posts: 489
- Joined: Fri Jul 26, 2019 9:32 pm
- Location: UK
- Has thanked: 57 times
- Been thanked: 50 times
Re: The Audi 8e - Powered by Leaf
I have also connected my DCDC before contactors. The 12v enable happens with the ignition on.
I previously had issues connecting after the contactors. It kept blowing 20amp HV fuses on start up. Presume this was down to a voltage spike when capacitors were charging.
I previously had issues connecting after the contactors. It kept blowing 20amp HV fuses on start up. Presume this was down to a voltage spike when capacitors were charging.