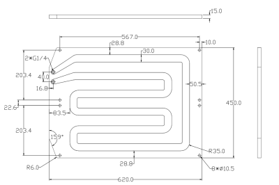
I now have the finalized STP file for the cooling plates - and of course open source as always:
Search found 457 matches
- Wed Apr 15, 2026 8:26 am
- Forum: Projects
- Topic: Tesla Roadster Battery replacement with ID.3 Modules
- Replies: 23
- Views: 851
- Wed Apr 15, 2026 8:24 am
- Forum: Projects
- Topic: Tesla Roadster Battery replacement with ID.3 Modules
- Replies: 23
- Views: 851
Re: Tesla Roadster Battery replacement with ID.3 Modules
I assume the BMS is a separate control module that receives info from the BMB modules. Then we could just leave the BMS where it is and spoof the BMB messages.
We will find it out, i am very certain. Johannes did solve much more complicated things than that :)
Also i still have the old battery ...
- Wed Apr 01, 2026 11:27 pm
- Forum: Projects
- Topic: Tesla Roadster Battery replacement with ID.3 Modules
- Replies: 23
- Views: 851
Re: Tesla Roadster Battery replacement with ID.3 Modules
Those measurements match the CAD file I have for the ID3 modules and I know that model is right, so the numbers look good.
Would you mind sharing the Alibaba seller of those cooling plates? I'm leaning heavily towards ID3 or ID4 modules for my Land Rover conversion and those cooling plates would ...
- Wed Apr 01, 2026 11:15 pm
- Forum: Projects
- Topic: Tesla Roadster Battery replacement with ID.3 Modules
- Replies: 23
- Views: 851
Re: Tesla Roadster Battery replacement with ID.3 Modules
As previously mentioned, Tesla released the Can Bus Data, which makes this much easier
https://github.com/teslamotors/roadster ... tEvBHOLFuw
https://github.com/teslamotors/roadster ... tEvBHOLFuw
- Tue Mar 31, 2026 6:31 pm
- Forum: Projects
- Topic: Tesla Roadster Battery replacement with ID.3 Modules
- Replies: 23
- Views: 851
Re: Tesla Roadster Battery replacement with ID.3 Modules
To be honest, i can't verify the numbers. I sent them a CAD drawing (*.step) of the module that they sent me the recent drawings of the cooling plate.
I know Johannes has a spare module from his build. So i asked him to use a measuring tape and double check the measurements for me. Let's see what ...
I know Johannes has a spare module from his build. So i asked him to use a measuring tape and double check the measurements for me. Let's see what ...
- Tue Mar 31, 2026 1:33 pm
- Forum: Projects
- Topic: Tesla Roadster Battery replacement with ID.3 Modules
- Replies: 23
- Views: 851
Re: Tesla Roadster Battery replacement with ID.3 Modules
I have some news on the cooling plates. Looks good i think
- Fri Mar 27, 2026 5:14 pm
- Forum: Classifieds
- Topic: Isabellenhuete IVT-S x 2 in Australia.
- Replies: 10
- Views: 3187
Re: Isabellenhuete IVT-S x 2 in Australia.
Hi, is this still available?
- Fri Mar 27, 2026 4:36 pm
- Forum: Projects
- Topic: Tesla Roadster Battery replacement with ID.3 Modules
- Replies: 23
- Views: 851
Re: Tesla Roadster Battery replacement with ID.3 Modules
I asked Gruber Motors (They are incredibly helpful! Tesla Roadster specialist in Arizona: https://grubermotors.com/) if they could provide me with the internal measurements of the battery box.
They came back with the following:
A = 53 cm
B = 53 cm
C = 45 cm
Roadster-Battery-Measurements.jpg ...
They came back with the following:
A = 53 cm
B = 53 cm
C = 45 cm
Roadster-Battery-Measurements.jpg ...
- Wed Mar 25, 2026 10:41 pm
- Forum: Projects
- Topic: Tesla Roadster Battery replacement with ID.3 Modules
- Replies: 23
- Views: 851
Re: Tesla Roadster Battery replacement with ID.3 Modules
Yes, as you've seen this is all open source meanwhile.
That is exactly where Johannes will be involved: Coding! He will do a much better job than me!
- Wed Mar 25, 2026 9:22 pm
- Forum: Projects
- Topic: Tesla Roadster Battery replacement with ID.3 Modules
- Replies: 23
- Views: 851
Re: Tesla Roadster Battery replacement with ID.3 Modules
According to my measurements 8 ID.3 modules in a 2 × 4 stack would be about 59 × 46 × 48 cm and should fit into the box that has available room without the weird shaped lower part of 95 × 48 × 48 cm
This is the Conversion with Taycan Modules:
3145445a-2586-41eb-a7c1-88d683526fe8.png
There is the ...
This is the Conversion with Taycan Modules:
3145445a-2586-41eb-a7c1-88d683526fe8.png
There is the ...
- Wed Mar 25, 2026 8:48 pm
- Forum: Projects
- Topic: Tesla Roadster Battery replacement with ID.3 Modules
- Replies: 23
- Views: 851
Re: Tesla Roadster Battery replacement with ID.3 Modules
There is already a running conversion out there with taycan packs and according to my measurements the ID3 modules will fit nicely
We'll see
- Wed Mar 25, 2026 7:06 pm
- Forum: Projects
- Topic: Tesla Roadster Battery replacement with ID.3 Modules
- Replies: 23
- Views: 851
Tesla Roadster Battery replacement with ID.3 Modules
Hi,
I have been absent for quite a while, but once the EV bug bites you, it is hard to keep your hands off the next project.
This time I did not want to start completely from scratch, although I had some crazy ideas. I bought a bricked Tesla Roadster. I have always admired these cars because they ...
I have been absent for quite a while, but once the EV bug bites you, it is hard to keep your hands off the next project.
This time I did not want to start completely from scratch, although I had some crazy ideas. I bought a bricked Tesla Roadster. I have always admired these cars because they ...
- Mon Jan 27, 2025 9:32 am
- Forum: Classifieds
- Topic: SOLD!: 2 Tesla LDU Drive Shafts NEW
- Replies: 0
- Views: 1141
SOLD!: 2 Tesla LDU Drive Shafts NEW
Drive Shafts for Tesla Model S – Like New, Less Than 1,000 km Used
99€ for Both! SOLD!!!
I am selling two drive shafts for a Tesla Model S, which have been used for less than 1,000 km.
The shafts were replaced during a revision of the drive unit. However, after a short period of use, it turned ...
99€ for Both! SOLD!!!
I am selling two drive shafts for a Tesla Model S, which have been used for less than 1,000 km.
The shafts were replaced during a revision of the drive unit. However, after a short period of use, it turned ...
- Wed Sep 11, 2024 6:45 pm
- Forum: Classifieds
- Topic: Tesla Performance Large Drive Unit LDU 1200€
- Replies: 0
- Views: 2826
Tesla Performance Large Drive Unit LDU 1200€
Hi,
for sale is a Performance LDU for restoration. Apparently it ran fine until removed.
I'm asking 1200€ or nearest offer.
The Drive Unit is locatet in 89160 Dornstadt, Germany
All the Videos and Pictures here:
https://photos.app.goo.gl/Q5AgFZFTuiofHLxL8
Can be shipped on a pallet worldwide ...
for sale is a Performance LDU for restoration. Apparently it ran fine until removed.
I'm asking 1200€ or nearest offer.
The Drive Unit is locatet in 89160 Dornstadt, Germany
All the Videos and Pictures here:
https://photos.app.goo.gl/Q5AgFZFTuiofHLxL8
Can be shipped on a pallet worldwide ...
- Tue Dec 19, 2023 8:13 am
- Forum: Tesla
- Topic: Tesla Model S P85 "man in the middle" Power upgrade
- Replies: 1
- Views: 4178
Tesla Model S P85 "man in the middle" Power upgrade
Hi, meanwhile i do have a Tesla Model S P85 and i was asking myself if i could squeeze more power out of the car by intercepting the can messages, especially the torque request or the BMS max amps, to force the motor to output more power.
what are your thoughts?
The canbus for the model s LDU is ...
what are your thoughts?
The canbus for the model s LDU is ...
- Sat Nov 04, 2023 6:39 am
- Forum: Classifieds
- Topic: Cooling Plate for Eltek (Volvo) IP20 Charger or other applications
- Replies: 2
- Views: 5493
Re: Cooling Plate for Eltek (Volvo) IP20 Charger or other applications
I never answered here - sorry
Anyways this cooling plate is still available
Anyways this cooling plate is still available
- Fri Sep 22, 2023 5:11 pm
- Forum: General
- Topic: I need a car part from Kazachstan - anybody knows someone over there?
- Replies: 0
- Views: 12131
I need a car part from Kazachstan - anybody knows someone over there?
I need 2 rubber parts from KZ. The company does not ship internationally. So i'm looking for someone that can order the parts and send it to Germany. Of course i will reimburse for the inconvenience.
- Wed Sep 13, 2023 6:54 am
- Forum: Classifieds
- Topic: Openpilot self driving Kit - all you need (iBooster, Radar, Powersteering, Panda, Comma2, [SOLD]
- Replies: 11
- Views: 16513
- Tue Sep 05, 2023 7:20 pm
- Forum: Classifieds
- Topic: Openpilot self driving Kit - all you need (iBooster, Radar, Powersteering, Panda, Comma2, [SOLD]
- Replies: 11
- Views: 16513
Re: Openpilot self driving Kit - all you need (iBooster, Radar, Powersteering, Panda, Comma2, [SOLD]
Everything is available, yes.
- Tue Sep 05, 2023 6:54 am
- Forum: Classifieds
- Topic: Openpilot self driving Kit - all you need (iBooster, Radar, Powersteering, Panda, Comma2, [SOLD]
- Replies: 11
- Views: 16513
- Thu Aug 03, 2023 11:50 am
- Forum: Classifieds
- Topic: Android Radio for you conversion with CanBus [SOLD]
- Replies: 1
- Views: 9378
Android Radio for you conversion with CanBus [SOLD]
For sale is this Android-Radio that you can use for displaying Torque (The App) or other CanBus Solutions with any USB Canbus Adaptor.
Appearently it should also have build in canbus functionality but i never tested this.
It came of my Subaru Impreza Conversion as you can see in one of the pictures ...
Appearently it should also have build in canbus functionality but i never tested this.
It came of my Subaru Impreza Conversion as you can see in one of the pictures ...
- Thu Aug 03, 2023 11:37 am
- Forum: Classifieds
- Topic: Gear Selector / Drive switch
- Replies: 0
- Views: 1615
Gear Selector / Drive switch
For sale are 2 gear selector switches. One i resoldered so it has a resistor ladder.
You can relabel it if you wish so 8-)
I'll send you a piece of black cover film that you can put on and then put stickers for the functions that you need on it.
the other one is original and is triggered by each ...
You can relabel it if you wish so 8-)
I'll send you a piece of black cover film that you can put on and then put stickers for the functions that you need on it.
the other one is original and is triggered by each ...
- Thu Aug 03, 2023 11:31 am
- Forum: Classifieds
- Topic: Openpilot self driving Kit - all you need (iBooster, Radar, Powersteering, Panda, Comma2, [SOLD]
- Replies: 11
- Views: 16513
Re: Openpilot self driving Kit - all you need (iBooster, Radar, Powersteering, Panda, Comma2, [SOLD]
NEW PRICE 799€ including Shipping in Europe!
Everything is out of the car and ready for shipping:
PXL_20230803_091517824.jpg
(Radar is not in the picture but of course in the Set)
PXL_20230803_091507901.jpg
PXL_20230803_091504411.MP.jpg
The Radar comes with a bracket:
9bc38c44-3103 ...
Everything is out of the car and ready for shipping:
PXL_20230803_091517824.jpg
(Radar is not in the picture but of course in the Set)
PXL_20230803_091507901.jpg
PXL_20230803_091504411.MP.jpg
The Radar comes with a bracket:
9bc38c44-3103 ...
- Thu Aug 03, 2023 11:11 am
- Forum: Classifieds
- Topic: HV Cable 35mm² (12 Meters) 50mm² (3,8 Meters) [SOLD]
- Replies: 1
- Views: 9137
HV Cable 35mm² (12 Meters) 50mm² (3,8 Meters) [SOLD]
For Sale is this Cable: ICEM DUOFLEX
35mm² 12 Meters = 79€
50mm² 3,8 Meters = 29€
Both together 99€
Shipping Worldwide possible.
35mm² 12 Meters = 79€
50mm² 3,8 Meters = 29€
Both together 99€
Shipping Worldwide possible.
- Thu Aug 03, 2023 10:35 am
- Forum: Classifieds
- Topic: Nissan Leaf 40 Kwh Battery Pack for sale 95,92% SoH [SOLD]
- Replies: 2
- Views: 9819
Re: Nissan Leaf 40 Kwh Battery Pack for sale 95,92% SoH [SOLD]
New Price 4999 € plus shipping (i'll give you a quote if you tell me where, Hungary for example is 129€ plus the packaging which comes in at another ~100€)