Camry Hybrid Gen 1 Inverter Hacking
- Thatguyoverthere
- Posts: 34
- Joined: Fri Jun 28, 2019 5:04 am
- Location: California, USA
- Been thanked: 1 time
Camry Hybrid Gen 1 Inverter Hacking
In an effort to be a bit proactive, I've decided to take on the task of making a drop in board for the Camry Hybrid Gen 1 Inverter. Everything will be documented in this thread, (no promises). Pictures attached are of the exterior, along with the inverter part number.
https://github.com/kaelinwilson
Leaf Motor/Gen1 Camry Inverter
Leaf Motor/Gen1 Camry Inverter
-
MattsAwesomeStuff
- Posts: 1081
- Joined: Fri Apr 26, 2019 5:40 pm
- Has thanked: 478 times
- Been thanked: 308 times
Re: Camry Hybrid Gen 1 Inverter Hacking
Everyone's sure dogpiling on the Toyota Train aren't they? 
Almost like it's free engineering from competent engineers.
Great news. Hopefully soon there's another to add to the inventory of EV options.
Almost like it's free engineering from competent engineers.
Great news. Hopefully soon there's another to add to the inventory of EV options.
- celeron55
- Posts: 805
- Joined: Thu Jul 04, 2019 3:04 pm
- Location: Finland
- Has thanked: 39 times
- Been thanked: 136 times
- Contact:
Re: Camry Hybrid Gen 1 Inverter Hacking
It looks (almost) identical to the 1st gen GS450H inverter. Maybe your board will fit that too.
- Thatguyoverthere
- Posts: 34
- Joined: Fri Jun 28, 2019 5:04 am
- Location: California, USA
- Been thanked: 1 time
Re: Camry Hybrid Gen 1 Inverter Hacking
Here's the insides. One challenge will most likely be the current sensors, as they are integrated into the Motor connections. Eventually I'll most likely come up with a solution to separate the current sensors from this "situation". Shouldn't be too hard, but they are riveted together.
- Attachments
https://github.com/kaelinwilson
Leaf Motor/Gen1 Camry Inverter
Leaf Motor/Gen1 Camry Inverter
- Thatguyoverthere
- Posts: 34
- Joined: Fri Jun 28, 2019 5:04 am
- Location: California, USA
- Been thanked: 1 time
Re: Camry Hybrid Gen 1 Inverter Hacking
Forgot to mention the inverter boards are identical between the Camry Gen 1 and the GS450h, as evident by their part number. I knew this already because someone here was using this inverter for their GS450h transmission.
https://github.com/kaelinwilson
Leaf Motor/Gen1 Camry Inverter
Leaf Motor/Gen1 Camry Inverter
- PacEmaker
- Posts: 85
- Joined: Tue Oct 15, 2019 9:28 pm
- Location: Victoria, Australia
- Has thanked: 5 times
- Contact:
Re: Camry Hybrid Gen 1 Inverter Hacking
Very interesting that the inverter board is shared with the GS450h!Thatguyoverthere wrote: ↑Sat Jun 20, 2020 1:45 am Forgot to mention the inverter boards are identical between the Camry Gen 1 and the GS450h, as evident by their part number. I knew this already because someone here was using this inverter for their GS450h transmission.
Do you know if any other components in there are also shared with the GS450h? e.g. Cap/s, IGBTs etc.?
Geoff
Is this smoke trying to tell me something ...
Is this smoke trying to tell me something ...
- mdrobnak
- Posts: 692
- Joined: Thu Mar 05, 2020 5:08 pm
- Location: Colorado, United States
- Has thanked: 1 time
- Been thanked: 5 times
Re: Camry Hybrid Gen 1 Inverter Hacking
Hmm. Interesting. I thought someone tried to use it with the GS450h and the VCU and it would spin MG2 but not MG1, or something like that. So, just because the hardware is the same, does not mean the firmware (software) on the board is the same.
-Matt
-Matt
- Thatguyoverthere
- Posts: 34
- Joined: Fri Jun 28, 2019 5:04 am
- Location: California, USA
- Been thanked: 1 time
Re: Camry Hybrid Gen 1 Inverter Hacking
I'm inclined to believe that these inverters are identical, (Caps and Buck/Boost board have the same part number, capacity, layout, etc.),however there is no way to know about the IGBTs. I'll be taking notes from the other thread that has made some progress on the Buck/Boost but have not fired the IGBTs.
https://github.com/kaelinwilson
Leaf Motor/Gen1 Camry Inverter
Leaf Motor/Gen1 Camry Inverter
- Thatguyoverthere
- Posts: 34
- Joined: Fri Jun 28, 2019 5:04 am
- Location: California, USA
- Been thanked: 1 time
Re: Camry Hybrid Gen 1 Inverter Hacking
Here is the post I was referring to.
https://github.com/kaelinwilson
Leaf Motor/Gen1 Camry Inverter
Leaf Motor/Gen1 Camry Inverter
- Thatguyoverthere
- Posts: 34
- Joined: Fri Jun 28, 2019 5:04 am
- Location: California, USA
- Been thanked: 1 time
Re: Camry Hybrid Gen 1 Inverter Hacking
Scratch that, Damien DID get the IGBT's Firing, turns out it is like the Gen2 Prius in that there is no separate hi/lo pwm, and the driver board does its own dead-time, etc. Matter of fact, there's a whole thread. I guess I'll do some testing and once that works out, I'll just start designing a board.
https://github.com/kaelinwilson
Leaf Motor/Gen1 Camry Inverter
Leaf Motor/Gen1 Camry Inverter
- mdrobnak
- Posts: 692
- Joined: Thu Mar 05, 2020 5:08 pm
- Location: Colorado, United States
- Has thanked: 1 time
- Been thanked: 5 times
Re: Camry Hybrid Gen 1 Inverter Hacking
Oh, so you want to just have a high-power setup, not use it for a GS450 gearbox specifically. I misread the first post, oops!
In that case, I'm curious to see what power it'll do, if the Gen3 Prius already does some good numbers!
-Matt
In that case, I'm curious to see what power it'll do, if the Gen3 Prius already does some good numbers!
-Matt
- jalovick
- Posts: 96
- Joined: Mon Mar 11, 2019 10:14 am
- Location: Sydney, Australia
- Has thanked: 10 times
- Been thanked: 8 times
Re: Camry Hybrid Gen 1 Inverter Hacking
Camry inverters are as good as a dime a dozen here in Australia, as the Camry Hybrid is the default vehicle for taxis.
I'm trying to get an idea of what's what, and what boards they're compatible with. I've started adding a list of parts in the Toyota section of the OEM category in the Wiki. Would you mind adding any relevant info on there?
Thanks!
Jamie
I'm trying to get an idea of what's what, and what boards they're compatible with. I've started adding a list of parts in the Toyota section of the OEM category in the Wiki. Would you mind adding any relevant info on there?
Thanks!
Jamie
Re: Camry Hybrid Gen 1 Inverter Hacking
The DC link smoothing cap bank is bigger on the 450h, the LV and small high frequency ripple HV are the same.
- Thatguyoverthere
- Posts: 34
- Joined: Fri Jun 28, 2019 5:04 am
- Location: California, USA
- Been thanked: 1 time
Re: Camry Hybrid Gen 1 Inverter Hacking
Alright, been a while but full time work and school eats most of my time (as well as other projects).
Figured out the current sensors, they're much like the Gen3 Prius (as far as supply, etc.), and was able to get some readings on a Huebner board. Based on that I was able to do some "quick" math (generous rough estimates) on how much power they might be able to handle. My ultimate goal with this is to make an all-in-one, so, Inverter using MG2, Charger using MG1 (no 3 phase), but my current conversion project will be using the Nissan Leaf VCU for simplicity. Therefore, progress on this will most likely be slow as it has been.
As far as the Charger side of things, I've been doing a lot of reading on Interleaved Totem-Pole Bridgless PFC solutions, but development for that is gonna be tough. I've got some development boards that I'm drafting up for that, but I still need to find out more about the inverter itself to interface it with the board before I get some made, etc, etc.
Figured out the current sensors, they're much like the Gen3 Prius (as far as supply, etc.), and was able to get some readings on a Huebner board. Based on that I was able to do some "quick" math (generous rough estimates) on how much power they might be able to handle. My ultimate goal with this is to make an all-in-one, so, Inverter using MG2, Charger using MG1 (no 3 phase), but my current conversion project will be using the Nissan Leaf VCU for simplicity. Therefore, progress on this will most likely be slow as it has been.
As far as the Charger side of things, I've been doing a lot of reading on Interleaved Totem-Pole Bridgless PFC solutions, but development for that is gonna be tough. I've got some development boards that I'm drafting up for that, but I still need to find out more about the inverter itself to interface it with the board before I get some made, etc, etc.
https://github.com/kaelinwilson
Leaf Motor/Gen1 Camry Inverter
Leaf Motor/Gen1 Camry Inverter
- mackoffgrid
- Posts: 94
- Joined: Thu Jan 02, 2020 10:18 am
- Location: Brisbane Australia
- Has thanked: 6 times
- Been thanked: 1 time
Re: Camry Hybrid Gen 1 Inverter Hacking
I'll be following this thread with interest.
I have one of these inverters but haven't got around to cracking it open. I have different objectives to you but you want to drive the same signals as I would want to do. I have no idea about "Interleaved Totem-Pole Bridgless PFC solutions" but will look on with interest.
I have one of these inverters but haven't got around to cracking it open. I have different objectives to you but you want to drive the same signals as I would want to do. I have no idea about "Interleaved Totem-Pole Bridgless PFC solutions" but will look on with interest.
- mackoffgrid
- Posts: 94
- Joined: Thu Jan 02, 2020 10:18 am
- Location: Brisbane Australia
- Has thanked: 6 times
- Been thanked: 1 time
Re: Camry Hybrid Gen 1 Inverter Hacking
Putting the information available together, from Damien's notes.
If there are wrong entries or possible additions to the information, please update.
![Image]()
If there are wrong entries or possible additions to the information, please update.
- Attachments
-
Camry 50way connector.ods- (12.91 KiB) Downloaded 339 times
- mackoffgrid
- Posts: 94
- Joined: Thu Jan 02, 2020 10:18 am
- Location: Brisbane Australia
- Has thanked: 6 times
- Been thanked: 1 time
Re: Camry Hybrid Gen 1 Inverter Hacking
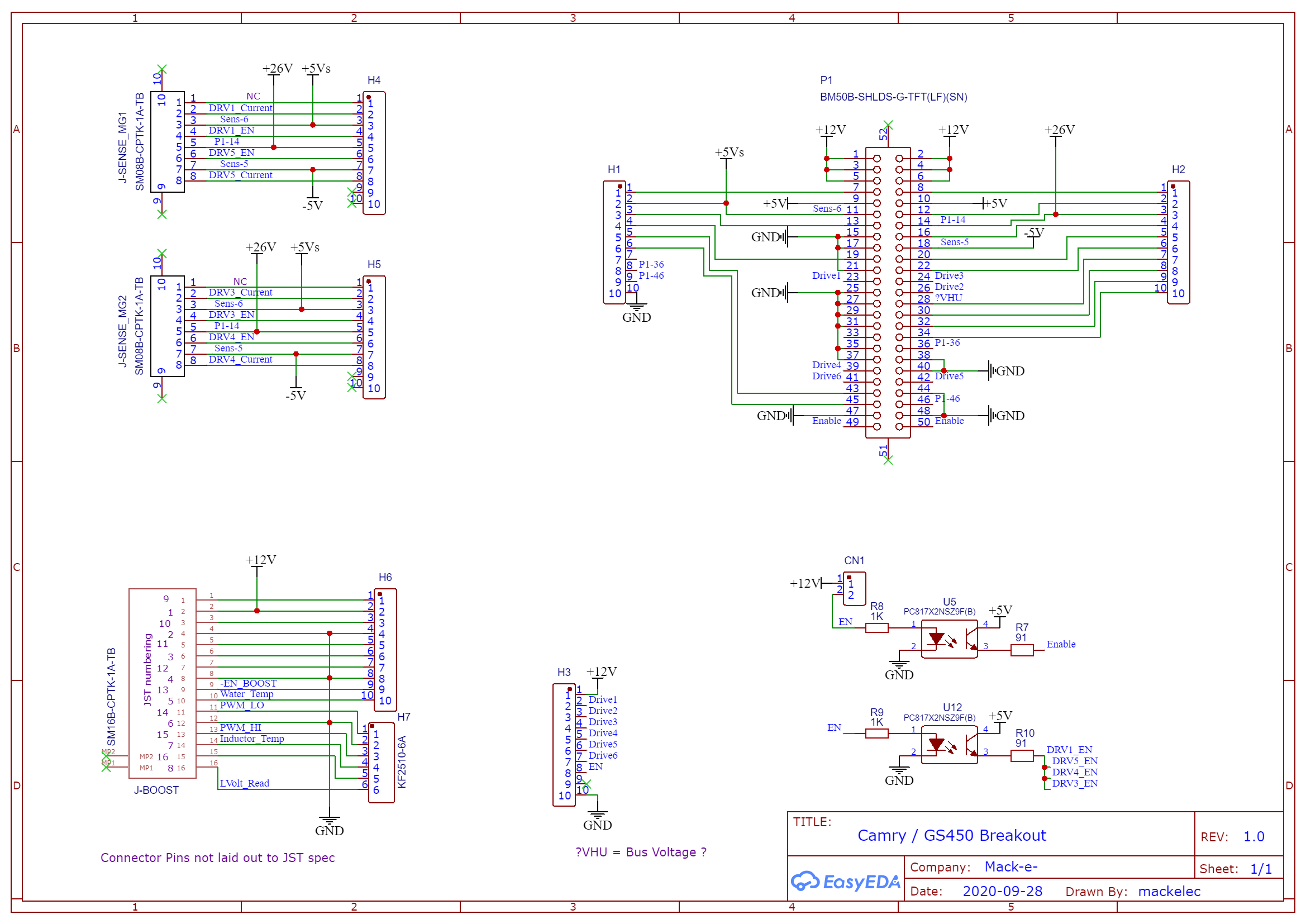
I am in the slow process of drawing a Breakout board so I can use the Camry inverter for various projects outside of EV. The breakout board may be useful to others - maybe in the Buck / Boost project of XP677.
I have built up this schematic from several sources: Damien's notes, XP677 Buck/Boost Project, and my own use multi meter wielding processes.
I will put his up on Github when I think this is nearly cooked - which may well be now.
It would be useful to know MGx-Fault lines and I'm sure with enough time I can trace it from the driver board.
Other notable gaps are the current sense lines.
P1 (50 way connector),J-Sense1,J-Sense2 use proper JST pin numbering, J-Boost library part is not using proper JST pin Numbering but I have placed text with the correct JST numbering.
Don't worry about page 2, "DriveIF" , this is just some non-EV project stuff.
Soon I will start drawing this PCB, if the Toyota Logic PCB dimension are known that could be useful - no problem if not.
I have built up this schematic from several sources: Damien's notes, XP677 Buck/Boost Project, and my own use multi meter wielding processes.
I will put his up on Github when I think this is nearly cooked - which may well be now.
It would be useful to know MGx-Fault lines and I'm sure with enough time I can trace it from the driver board.
Other notable gaps are the current sense lines.
P1 (50 way connector),J-Sense1,J-Sense2 use proper JST pin numbering, J-Boost library part is not using proper JST pin Numbering but I have placed text with the correct JST numbering.
Don't worry about page 2, "DriveIF" , this is just some non-EV project stuff.
Soon I will start drawing this PCB, if the Toyota Logic PCB dimension are known that could be useful - no problem if not.
- Attachments
-
Schematic_Camry Interface_2020-10-14_07-42-56.pdf- (217.66 KiB) Downloaded 502 times
- Thatguyoverthere
- Posts: 34
- Joined: Fri Jun 28, 2019 5:04 am
- Location: California, USA
- Been thanked: 1 time
Re: Camry Hybrid Gen 1 Inverter Hacking
Thanks! Nice to see it layed out visually. Here's the pinout for the current sensors.
Anything else you need just let me know.
Again, thanks for the work!
Anything else you need just let me know.
Again, thanks for the work!
- Attachments
https://github.com/kaelinwilson
Leaf Motor/Gen1 Camry Inverter
Leaf Motor/Gen1 Camry Inverter
- mackoffgrid
- Posts: 94
- Joined: Thu Jan 02, 2020 10:18 am
- Location: Brisbane Australia
- Has thanked: 6 times
- Been thanked: 1 time
Re: Camry Hybrid Gen 1 Inverter Hacking
Hey, that's really great. And thanks for the PCB footprint, I could tell exactly what your detail was from that.
Lots of Enables. Funny how the Drive enables and Current sense Enables are active +5V but the Boost is active GND. I did check Check XP677's mod for enable, and that mod is grounding the enable. Unless it is doing something else and enabling the BOOST indirectly?
Here's an update.
Lots of Enables. Funny how the Drive enables and Current sense Enables are active +5V but the Boost is active GND. I did check Check XP677's mod for enable, and that mod is grounding the enable. Unless it is doing something else and enabling the BOOST indirectly?
Here's an update.
- Attachments
-
Schematic_Camry Interface_2020-10-14_11-53-25.pdf- (224.44 KiB) Downloaded 461 times
- mackoffgrid
- Posts: 94
- Joined: Thu Jan 02, 2020 10:18 am
- Location: Brisbane Australia
- Has thanked: 6 times
- Been thanked: 1 time
Re: Camry Hybrid Gen 1 Inverter Hacking
I've attached my JST connect Footprint for some clarity - hope it may help someone. I could try for a better image of the foot print if someone request it.
Also attaching the JST Data Sheets for the 50 Way and the 8/16 way connectors.
Also attaching the JST Data Sheets for the 50 Way and the 8/16 way connectors.
- Attachments
-
1810261120_JST-Sales-America-SM08B-CPTK-1A-TB_C264977.pdf- (363.21 KiB) Downloaded 391 times
-
BM50B-SHLDS-G-TFT_LF_SN_.pdf- (150.41 KiB) Downloaded 454 times
- Jack Bauer
- Posts: 4000
- Joined: Wed Dec 12, 2018 5:24 pm
- Location: Ireland
- Has thanked: 153 times
- Been thanked: 1115 times
- Contact:
Re: Camry Hybrid Gen 1 Inverter Hacking
Great work guys and thanks for the share:)
I'm going to need a hacksaw
- mackoffgrid
- Posts: 94
- Joined: Thu Jan 02, 2020 10:18 am
- Location: Brisbane Australia
- Has thanked: 6 times
- Been thanked: 1 time
Re: Camry Hybrid Gen 1 Inverter Hacking
Seems like a daily update atm.
I was hoping that the driver board would be similar to that Schematic that's getting around but nooo.I have enough to do what I wanted to do but the niggles got me - so I started the job of removing the 50 way connector to confirm where the "Not connected" pads are and help look into the rest. Well that JST connector is tough bugger, and Toyota used lead free solder to make life harder. I was beginning to think this was a bad idea and would end horribly but cranking up the hot air gun an extra 50 degrees and reducing the connector body - mangling - got me there. Testament to the PCB that I only removed one pad, pin 50, and no other damage, very good considering the length of time and amount of heat I poured into it.
Five unknown pins remain on CN13 - 50 way connector.
New updated schematics attached.
Apologies for the poor camera work but it got the job done.

I was hoping that the driver board would be similar to that Schematic that's getting around but nooo.I have enough to do what I wanted to do but the niggles got me - so I started the job of removing the 50 way connector to confirm where the "Not connected" pads are and help look into the rest. Well that JST connector is tough bugger, and Toyota used lead free solder to make life harder. I was beginning to think this was a bad idea and would end horribly but cranking up the hot air gun an extra 50 degrees and reducing the connector body - mangling - got me there. Testament to the PCB that I only removed one pad, pin 50, and no other damage, very good considering the length of time and amount of heat I poured into it.
Five unknown pins remain on CN13 - 50 way connector.
New updated schematics attached.
Apologies for the poor camera work but it got the job done.
- Attachments
-
Schematic_Camry Interface_2020-10-15_17-41-17.pdf- (224.72 KiB) Downloaded 318 times
- mackoffgrid
- Posts: 94
- Joined: Thu Jan 02, 2020 10:18 am
- Location: Brisbane Australia
- Has thanked: 6 times
- Been thanked: 1 time
Re: Camry Hybrid Gen 1 Inverter Hacking
Getting closer - showing relationships
Pins 30 & 32
Perhaps that 3 terminal device is a current source / zener which might make pins 30,32 inverter temperature ??
Pins 45 & 46 are each pulled to Gnd via 100 ohm (and capacitor) and NPN transistor. A base resistor is perm. tied to 5V , but the circuit is incomplete and suspect some sort of pull down ....
Pins 30 & 32
Perhaps that 3 terminal device is a current source / zener which might make pins 30,32 inverter temperature ??
Pins 45 & 46 are each pulled to Gnd via 100 ohm (and capacitor) and NPN transistor. A base resistor is perm. tied to 5V , but the circuit is incomplete and suspect some sort of pull down ....
- mackoffgrid
- Posts: 94
- Joined: Thu Jan 02, 2020 10:18 am
- Location: Brisbane Australia
- Has thanked: 6 times
- Been thanked: 1 time
Re: Camry Hybrid Gen 1 Inverter Hacking
The Toyota board is not the easiest to trace for my aging eyes, what with multi-layer, blind vias, the maggie lamp is too cumbersome - I need one of those Headband Magnifiers like Damien wears.
If anyone has views what these pins represent - I'm listening
If anyone has views what these pins represent - I'm listening
- Attachments
-
Schematic_Camry Interface_2020-10-18_05-25-31.pdf- (268.9 KiB) Downloaded 378 times