Tesla Charger Support Thread

Topics concerning the Tesla front and rear drive unit drop-in board
Locked
User avatar
Roadstercycle
Posts: 118
Joined: Mon Sep 23, 2019 10:28 pm
Location: California
Has thanked: 3 times
Been thanked: 2 times
Contact:

Re: Tesla Charger Support Thread

Post by Roadstercycle »

This probably has been touched on before but for reason can't find the answer. If I set my Gen 2 charger voltage at 387 volts what should my turn off voltage be? The same or a little above or below?
User avatar
Boxster EV
Posts: 489
Joined: Fri Jul 26, 2019 9:32 pm
Location: UK
Has thanked: 57 times
Been thanked: 50 times

Re: Tesla Charger Support Thread

Post by Boxster EV »

Roadstercycle wrote: Wed Sep 16, 2020 1:00 am This probably has been touched on before but for reason can't find the answer. If I set my Gen 2 charger voltage at 387 volts what should my turn off voltage be? The same or a little above or below?
My V5 cuts AC about 3-4v above termination voltage.
Porsche 986 powered by a Tesla large drive unit. Backwards. Build documented here and Instagram @tesla_porsche here.
User avatar
Roadstercycle
Posts: 118
Joined: Mon Sep 23, 2019 10:28 pm
Location: California
Has thanked: 3 times
Been thanked: 2 times
Contact:

Re: Tesla Charger Support Thread

Post by Roadstercycle »

On a good note my Gen 2, Rev. L is working with the V5 board that I just received. I could not run it long because of not having the cooling setup yet. Single phase, 220 volt USA. As I increased amp output from 5A to 10A and then 15A the charger increased in output as it should have. WIFI is working too but has the same address as motor inverter, is that normal?
jon volk
Posts: 574
Joined: Wed Apr 10, 2019 7:47 pm
Location: Connecticut
Been thanked: 3 times

Re: Tesla Charger Support Thread

Post by jon volk »

Roadstercycle wrote: Thu Sep 17, 2020 5:11 pm On a good note my Gen 2, Rev. L is working with the V5 board that I just received. I could not run it long because of not having the cooling setup yet. Single phase, 220 volt USA. As I increased amp output from 5A to 10A and then 15A the charger increased in output as it should have. WIFI is working too but has the same address as motor inverter, is that normal?
Yes the ip address is the same. Your device can only connect to one wifi connection at a time so it does not cause a problem.
Formerly 92 E30 BMW Cabrio with Tesla power
User avatar
annyung
Posts: 6
Joined: Mon Sep 21, 2020 5:50 am
Location: Royal Oak, MI
Contact:

Re: Tesla Charger Support Thread

Post by annyung »

Hi, hoping I can get some help with setting up my V5 board. Somehow I must have fat fingered and hit 8 and now to can settings are not matching what I'm seeing others post. Typing 8500 doesn't seem to restore them. Also trying to change the current by typing 75 doesn't work.

Settings Menu
1 - Auto Enable : ON
2 - Modules Enabled : 123
3 - Can Mode : Master
4 - Port Type : 1
5 - Phase Wiring : 1
6 - DC Charge Voltage : 400.000000 0V
7 - AC Current Limit : 13A
8 - CAN0 Speed : 500.000031 0
a - Can Debug : OFF
b - EVSE Debug : ON
t - termination voltage : 0.000000 0V
q - To Quit Menu
User avatar
Boxster EV
Posts: 489
Joined: Fri Jul 26, 2019 9:32 pm
Location: UK
Has thanked: 57 times
Been thanked: 50 times

Re: Tesla Charger Support Thread

Post by Boxster EV »

B188AE7C-9DE6-492D-A3D6-EBC111EE99C3.jpeg
Always a good idea to photo them before changing. Check your termination V too.
Porsche 986 powered by a Tesla large drive unit. Backwards. Build documented here and Instagram @tesla_porsche here.
User avatar
annyung
Posts: 6
Joined: Mon Sep 21, 2020 5:50 am
Location: Royal Oak, MI
Contact:

Re: Tesla Charger Support Thread

Post by annyung »

1 - Auto Enable : ON
2 - Modules Enabled : 123
3 - Can Mode : Master
4 - Port Type : 1
5 - Phase Wiring : 1
6 - DC Charge Voltage : 400.000000 0V
7 - AC Current Limit : 13A
8 - CAN0 Speed : 500.000031 0
a - Can Debug : OFF
b - EVSE Debug : ON
t - termination voltage : 400.000000 0V
q - To Quit Menu

So termination voltage and CAN0 match. When I type 41 it changes 1 Auto Enable to off. I'm sure I'm dense and there is some kind of semantics I'm missing when typing this in even though I've gone through the manual several times.
User avatar
annyung
Posts: 6
Joined: Mon Sep 21, 2020 5:50 am
Location: Royal Oak, MI
Contact:

Re: Tesla Charger Support Thread

Post by annyung »

Typing 75 into notepad copying and right clicking in the putty terminal is working. I type q to exit and save. Unplugging the usb cable to power off and plugging it back in and reconnecting over serial, 13A for AC current greets me again! Step by step...

1 - Auto Enable : ON
2 - Modules Enabled : 123
3 - Can Mode : Master
4 - Port Type : 1
5 - Phase Wiring : 1
6 - DC Charge Voltage : 400.000000 0V
7 - AC Current Limit : 5A
8 - CAN0 Speed : 500.000031 0
a - Can Debug : OFF
b - EVSE Debug : ON
t - termination voltage : 400.000000 0V
q - To Quit Menu
User avatar
Boxster EV
Posts: 489
Joined: Fri Jul 26, 2019 9:32 pm
Location: UK
Has thanked: 57 times
Been thanked: 50 times

Re: Tesla Charger Support Thread

Post by Boxster EV »

annyung wrote: Tue Sep 22, 2020 2:57 am Typing 75 into notepad copying and right clicking in the putty terminal is working. I type q to exit and save. Unplugging the usb cable to power off and plugging it back in and reconnecting over serial, 13A for AC current greets me again! Step by step...

1 - Auto Enable : ON
2 - Modules Enabled : 123
3 - Can Mode : Master
4 - Port Type : 1
5 - Phase Wiring : 1
6 - DC Charge Voltage : 400.000000 0V
7 - AC Current Limit : 5A
8 - CAN0 Speed : 500.000031 0
a - Can Debug : OFF
b - EVSE Debug : ON
t - termination voltage : 400.000000 0V
q - To Quit Menu
Sounds like you need to update your firmware as per here:

viewtopic.php?f=10&t=489&start=130#p16456


Jack Bauer wrote: Sun Sep 06, 2020 8:47 am Please update to the latest binary from here :
https://github.com/damienmaguire/Tesla- ... are/Binary
use the .hex file.
Porsche 986 powered by a Tesla large drive unit. Backwards. Build documented here and Instagram @tesla_porsche here.
User avatar
annyung
Posts: 6
Joined: Mon Sep 21, 2020 5:50 am
Location: Royal Oak, MI
Contact:

Re: Tesla Charger Support Thread

Post by annyung »

Thank you for the links. Makes total sense now. I ordered a programmer and should be updating shortly.
Other hurdle is the ebay super charger looks to be bad. 400vdc setpoint but only getting an output of 170vdc and measuring 125vdc at the pins.
Guess that's what I get for buying the cheapest charger on ebay.

Proximity Status : Unconnected /ADC Raw: 1012 AC limit : 0 /Cable Limit: 0 /Module Cur Request: 4444 /DC total Cur:0.29 /DC Setpoint:400 /DC tVolt:400 /DC driven AC Cur Lim: 9709
213834 State: 1 Phases : 0 Modules Avtive : 3 ON D1 H
Phase 1 Feebback // AC present: 1 AC volt: 122 AC cur: 10.67 DC volt: 170 DC cur: 0.16 Inlet Targ: 60 Temp Lim Cur: 15 25 40 EN:1 Flt:0 Stat:77
Phase 2 Feebback // AC present: 1 AC volt: 123 AC cur: 10.67 DC volt: 164 DC cur: 0.00 Inlet Targ: 60 Temp Lim Cur: 15 25 42 EN:1 Flt:0 Stat:77
Phase 3 Feebback // AC present: 1 AC volt: 122 AC cur: 10.67 DC volt: 166 DC cur: 0.14 Inlet Targ: 60 Temp Lim Cur: 15 25 38 EN:1 Flt:0 Stat:77
Attachments
tesla charger.jpg
User avatar
Cookie6000
Posts: 247
Joined: Wed May 08, 2019 9:27 am
Location: Wicklow, IRL
Has thanked: 12 times
Been thanked: 33 times
Contact:

Re: Tesla Charger Support Thread

Post by Cookie6000 »

Hi all
Spent the day today tweaking and testing the Gen 2 charger with V4 board in the Audi to charge the 24kW Leaf pack via the Type 1 Zappi EVSE I installed the other week. I have it kind of manually set up via a switch in the boot. When I flick the 12v, the charger and aux coolant pump power on and then charge away. I started off at 5A and steadily moved up to a current limit of 20A. With the EVSE in 'Eco' mode, it charges at ~1.2kW and when you set it to fast, ~3.4kW.

I have limited to this due to the fact the Type 1 plug is from the 3.3kW charge output of the Gen 1 Leaf and the cabling associated. I'll change those out at a later date to cope with faster charge capability. Today though, my questions were all about temperature. I spent a few hours during the charge sequences, between Eco and Fast, the temp increases on and around the charger.

There is a flow and return from the front (rad, motor, inverter, DCDC - primary circulation pump only on during operation of vehicle) to the rear where I have a 2nd aux pump, only in use during charging. The coolant system has been pressure tested and fully filled. Two directions of flow have been trialled. I used an infrared thermometer to take measurements of the 3 x phase circuit boards (through the clear plastic cover), the coolant input and output, the charger casing and the 2 x AC leads. What I found is, especially when on 3.4kW EVSE 'fast' charging, I found the following...
  • Highest temp was on the middle board - temp ranged from 24 up to 58 deg c before I stopped the charge session for fear of it getting too hot.
  • Coolant output - max 25 deg
  • AC input cables - max 19 deg
  • Casing - max 28 deg
To me, those phase module temps seem high. I am still unsure if I have nailed the cooling setup I have but I just wanted to ask you all your feedback on what temperature ranges (especially on the modules) you have seen before I go and maybe, upgrade the aux pump (from a BMW E49).

One other note, I was charging at 1.3kW for about 40 mins when the middle module began to flash red and the EVSE clicked intermittently, stating 'waiting for EV...'. I ceased the session, started again and it was all ok.

Thanks


Thanks.
Home of the #Audi8e - https://twitter.com/FiachraCooke
User avatar
Jack Bauer
Posts: 4005
Joined: Wed Dec 12, 2018 5:24 pm
Location: Ireland
Has thanked: 153 times
Been thanked: 1130 times
Contact:

Re: Tesla Charger Support Thread

Post by Jack Bauer »

Personally I've never measured the temp on a gen2 or a gen3 charger and I have ran them up at full 11kw on 3 phase. I would not be at all worried about a 3kw power supply running at 60c. Even 80c. If we take your values of 58c on the board and 28c on the heatsink this is only a 30c rise. How are these temps being measured? IR, contact probe etc?
I'm going to need a hacksaw
User avatar
tom91
Posts: 2962
Joined: Fri Mar 01, 2019 9:15 pm
Location: Bicester, Oxfordshire
Has thanked: 330 times
Been thanked: 847 times

Re: Tesla Charger Support Thread

Post by tom91 »

Temperatures do no matter really as the charger modules will just shut down when they get too hot.
Creator of SimpBMS
Founder Volt Influx https://www.voltinflux.com/
Webstore: https://citini.com/
User avatar
Cookie6000
Posts: 247
Joined: Wed May 08, 2019 9:27 am
Location: Wicklow, IRL
Has thanked: 12 times
Been thanked: 33 times
Contact:

Re: Tesla Charger Support Thread

Post by Cookie6000 »

Jack Bauer wrote: Fri Oct 09, 2020 10:14 am Personally I've never measured the temp on a gen2 or a gen3 charger and I have ran them up at full 11kw on 3 phase. I would not be at all worried about a 3kw power supply running at 60c. Even 80c. If we take your values of 58c on the board and 28c on the heatsink this is only a 30c rise. How are these temps being measured? IR, contact probe etc?
Thanks. Yes, using an IR temp gun. Guess I am just being overly cautious at this stage in the build I am not over heating anything. The battery modules don't even shift in temp yet. When the middle phase board started blinking and the EVSE began to signal it was waiting for the EV to communicate, I thought it may have been something to do with the temp but if the charger will shut itself down if it gets too hot, that's all I needed to know. Thanks.
Home of the #Audi8e - https://twitter.com/FiachraCooke
deadsled
Posts: 33
Joined: Thu Oct 08, 2020 3:32 pm
Location: Brisbane, Australia
Been thanked: 2 times

Re: Tesla Charger Support Thread

Post by deadsled »

Hi,
I've got a Gen 3 charger from an Australian Model X, 3ph 18kW, like the EU versions I believe. Before I buy the controller from Damien, I just want to be sure it will work with my proposed setup. I'm planning to use it with 14 Tesla modules and a small rear SDU. I've already bought an Orion BMS2 - will the Gen 3 charger integrate with the Orion?
User avatar
joromy
Posts: 371
Joined: Fri Jun 28, 2019 12:56 pm
Has thanked: 1 time
Been thanked: 4 times

Re: Tesla Charger Support Thread

Post by joromy »

deadsled wrote: Sun Oct 11, 2020 12:09 am I'm planning to use it with 14 Tesla modules and a small rear SDU. I've already bought an Orion BMS2
Why du you want to use a Orion BMS, when you have the BMS slaves from tesla already?
You have several options for tesla modules, Simp BMS and EVTV, have used both of them.

If you really want to use Orion please PM me. I want to buy the tesla slaves!!!
Thomas A. Edison “I have not failed. I've just found 10,000 ways that won't work"
User avatar
Jack Bauer
Posts: 4005
Joined: Wed Dec 12, 2018 5:24 pm
Location: Ireland
Has thanked: 153 times
Been thanked: 1130 times
Contact:

Re: Tesla Charger Support Thread

Post by Jack Bauer »

So this is quite a common question I get asked so I'll answer here and in the first post on this thread for better visibility.

There is no support in the current firmware for any particular bms. However the following options are available :
- The IN1 pin can be used as a charge enable/disable input. Pull it to 12v to enable and ground to disable.
- The external CAN interface is available and could be used to receive commands from a CAN capable bms but no such features are implemented in the current firmware and I have no plans to add.
I'm going to need a hacksaw
deadsled
Posts: 33
Joined: Thu Oct 08, 2020 3:32 pm
Location: Brisbane, Australia
Been thanked: 2 times

Re: Tesla Charger Support Thread

Post by deadsled »

joromy wrote: Sun Oct 11, 2020 7:21 am
deadsled wrote: Sun Oct 11, 2020 12:09 am I'm planning to use it with 14 Tesla modules and a small rear SDU. I've already bought an Orion BMS2
Why du you want to use a Orion BMS, when you have the BMS slaves from tesla already?
You have several options for tesla modules, Simp BMS and EVTV, have used both of them.

If you really want to use Orion please PM me. I want to buy the tesla slaves!!!
Just sticking to what we know and have used before, plus I need DCFC capability and until recently the Orion was the only option for out-of-the-box CHAdeMO charging. I've spent a lot already on the Orion so am committed to it, maybe next project I'll consider the alternatives you mention plus the CHadeMO controller I've now seen on this forum.

Let me know if you are serious about the slave module boards, I am in Australia though.
Jack Bauer wrote: Sun Oct 11, 2020 7:34 am So this is quite a common question I get asked so I'll answer here and in the first post on this thread for better visibility.

There is no support in the current firmware for any particular bms. However the following options are available :
- The IN1 pin can be used as a charge enable/disable input. Pull it to 12v to enable and ground to disable.
- The external CAN interface is available and could be used to receive commands from a CAN capable bms but no such features are implemented in the current firmware and I have no plans to add.
Thank you Damien, I will look into it a bit more with this info.
fransoa
Posts: 22
Joined: Thu Oct 03, 2019 5:41 pm
Location: Entrepierres, France
Contact:

Re: Tesla Charger Support Thread

Post by fransoa »

I use an EVBMW's board for Tesla GEN3 charger with a Tesla GEN3 charger.
There is not much documentation on this configuration. What software is installed on the board ? What version ? what software can be put without unpleasant surprises ? I made the connections as it seems good to do. Then I plugged in the USB cable, powered the board with 12V and connected my PC CAN interface to do tests. The USB interface works perfectly : I can to visualize the logs and the good reception of the TC CAN frame send by my PC on the external CAN bus. But I recieve absolutely nothing on the external CAN bus. What software can I put to do tests?
User avatar
Jack Bauer
Posts: 4005
Joined: Wed Dec 12, 2018 5:24 pm
Location: Ireland
Has thanked: 153 times
Been thanked: 1130 times
Contact:

Re: Tesla Charger Support Thread

Post by Jack Bauer »

Gen 3 charger wiring :


Gen 3 charger controller testing :


Uses the same software as the Gen 2.
I'm going to need a hacksaw
et0
Posts: 132
Joined: Sun Oct 13, 2019 8:06 pm
Location: Scotland
Has thanked: 15 times
Been thanked: 6 times

Re: Tesla Charger Support Thread

Post by et0 »

Roadstercycle wrote: Tue Sep 08, 2020 3:41 pm
Bryson wrote: Tue Sep 08, 2020 5:54 am Ah yes it is supposed to get 12v hot at all times. It does consume some power though, so if you leave the car for long periods, you may have to accommodate.
So now we are at full loop again. Is it Ok to turn the 12 volt power on at the same time as the 220 volt EVSE is plugged in so you don't get battery drain. There may not be an answer without testing?
The workaround I used for this was to use a switch that closes when the charge door (petrol flap) is open, that supplies 12V to the charger.

Someone posted a clever circuit way back in this thread that detects the PP line and fires the charger up first, if you prefer something a bit fancier.
User avatar
Jack Bauer
Posts: 4005
Joined: Wed Dec 12, 2018 5:24 pm
Location: Ireland
Has thanked: 153 times
Been thanked: 1130 times
Contact:

Re: Tesla Charger Support Thread

Post by Jack Bauer »

If someone wants to design a circuit for powering up via the proximity signal and post here I'll be happy to include it in the next rev build.
I'm going to need a hacksaw
User avatar
clanger9
Posts: 205
Joined: Mon Oct 28, 2019 7:41 am
Location: Chester, UK
Been thanked: 2 times
Contact:

Re: Tesla Charger Support Thread

Post by clanger9 »

OT question: what's your preferred circuit design software?
Just getting back into this, happy to help, so I might as well use the same package as you...
User avatar
tom91
Posts: 2962
Joined: Fri Mar 01, 2019 9:15 pm
Location: Bicester, Oxfordshire
Has thanked: 330 times
Been thanked: 847 times

Re: Tesla Charger Support Thread

Post by tom91 »

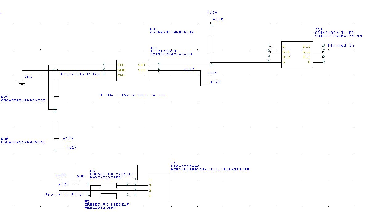
prox detect.JPG
This is the way I done it for the SimpCharge, use some pull up and pull down resistors to create the Proximity window.

then a simple comparator to set the point at which to activate. and a Pmos of your choice to switch 12V.

You know you could just buy a SimpCharge and just hook up the Proximity line ;) to create your 12V when a plug is inserted.
Creator of SimpBMS
Founder Volt Influx https://www.voltinflux.com/
Webstore: https://citini.com/
User avatar
Jack Bauer
Posts: 4005
Joined: Wed Dec 12, 2018 5:24 pm
Location: Ireland
Has thanked: 153 times
Been thanked: 1130 times
Contact:

Re: Tesla Charger Support Thread

Post by Jack Bauer »

Designspark pcb is my weapon of choice as I'm too lazy to learn anything else. Am making slow progress on kicad though.
Thanks Tom. I'll update the first post on this thread with a link to simpcharge.
I'm going to need a hacksaw
Locked