Howdy all,
Just a quick line to see if there's an existing resource relating to the Japanese/ZE0/Gen1 Leaf DC-DC Junction box.
Mine's looking like it's died and it seems to be a common enough thing so figured I'd check before I went trying to figure out a solution other than OEM replacement.
Haven't found anything related from my searching to date - plenty of bits regarding hacking a working one to use it in other roles, but nothing about repair or workaround.
Leaf ZE0/Gen 1 DC-DC JB repair/alternatives
- Extremetaz
- Posts: 54
- Joined: Thu Sep 19, 2019 9:35 am
- Location: Kildare, Ireland
- Been thanked: 1 time
- Contact:
- Extremetaz
- Posts: 54
- Joined: Thu Sep 19, 2019 9:35 am
- Location: Kildare, Ireland
- Been thanked: 1 time
- Contact:
Re: Leaf ZE0/Gen 1 DC-DC JB repair/alternatives
Alright - so we're doing this then.
Spent a while yesterday consolidating what I could find about the thing, culminating in the following.
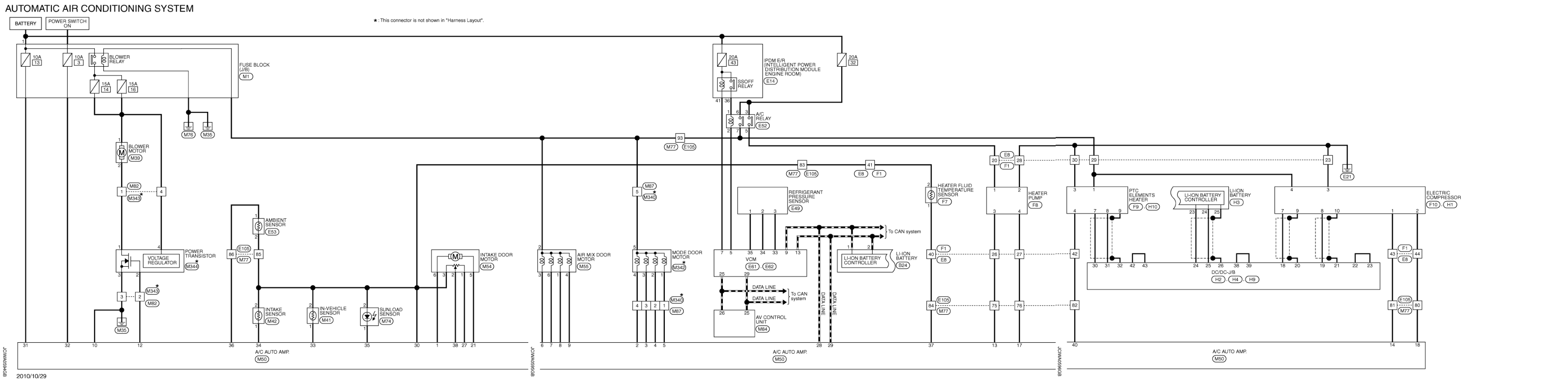
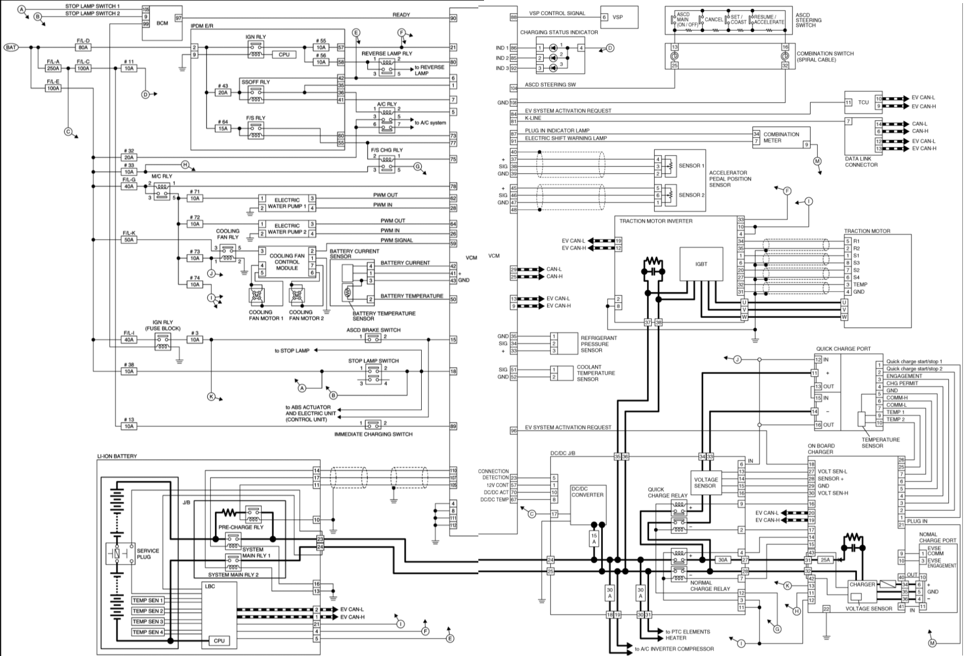
This Top level diagram is from the EVC workshop pdf. The usual service manual has several schematics which each reference different connections to the DCDC-JB. These schematics are usually spread over several pages so I fixed that.
EVC/EVB Schematic HAC Schematic PG Schematic TMS Schematic VC Schematic The unit itself looks like this - again this image is from another forum but the source seems reliable. Using all of the above, I gathered the info relating to the various connectors and populated the pin functions accordingly.
Spent a while yesterday consolidating what I could find about the thing, culminating in the following.
This Top level diagram is from the EVC workshop pdf. The usual service manual has several schematics which each reference different connections to the DCDC-JB. These schematics are usually spread over several pages so I fixed that.
EVC/EVB Schematic HAC Schematic PG Schematic TMS Schematic VC Schematic The unit itself looks like this - again this image is from another forum but the source seems reliable. Using all of the above, I gathered the info relating to the various connectors and populated the pin functions accordingly.
Break it; Fix it; Repeat;
- Extremetaz
- Posts: 54
- Joined: Thu Sep 19, 2019 9:35 am
- Location: Kildare, Ireland
- Been thanked: 1 time
- Contact:
Re: Leaf ZE0/Gen 1 DC-DC JB repair/alternatives
Now - a quick description of my symptoms followed by something of a stream of consciousness.
Given a charged 12 V battery:
The car will go into drive mode.
The car will drive error free to the extent that the traction pack will permit.
AC and Heating both work fine.
The car will not charge off the standard port.
When the car is plugged in, it will not go into drive mode and the charge mode light is lit on the dashboard.
When the car is plugged in, the charge status indicator does not respond
The car does not attempt to charge the 12V battery.
All systems report correctly and error free to the OBD-II port and are observable in LeafSpy.
Trawling through the service manual does reveal that the only indication of an issue with the DCDC-JB which the car will provide, is the illumination of the traditional battery warning light on the dashboard. This only appears when the housekeeping battery is already in a depleted condition - it does not appear solely on account of the DCDC-JB not attempting to charge the thing; so the DCDC-JB failure indication is derivative based on the charge state of the housekeeping battery going low.
The DCDC-JB is not on CAN and consequently does not present any DTC's.
The Charge relays, normal and fast, are controlled externally. They do not require the DCDC-JB to close them, however the normal charge relays require that either the M/C relay is closed to provide power to their coils, or that this power is coming from Pin 12 on the OBC (as this link is not fused, I'm presently assuming the former to be the case and the latter to be a flag input). The FC relays requires the F/S Charge relay to be closed. Both of these actions are carried out by the VCM (assuming a functioning IPDM E/R in the case of the latter). I'm not going to discuss FC any farther as it's not relevant to me right now.
So, obviously, the VCM needs to know that the charge cable has been plugged in if it's to close the M/C relay. This could go a couple of ways and I've not looked around to see which it is just yet, but the following seems plausible (please correct me if I'm mistaken). The charger has a full time 12V supply at Pin 11 via F33. Connection to the charger on either port provokes an EV system activation request to the VCM. VCM responds by closing the M/C relay, hence powering the DCDC-JB and the Normal charge relay's. CAN messaging sorts out the fine print using ID 5BF (from canmsgs sheet). The charge indicator does appear on the dash which suggests that the OBC is powered and responsive as this is provoked by it directly activating the flag on the 'combination meter' when a plug connection is detected. However the Charge status indicator does not respond in any fashion which suggests that the VCM (which I'm assuming is fully functional) is not progressing the connection in any fashion. This could be on account of not receiving the appropriate handshake from the DCDC-JB Pin 10; and DCDC-JB Pin5 I suspect to be another flag pin, but I'm not sure which direction it's going.
Now, if the M/C relay wasn't working, then frankly f*ck all else would either so we can assume it's good and that the DCDC-JB is getting power (naturally I'll verify when I get properly stuck in). The next obvious failure mode would lie in the earth strap and this could certainly account for the the DCDC converter not working, and the VCM not receiving any flags from the DCDC-JB in general. It doesn't directly rule out activation of either set of charge relays as they appear to take their ground from the charger, so the only reason for the DCDC converter failure to be linked to non-charging is if the VCM isn't permitting the charger to do its thing because the DCDC-JB isn't playing ball.
Of course if it's not the earth strap then it's something internal to the DCDC-JB and the challenge becomes building a new controller for the switchgear within - which, right now, I'm assuming is all perfectly fine.
To this point another reasonable question is how do I know it's not the charger that's the problem - and to that I say, mostly because a non-functioning charger doesn't inhibit charging of the housekeeping battery from the traction pack. The follow up then is the possibility that both are knackered - and yes, this is possible however I would expect to see a related DTC in the case of the charger. I just replaced the IPDM E/R with a borrowed one following a related DTC and postmortem revealed all relays (including the internal ones) functioning correctly. The only sign of stress is an apparent scorch mark on a tantalum cap on the control board itself. I have a worry that this is related to the dying 12V battery and that there could be related failures in other systems, but as I say, the DTC list is clear of any relevant messages to suggest other problems so I'm proceeding on that basis.
So - can anybody find any gaping holes or obvious mistakes in that lot before I go tearing into this thing looking in all the wrong places?
Given a charged 12 V battery:
The car will go into drive mode.
The car will drive error free to the extent that the traction pack will permit.
AC and Heating both work fine.
The car will not charge off the standard port.
When the car is plugged in, it will not go into drive mode and the charge mode light is lit on the dashboard.
When the car is plugged in, the charge status indicator does not respond
The car does not attempt to charge the 12V battery.
All systems report correctly and error free to the OBD-II port and are observable in LeafSpy.
Trawling through the service manual does reveal that the only indication of an issue with the DCDC-JB which the car will provide, is the illumination of the traditional battery warning light on the dashboard. This only appears when the housekeeping battery is already in a depleted condition - it does not appear solely on account of the DCDC-JB not attempting to charge the thing; so the DCDC-JB failure indication is derivative based on the charge state of the housekeeping battery going low.
The DCDC-JB is not on CAN and consequently does not present any DTC's.
The Charge relays, normal and fast, are controlled externally. They do not require the DCDC-JB to close them, however the normal charge relays require that either the M/C relay is closed to provide power to their coils, or that this power is coming from Pin 12 on the OBC (as this link is not fused, I'm presently assuming the former to be the case and the latter to be a flag input). The FC relays requires the F/S Charge relay to be closed. Both of these actions are carried out by the VCM (assuming a functioning IPDM E/R in the case of the latter). I'm not going to discuss FC any farther as it's not relevant to me right now.
So, obviously, the VCM needs to know that the charge cable has been plugged in if it's to close the M/C relay. This could go a couple of ways and I've not looked around to see which it is just yet, but the following seems plausible (please correct me if I'm mistaken). The charger has a full time 12V supply at Pin 11 via F33. Connection to the charger on either port provokes an EV system activation request to the VCM. VCM responds by closing the M/C relay, hence powering the DCDC-JB and the Normal charge relay's. CAN messaging sorts out the fine print using ID 5BF (from canmsgs sheet). The charge indicator does appear on the dash which suggests that the OBC is powered and responsive as this is provoked by it directly activating the flag on the 'combination meter' when a plug connection is detected. However the Charge status indicator does not respond in any fashion which suggests that the VCM (which I'm assuming is fully functional) is not progressing the connection in any fashion. This could be on account of not receiving the appropriate handshake from the DCDC-JB Pin 10; and DCDC-JB Pin5 I suspect to be another flag pin, but I'm not sure which direction it's going.
Now, if the M/C relay wasn't working, then frankly f*ck all else would either so we can assume it's good and that the DCDC-JB is getting power (naturally I'll verify when I get properly stuck in). The next obvious failure mode would lie in the earth strap and this could certainly account for the the DCDC converter not working, and the VCM not receiving any flags from the DCDC-JB in general. It doesn't directly rule out activation of either set of charge relays as they appear to take their ground from the charger, so the only reason for the DCDC converter failure to be linked to non-charging is if the VCM isn't permitting the charger to do its thing because the DCDC-JB isn't playing ball.
Of course if it's not the earth strap then it's something internal to the DCDC-JB and the challenge becomes building a new controller for the switchgear within - which, right now, I'm assuming is all perfectly fine.
To this point another reasonable question is how do I know it's not the charger that's the problem - and to that I say, mostly because a non-functioning charger doesn't inhibit charging of the housekeeping battery from the traction pack. The follow up then is the possibility that both are knackered - and yes, this is possible however I would expect to see a related DTC in the case of the charger. I just replaced the IPDM E/R with a borrowed one following a related DTC and postmortem revealed all relays (including the internal ones) functioning correctly. The only sign of stress is an apparent scorch mark on a tantalum cap on the control board itself. I have a worry that this is related to the dying 12V battery and that there could be related failures in other systems, but as I say, the DTC list is clear of any relevant messages to suggest other problems so I'm proceeding on that basis.
So - can anybody find any gaping holes or obvious mistakes in that lot before I go tearing into this thing looking in all the wrong places?
Break it; Fix it; Repeat;
- celeron55
- Posts: 805
- Joined: Thu Jul 04, 2019 3:04 pm
- Location: Finland
- Has thanked: 39 times
- Been thanked: 136 times
- Contact:
Re: Leaf ZE0/Gen 1 DC-DC JB repair/alternatives
By a quick glance, the DC-DC looks to charge the 12V battery through a different main fuse than the other main fuse that's supplying power to almost everything. I'd triple check everything related to that.
- Extremetaz
- Posts: 54
- Joined: Thu Sep 19, 2019 9:35 am
- Location: Kildare, Ireland
- Been thanked: 1 time
- Contact:
Re: Leaf ZE0/Gen 1 DC-DC JB repair/alternatives
Good shout Celeron - thanks.
Break it; Fix it; Repeat;
- Extremetaz
- Posts: 54
- Joined: Thu Sep 19, 2019 9:35 am
- Location: Kildare, Ireland
- Been thanked: 1 time
- Contact:
Re: Leaf ZE0/Gen 1 DC-DC JB repair/alternatives
So I got this far into the thing and it just up and decided to start charging again (spot the blue light).
..so I guess now I just wait for it to stop working again?... 
Break it; Fix it; Repeat;
- Extremetaz
- Posts: 54
- Joined: Thu Sep 19, 2019 9:35 am
- Location: Kildare, Ireland
- Been thanked: 1 time
- Contact:
Re: Leaf ZE0/Gen 1 DC-DC JB repair/alternatives
I did a runthrough of the pins while I was there - crap recording as it was more for my own records than general dissemination, however in case it's useful, it's available here: https://photos.app.goo.gl/hQRUhUv4tmceGEPi9.
For the record, I did check the charge port previously and it came up rosy so unless there's something intermittent in there... which admittedly is looking likely now.
For the record, I did check the charge port previously and it came up rosy so unless there's something intermittent in there... which admittedly is looking likely now.
Break it; Fix it; Repeat;