YA-HI (Yet Another Honda Inverter)

Beggernator
Posts: 40
Joined: Wed Dec 20, 2023 5:11 pm
Has thanked: 12 times
Been thanked: 28 times

Re: YA-HI (Yet Another Honda Inverter)

Post by Beggernator »

Ah thanks I hadnt thought of doing it that way, will give it a go.
Looking at your linked post was helpful.
Annoyingly I got several scope shots of spinning the motor by drill, but never saved them

I had another idea.
mount a fan or some other form of load that increases with rpm to the motor.
apply manual Id, apply manual Iq, measure speed. apply identical negative manual Iq mesure reverse speed. if there is a difference adjust Syncoffs.
This only works with an rpm dependent load.

I will try the current through the motor first as you suggest as that feels a bit more proper. will see how it goes.
jrbe
Posts: 766
Joined: Mon Jul 03, 2023 3:17 pm
Location: CT, central shoreline, USA
Has thanked: 362 times
Been thanked: 249 times

Re: YA-HI (Yet Another Honda Inverter)

Post by jrbe »

Beggernator wrote: Thu Aug 21, 2025 11:24 am I had another idea.
mount a fan or some other form of load that increases with rpm to the motor.
apply manual Id, apply manual Iq, measure speed. apply identical negative manual Iq mesure reverse speed. if there is a difference adjust Syncoffs.
This only works with an rpm dependent load.
I was thinking a water pump with an impeller that could spin either direction and a volute that works either way would be ideal to check each direction but may not be easy to find.
A motor with it's shaft coupled to your motor with it's phases shorted out, light bulbs / resistors between phases, or with a controller with variable regen could also work well.
arber333
Posts: 3795
Joined: Mon Dec 24, 2018 1:37 pm
Location: Slovenia
Has thanked: 166 times
Been thanked: 411 times
Contact:

Re: YA-HI (Yet Another Honda Inverter)

Post by arber333 »

jrbe wrote: Thu Aug 21, 2025 2:13 pm I was thinking a water pump with an impeller that could spin either direction and a volute that works either way would be ideal to check each direction but may not be easy to find.
A motor with it's shaft coupled to your motor with it's phases shorted out, light bulbs / resistors between phases, or with a controller with variable regen could also work well.
shorted phases may not be a good thing for starting the motor. on top of other things you would have to deal with the coupler too...

i would suggest a simple mechanical disk brake or drum brake from a small car.

other options would include small 3ph motor with 3phase bridge(or other inverter or ESC) so you can get DC and appropriate battery as load on the other end.
In doing so you can use current meter to get power as well...
Beggernator
Posts: 40
Joined: Wed Dec 20, 2023 5:11 pm
Has thanked: 12 times
Been thanked: 28 times

Re: YA-HI (Yet Another Honda Inverter)

Post by Beggernator »

I agree shorted phases will be hard.
for most load testing brakes are fine, but for doing my proposed method for syncoffs tuning the load needs to be identical between tests. friction based setups are hard to do with any repeatability.

I think easiest would be some form of squirrel cage fan. just stick it on. more rpm more airflow need more torq to achieve, gives the desired result. worst case a plank of wood churning up the air would also work, but I am not going to sit here and recommend people attach big bits of wood to a motor they cannot 100% control.

if I was going to go down the motor route I would probably put incandescent lightbulbs between phases. would give a similar rising torq with rpm response.

No idea if my proposed solution is a valid one anyway. in theory I don't see why it wouldn't work, (for symmetrical IPM motors anyway) its effectively a under motion version of the existing methods.

(edit, I thought about it for like 2 more seconds, any fan, blower or bladed will have a preferd direction. giving an efficiency inherent bias to one rotation direction, a thin plastic ruler or other flat object its probably best if using air as the resistance method. no bias then.)
Beggernator
Posts: 40
Joined: Wed Dec 20, 2023 5:11 pm
Has thanked: 12 times
Been thanked: 28 times

Re: YA-HI (Yet Another Honda Inverter)

Post by Beggernator »

So some findings from tonight's tuning session.

sync off tuned by running current through phase A confirmed 59450 as about bang on.
PXL_20250821_195220811.jpg
range of motion at pole was pretty big so marked the extremes and picked the midpoint.

Confirmed angle plot increases when turned in desired rotation. and it goes from 0 to 360 3 times per motor revolution. (3 pole motor, 3 pole resolver.) seems ok to me.

f max is still set at 200.

I understand the speed taking off as soon as it enters the field weakening region is normal but it getting stuck at max speed and not responding to regen commands. or disconnecting the forwards signal doesn't seem ideal. (sometimes stopped when reconnecting the forwards signal at really low sync advance nothing but cutting power stopped it.)

I have tried syncadvance settings from 6 to 20 and haven't noticed huge differences but it is still unloaded for now.
runs beautiful with field weakening disabled.
I guess priority for me is getting it in the vehicle. can test it better then. I suppose that or bolt a huge flywheel to it and strap it down.
Will think.
User avatar
johu
Site Admin
Posts: 7182
Joined: Thu Nov 08, 2018 10:52 pm
Location: Kassel/Germany
Has thanked: 552 times
Been thanked: 1914 times
Contact:

Re: YA-HI (Yet Another Honda Inverter)

Post by johu »

Beggernator wrote: Thu Aug 21, 2025 8:43 pm I understand the speed taking off as soon as it enters the field weakening region is normal but it getting stuck at max speed and not responding to regen commands. or disconnecting the forwards signal doesn't seem ideal
No that's definitely dodgy. Which version software?
Support R/D and forum on Patreon: https://patreon.com/openinverter - Subscribe on odysee: https://odysee.com/@openinverter:9
Beggernator
Posts: 40
Joined: Wed Dec 20, 2023 5:11 pm
Has thanked: 12 times
Been thanked: 28 times

Re: YA-HI (Yet Another Honda Inverter)

Post by Beggernator »

johu wrote: Sat Aug 23, 2025 2:31 am No that's definitely dodgy. Which version software?
Thanks for the reply.
I am on 5.35.R FOC master release, not tried the double sync advance park Clark editied one yet.
hubner inverter picture 3.PNG
hubner inverter picture 3.PNG (5.22 KiB) Viewed 4893 times
Attached is the current peramiters.

Not touched it since last tuning session as haven't come up with anything else to try.
Attachments
params (1).json
(1.63 KiB) Downloaded 84 times
Beggernator
Posts: 40
Joined: Wed Dec 20, 2023 5:11 pm
Has thanked: 12 times
Been thanked: 28 times

Re: YA-HI (Yet Another Honda Inverter)

Post by Beggernator »

Got garage a bit clear and got the test mule down off the wall.
PXL_20250825_211459323.jpg
PXL_20250825_215255255.jpg
It's an EX rental kart. The whole thing is 3mm steel so not going to be blisteringly fast. But probably better being sturdy given I will be mounting 2x 24s VW Passat modules on it.

Need to sort a lower seat mount and extend the steering shaft as I am 6'4 and fitting is not going to work otherwise
Beggernator
Posts: 40
Joined: Wed Dec 20, 2023 5:11 pm
Has thanked: 12 times
Been thanked: 28 times

Re: YA-HI (Yet Another Honda Inverter)

Post by Beggernator »

Bit more progress.

Got the pully off of the HSG. Man that was a fight. was a recall issued for the nuts coming loose. I think the fix was emptied a bottle of mystery goo into the threads. I was bending a 1 inch breaker bar.
PXL_20250828_221939228.jpg
PXL_20250828_221942472.jpg
PXL_20250828_221948651.jpg
Splines is not what i was expecting. i read somewhere about a non standard 2.5mm keyway.

I am attaching a rotax max drive sprocket to use existing kart chain drive HW.
I think best plan is cut up the existing pully to keep the spline drive and spacer. then weld the rotax sprocket on the end and turn up a spacer so the nut is at the same depth as before.
jrbe
Posts: 766
Joined: Mon Jul 03, 2023 3:17 pm
Location: CT, central shoreline, USA
Has thanked: 362 times
Been thanked: 249 times

Re: YA-HI (Yet Another Honda Inverter)

Post by jrbe »

Impressive progress so far!

You might be able to get a new hub machined / EDMed (or have the HSG pulley machined) so you can swap sprockets.
Is your 3d printer SLA / accurate enough to test print splines? Could go the laser cut sheet metal route too if needed.
Beggernator
Posts: 40
Joined: Wed Dec 20, 2023 5:11 pm
Has thanked: 12 times
Been thanked: 28 times

Re: YA-HI (Yet Another Honda Inverter)

Post by Beggernator »

Thanks. Starting to stray into build territory now :D

Sla printer is absolutely accurate enough to print splines. Just I'm kinda lazy.

Gearing isn't so bad. The axel sprocket is designed to be quick switch so won't have to swap the motor side one.

Rotax max kart engines rev to 14,500. The HSG is rated to 14,000 rpm so I have used a rotax front sprocket. Should match up well enough. Rotax engine is about 30hp but it's all top end. HSG at 20kw is fairly close. Worst case I get bored and put an outlander rear motor on instead. Really make the IMA inverter sweat.
PXL_20250828_221948651.jpg
PXL_20250829_154018555.jpg
PXL_20250829_211556400.jpg
PXL_20250829_211630685.jpg
I machined down the standard pulley. Sprocket fits perfect on the shaft. Will weld sprocket to standard pulley core. Rough machining was done by spinning motor without field weakening, and using an angle grinder.

Will do proper machining on a mini lathe but wanted to get the worst bit done first.
Beggernator
Posts: 40
Joined: Wed Dec 20, 2023 5:11 pm
Has thanked: 12 times
Been thanked: 28 times

Re: YA-HI (Yet Another Honda Inverter)

Post by Beggernator »

Hi, Mini update.

Chain drive is sorted. nut still has about 6mm of thread engagement not great but not terrible, as the loads will be lower then went running a micro Vbelt.
PXL_20250906_153939731.jpg
PXL_20250906_211907680.jpg
PXL_20250906_211915064.jpg
Need to sort driveshaft. it seems a bearing failed and then the shaft started spinning inside the bearing and ate away over a mm of shaft diameter. current plan is weld it up then grind it back concentric. if that doesn't work then new shaft.

Next step is motor mount. I am going to cut off the OEM HSG mount points as they are not concentric to the shaft.
I will instead use the tensioner and idler pully mounting points. with this sort of speed the chain must be very well aligned.

I still need help with odd motor behavior, but that can wait till it is all mounted and running the axel with a break so I can apply load to it.
Beggernator
Posts: 40
Joined: Wed Dec 20, 2023 5:11 pm
Has thanked: 12 times
Been thanked: 28 times

Re: YA-HI (Yet Another Honda Inverter)

Post by Beggernator »

Not much progress this weekend as I was pit crew for a relative at brands hatch.

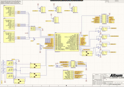
Have had some questions come in around the adapter board I did so figured I would post here to make it easily accessible.

The below images are of the V1 version that I had made. there are some changes I will make if I ever decide to do a rev 2 of the board.
v1 pcb layout.JPG
v1 interconnect schematic.JPG
so things of note, firstly it does not need that many 12v capacitors, I would probably keep the one by the mini mainboard and the one by the IMA inverters feed in the top left. ditch the rest.

secondly I had it setup so you could select which current sensors you wanted by soldering a bridge across the jumpers. Not worth it I will ditch this in favor of permanently having 1 and 2 connected.

thirdly D1 is to prevent the 12v battery connection from backfeeding into where I am connecting a dcdc converter. I will remove this in favor of a harness mounted one in future. it is easy enough for someone to bridge or leave empty of they do not need the additional connection.

(edit: reminder to put SD card slot and RTC on v2, CAN debug, flashing, and logging, should still work on v1.)

Hope this helps.
Tom
User avatar
J0hannes
Posts: 159
Joined: Sat Nov 11, 2023 10:29 am
Location: Finland
Has thanked: 21 times
Been thanked: 182 times

Re: YA-HI (Yet Another Honda Inverter)

Post by J0hannes »

I've been reading on ways to convert Mentor PADS projects to KiCAD. Turns out most promising method is to use Altium as it can import the PADS projects when they are firs exported in ASCII format. KiCAD can read Altium project natively.

A colleague at work showed me quick how nicely KiCAD opens a native Altium project, at first glance there was really no problems at all! Same can't be said on importing a PADS project to Altium, all sorts repair needed before one can use the design...

So if you eventually would want to share the design files for this, you don't have to necessarily do anything overly complicated to have an accessible KiCAD project of your design :)
Beggernator
Posts: 40
Joined: Wed Dec 20, 2023 5:11 pm
Has thanked: 12 times
Been thanked: 28 times

Re: YA-HI (Yet Another Honda Inverter)

Post by Beggernator »

That's really good to hear, I haven't experimented with exporting different formats from Altium. only importing of various types when we adopted Altium a while ago.

Will try and do a test export when I get a free moment. longer term test I would be looking at a possible revision of the mini mainboard. probably when it too cold to be out in the garage.
I would give that its own thread to discuss options / apatite first. more vs less VCU functions ect. connector pinouts, so on.


Now back to progress I have made with the test mule.
dead_shaft.jpg
Issue I faced with the existing shaft. clearly bearing locked up at some point and the shaft became easier to turn then the bearing did, I suspect it was like this for some time as it was nearly 2mm of steel eroded.
PXL_20250917_181747140.jpg
My excellent welding. tried to rotate the shaft 180 degrees every time to keep the heat stress equal. mostly worked, was a tiny bend to the finished article. quenched then tempered it back to blue so hopefully the shaft doesn't just crack at the first big bump.
ground_shaft.jpg
I wanted to put it on a lathe but the only one I have access too that is big enough was down for maintenance. so I put it back on the kart and used a drill to spin it over while using a belt grinder, test fits and some hand finishing got it to a solid "good enough" state. no play in the bearing and appears to run true.
PXL_20250920_213232318.jpg
Last but not least. motor mounted, chain tight. ready for some load testing, motor mount will get some less bad welds when I get some gas for my MiG. I must admit I never quite got the muscle memory for stick welding, its like TIG but the electrode runs away from you the whole time you are welding.

Will try and get the inverter mounted and some proper phase connections sorted this week and some more test spins can start happening.
I think the current phase connections have more resistance and inductance then the motor itself.

Thanks for the help so far. I will probably need more once the motor is spinning again.
Beggernator
Posts: 40
Joined: Wed Dec 20, 2023 5:11 pm
Has thanked: 12 times
Been thanked: 28 times

Re: YA-HI (Yet Another Honda Inverter)

Post by Beggernator »

Update.



Thing does things.

I do need some support now tho.

Still doing the field weakening runaway thing.
Also seems to have it's speed artificially capped. If I crank the throttle the speed jumps up then tapers back down.

The critical speed is fairly fast on this motor so I wonder if trying to bring the field weakening in to early is causing issues.
(The video was with field weakening disabled)
Beggernator
Posts: 40
Joined: Wed Dec 20, 2023 5:11 pm
Has thanked: 12 times
Been thanked: 28 times

Re: YA-HI (Yet Another Honda Inverter)

Post by Beggernator »

So I have been doing some digging. anything that might help get a bigger picture of the HSG motor.

It seems that when running a bus voltage of 160v the critical speed is around 2500 mechanical RPM.

I am currently running 98V so roughly I should expect 1520RPM to be my critical speed.

Converting this to Hz: The motor has 3 pole pairs so I would do 1520 X 3 for 4560 E-RPM then / 60 for 76 Hz
searching online leads me to this: Fundamental Frequency = Mechanical Speed * pole count / 120 which also gives a result of 76 Hz

The motor mechanical limit is around 14000 rpm, the chain is used regularly past 15000 on 2 stroke karts. for safety I will start at 12000 RPM and work up.
This gives a max frequency of 600Hz, currently it is set to 200 in the inverter parameters as, well, I have to stand next to the thing.

the next key motor parameters are Ld=0.0006, Lq=0.0015. and λ=0.053 (units: Henries, Volt-seconds(webbers))

using this I set the open inverter parameters to: "lqminusld": 0.81, "fluxlinkage": 53,

thats the end of what I am confident / happy with.

Modmax, what the hell is this? its not listed in https://openinverter.org/wiki/Parameters currently mine is set to 37836
as I understand it it is key to the field weakening control.
"Field weakening is brought in at modmax-vlimmargin. Increase if you get short bursts of unwanted regen at speed"

Both my modmax and vlimmargin are still at defaults. 37836, and 2500 respectively theoretically giving a field weakening value of 35,336 what unit it is or what that represents I have no clue.

iqkp and idkp are set to 64 and 128 based on some table I found that seemed to suggest I could go up to around 2000 and 4000 on them for my motor inductance and voltage but I decided to only increase them a bit above default. the behavior didn't change with the different values so not sure it affects it.

something a bit odd that i noticed was that adding manual id with manual iq at about 25 seemed to make the motor slow down not speed up as one would expect from injecting d current, its possible this was because the motor was spinning well under its critical speed. its outside my expertise really.

So yeah any help greatly appreciated.
User avatar
johu
Site Admin
Posts: 7182
Joined: Thu Nov 08, 2018 10:52 pm
Location: Kassel/Germany
Has thanked: 552 times
Been thanked: 1914 times
Contact:

Re: YA-HI (Yet Another Honda Inverter)

Post by johu »

Beggernator wrote: Thu Oct 02, 2025 11:06 am Modmax, what the hell is this?
This can be used to obtain what is called "overmodulation". Anything over the default will result in a "flat-top" sine wave. It achieves slightly higher AC voltage at the cost of slightly more motor losses. And that means also slightly higher base speed without field weakening. I think on Prius I ran this at 41000 or so with no obvious adverse effects.
So 37836 could be considered "100%" in other words.
Beggernator wrote: Thu Oct 02, 2025 11:06 am that adding manual id with manual iq at about 25
Did you add positive or negative manualid? Only negative helps.

vlimmargin is the amplitude at which field weakening current is brought in. The further away this is from modmax the earlier and more gradual FW is kicking in.
Support R/D and forum on Patreon: https://patreon.com/openinverter - Subscribe on odysee: https://odysee.com/@openinverter:9
Beggernator
Posts: 40
Joined: Wed Dec 20, 2023 5:11 pm
Has thanked: 12 times
Been thanked: 28 times

Re: YA-HI (Yet Another Honda Inverter)

Post by Beggernator »

Ah big thanks,
so I will probably leave modmax be for now.

in theory I could increase vlimmargin for later field weakening. but it would also come in quicker. will probably leave it as is till I have exhausted other options.

good to know id should be negative. that would explain it slowing down not speeding up when i entered positive id.
Post Reply