Lexus GS450H VCU Support Thread

Topics concerning the Toyota and Lexus inverter drop in boards
Locked
Jackk
Posts: 57
Joined: Thu Dec 17, 2020 6:29 pm
Has thanked: 3 times
Been thanked: 2 times

Re: Lexus GS450H VCU Support Thread

Post by Jackk »

Jack Bauer wrote: Sat Jan 16, 2021 9:46 am Folks , thanks for posting about these issues. I'm upset to see the ends some of you are going to get this vcu up and running. It is true that the v7 code is specifically tailored to run in my E65 project but the earlier versions on github are much more generic and way more suited to getting things spinning. So before putting in any more hard work please give me a few days to do the following :
1)Adapt one of the earlier code versions to work with simple direction inputs (12v) and an analog throttle.
2)Make a video showing how to set this up from scratch on the bench.

Sound good?
Marvellous thanks so much!
TonyV
Posts: 87
Joined: Sat Nov 14, 2020 9:00 pm
Location: Toronto
Has thanked: 1 time
Been thanked: 12 times
Contact:

Re: Lexus GS450H VCU Support Thread

Post by TonyV »

EXCELLENT!!!! that would be awesome!


But, if its possible here are a couple requests for the video,

1. would it be possible to show a wiring diagram for the 450H VCU. (I'm using the one that one of the members put together but I not sure if its 100% correct)
2. how to program the ESP8266. i don't recall seeing this part in the prius programing video
3. fix the issue with web interface. (MG2 stuck at 9000rpm)
4. sequence of operation (what state the inputs need to be in so the VCU can control the inverter, IN1, IN2, Brake Light Switch, Throttle1, Throttle2,) and anything else that you could think of that might prevent inverter to operate)
5. explain the purpose of the following pins (HSDN, GI, ILKO, CE1, CB1 on the inverter) You mentioned some of these are not required but what do we do with them?
6.are both throttle signals needed?

I probably sound like a ass for asking for this but I'm struggling, as I'm sure many others are also.
This will help us better understand how the inverter and VCU work.

Thanks again for your and everyone else's hard work!
BTW I'm your newest Patreon memeber. :)
TonyV
I'll figure this out sooner or later
User avatar
Jack Bauer
Posts: 4000
Joined: Wed Dec 12, 2018 5:24 pm
Location: Ireland
Has thanked: 153 times
Been thanked: 1116 times
Contact:

Re: Lexus GS450H VCU Support Thread

Post by Jack Bauer »

Ok I've worked out the guts of a simple little serial menu system to allow setup and configuration. No programming required. Just a usb cable , pc or laptop, any operating system with a serial terminal. Its super simple (as dictated by my programming skills!) and should get people off the ground.

To answer the questions asked :

1. would it be possible to show a wiring diagram for the 450H VCU. (I'm using the one that one of the members put together but I not sure if its 100% correct)
I'm afraid I don't have any more than what is on the wiki. In fact I used this myself about a week ago to wire up a test setup for the new vcu development. Can't help on this I'm afraid as my drawing skills are worse than my software!

2. how to program the ESP8266. i don't recall seeing this part in the prius programing video
I can show that. Its a little messy to be honest. There is a good explanation here : viewtopic.php?f=5&t=8
An easier approach for those affected and unable to reprogram easily would be an exchange. I'll send you a new one with the corrected firmware and you return the original and I can recycle these out to others affected.

3. fix the issue with web interface. (MG2 stuck at 9000rpm)
I need to get to the bottom of this myself as its the same as I have used in the E65 so something somewhere has gotten broken.

4. sequence of operation (what state the inputs need to be in so the VCU can control the inverter, IN1, IN2, Brake Light Switch, Throttle1, Throttle2,) and anything else that you could think of that might prevent inverter to operate)
Will do.

5. explain the purpose of the following pins (HSDN, GI, ILKO, CE1, CB1 on the inverter) You mentioned some of these are not required but what do we do with them?
Unused pins just ignore. Tape them up and forget about them. The only one that may be of use is HSDN (Hybrid Shuntdown). Pulling this to 12v I seem to remember shuts down the inverter but leaves the comms running.

6.are both throttle signals needed?
No. All of the current software versions operate on 1 input.
Attachments
2021-01-16 15.12.39.jpg
I'm going to need a hacksaw
TonyV
Posts: 87
Joined: Sat Nov 14, 2020 9:00 pm
Location: Toronto
Has thanked: 1 time
Been thanked: 12 times
Contact:

Re: Lexus GS450H VCU Support Thread

Post by TonyV »

Thanks.....AGAIN!
I'll figure this out sooner or later
nkiernan
Posts: 589
Joined: Mon Feb 24, 2020 8:59 pm
Location: Ireland
Has thanked: 514 times
Been thanked: 95 times

Re: Lexus GS450H VCU Support Thread

Post by nkiernan »

Jackk and TonyV,

I see Jack Bauer is on the case and helping you guys out. As I'd already said I'd share the CAN sketch I'm sharing a link to the file on github. However, as JB said,better to follow his instruction and start from the basics.

https://github.com/nbk1202/GS450H-EV-Pr ... ol-For-VCU

My intention in creating the CAN sketch was to learn about reading and writing CAN messages and to test communicating between different nodes, so was more a learning tool.

Jack Bauer,
For the ESP gauges issue, I tried to add the relevant file to your GS450H wifi repository but it wouldn't transfer, could be me being new to Github or maybe still some access restrictions.
TonyV
Posts: 87
Joined: Sat Nov 14, 2020 9:00 pm
Location: Toronto
Has thanked: 1 time
Been thanked: 12 times
Contact:

Re: Lexus GS450H VCU Support Thread

Post by TonyV »

Thanks nkiernan!
I haven't really heard or care for CAN , Arduinos, IGBT's, Inverters, Converters, Buck, Boost, yada, yada, yada, until I started following this group about 6 months ago.
But I'm quickly picking things up with the help of people like you and this community.

So every little bit helps...


TonyV
I'll figure this out sooner or later
User avatar
Jack Bauer
Posts: 4000
Joined: Wed Dec 12, 2018 5:24 pm
Location: Ireland
Has thanked: 153 times
Been thanked: 1116 times
Contact:

Re: Lexus GS450H VCU Support Thread

Post by Jack Bauer »

No worries and thanks for trying. Not exactly a github expert myself. I'll muddle through and we should be all set.
I'm going to need a hacksaw
xp677
Posts: 442
Joined: Sat Jul 27, 2019 10:53 am
Location: UK
Has thanked: 1 time
Been thanked: 15 times

Re: Lexus GS450H VCU Support Thread

Post by xp677 »

TonyV wrote: Sat Jan 16, 2021 3:26 pm 5. explain the purpose of the following pins (HSDN, GI, ILKO, CE1, CB1 on the inverter) You mentioned some of these are not required but what do we
This should be covered in the wiki?

HSDN - high voltage shutdown - pull to 12v to shut down the inverter power stage, pull to ground or leave connected to use the inverter.
GI - engine speed from the GS450h combustion engine. Not used.
ILKI / ILKO - interlock signal for the various covers over high voltage components in the GS450h (fuse, service plug, etc). These signals are sent to the HVECU in the GS450h, they are not used by the inverter.
CE1, CB1 - these do not exist. I'm not sure what you're talking about. Maybe they are on the Camry inverter?
User avatar
mdrobnak
Posts: 692
Joined: Thu Mar 05, 2020 5:08 pm
Location: Colorado, United States
Has thanked: 1 time
Been thanked: 5 times

Re: Lexus GS450H VCU Support Thread

Post by mdrobnak »

Do we have any information on the GI signal? I'm curious as to how that's used (and may be relevant since I plan on making a hybrid with this gearbox).

Thanks.

-Matt
TonyV
Posts: 87
Joined: Sat Nov 14, 2020 9:00 pm
Location: Toronto
Has thanked: 1 time
Been thanked: 12 times
Contact:

Re: Lexus GS450H VCU Support Thread

Post by TonyV »

CE1, CB1 - these do not exist. I'm not sure what you're talking about. Maybe they are on the Camry inverter?
I was pretty sure that these weren't required for the VCU or Inverter but, I was running out of options trying to figure out why the transmission wasn't turning.
This should be covered in the wiki?

HSDN - high voltage shutdown - pull to 12v to shut down the inverter power stage, pull to ground or leave connected to use the inverter.
GI - engine speed from the GS450h combustion engine. Not used.
ILKI / ILKO - interlock signal for the various covers over high voltage components in the GS450h (fuse, service plug, etc). These signals are sent to the HVECU in the GS450h, they are not used by the inverter.
CE1, CB1 - these do not exist. I'm not sure what you're talking about. Maybe they are on the Camry inverter?
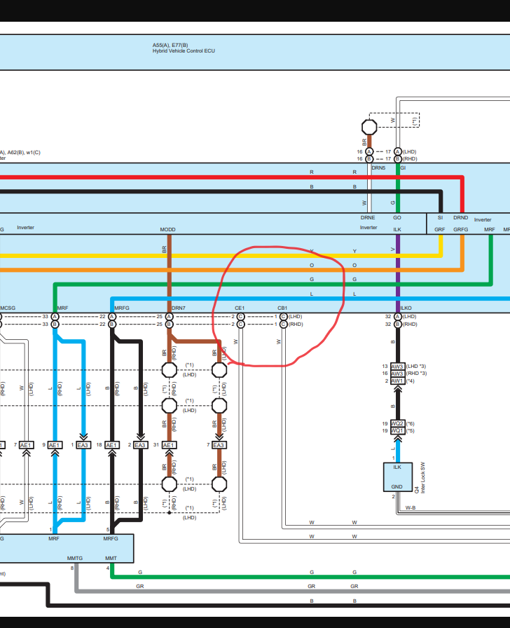
I just doubled checked the wiki and did not see this info there.
So...I vote "YES" to have this info added. :)

Image was taken from the GS450H Wiki
Attachments
CE1_CB1.png
I'll figure this out sooner or later
User avatar
Jack Bauer
Posts: 4000
Joined: Wed Dec 12, 2018 5:24 pm
Location: Ireland
Has thanked: 153 times
Been thanked: 1116 times
Contact:

Re: Lexus GS450H VCU Support Thread

Post by Jack Bauer »

Ok I was able to reproduce the wifi problem here on the bench. Funny thing is just replacing solid-gauge.js didnt fix it. So I pulled down the files from github, added the same sold-gauge.js to them and now it works. I cannot fathom what happened here or how my local files got broken in this specific way but I can now confirm the files on github are working fully :
https://github.com/damienmaguire/Lexus- ... aster/WiFi

As stated earlier, anyone uncomfortable with the wifi reprogramming contact me off line and we'll arrange an exchange module as this is clearly my mistake.

Few more hours on the vcu firmware and we should be good to go for a bench test and super boring demo video tomorrow:)
I'm going to need a hacksaw
User avatar
Jack Bauer
Posts: 4000
Joined: Wed Dec 12, 2018 5:24 pm
Location: Ireland
Has thanked: 153 times
Been thanked: 1116 times
Contact:

Re: Lexus GS450H VCU Support Thread

Post by Jack Bauer »

I have edited the wiki page with a description of the new simple menu driven firmware. Please have a read. I will bench test and shoot a video on this tomorrow at which time the firmware will be available on Github.
https://openinverter.org/wiki/Lexus_GS450h_Inverter
I'm going to need a hacksaw
Greenbeast
Posts: 115
Joined: Sat Dec 26, 2020 5:44 pm

Re: Lexus GS450H VCU Support Thread

Post by Greenbeast »

I don't have any hardware, but that reads well and straightforward.
TonyV
Posts: 87
Joined: Sat Nov 14, 2020 9:00 pm
Location: Toronto
Has thanked: 1 time
Been thanked: 12 times
Contact:

Re: Lexus GS450H VCU Support Thread

Post by TonyV »

I agree with Greenbeast, easy read and straight forward.

I just need to figure out the "connect at 115200,8,N,1" part of it. :?
I'll figure this out sooner or later
Greenbeast
Posts: 115
Joined: Sat Dec 26, 2020 5:44 pm

Re: Lexus GS450H VCU Support Thread

Post by Greenbeast »

TonyV wrote: Sun Jan 17, 2021 4:40 pm I agree with Greenbeast, easy read and straight forward.

I just need to figure out the "connect at 115200,8,N,1" part of it. :?
Google "serial connection on windows" (assuming you're on windows)
Jackk
Posts: 57
Joined: Thu Dec 17, 2020 6:29 pm
Has thanked: 3 times
Been thanked: 2 times

Re: Lexus GS450H VCU Support Thread

Post by Jackk »

Thanks so much JB for finding the time to do this. I have read the wiki and it all looks marvellous!

Just wanted to ask.... you mentioned there is no contactor control what exactly does this mean? are we talking about no pre-charge control and just the one contactor if so how would you recommend we sort out pre-charge?

And lastly with this new firmware can I still keep my current wiring which has followed the v2.4 wiring diagram …basically are all the pinouts still the same on the vcu with the latest firmware?

Many thanks again. amazed how quickly you put that together!!
User avatar
Jack Bauer
Posts: 4000
Joined: Wed Dec 12, 2018 5:24 pm
Location: Ireland
Has thanked: 153 times
Been thanked: 1116 times
Contact:

Re: Lexus GS450H VCU Support Thread

Post by Jack Bauer »

Well folks this one turned it to a bit more of a tour de force than expected. One of the reasons I had not posted any video to youtube recently was down to changes in their terms of service. Well, when I went to upload the firmware tutorial today it seems to be having a bad hair day. Emailing the "support" just gets a canned response.
Nothing like a crises to force change so the firmware tutorial is now processing on Vimeo :

The new firmware is available on Github following successful testing on the bench: https://github.com/damienmaguire/Lexus- ... 3_user.ino

I have also updated the wiki with various links.
I'm going to need a hacksaw
nkiernan
Posts: 589
Joined: Mon Feb 24, 2020 8:59 pm
Location: Ireland
Has thanked: 514 times
Been thanked: 95 times

Re: Lexus GS450H VCU Support Thread

Post by nkiernan »

Phenomenal work Jack Bauer, looking forward to going through this and doing some testing :D
xp677
Posts: 442
Joined: Sat Jul 27, 2019 10:53 am
Location: UK
Has thanked: 1 time
Been thanked: 15 times

Re: Lexus GS450H VCU Support Thread

Post by xp677 »

TonyV wrote: Sun Jan 17, 2021 1:23 am Image was taken from the GS450H Wiki
Those are probably the 288v DC cables from the battery? I don't have access to the full schematic right now. Either way, they are not present on the control connector for the inverter.
User avatar
Gigas
Posts: 86
Joined: Mon Nov 09, 2020 6:30 pm
Been thanked: 2 times

Re: Lexus GS450H VCU Support Thread

Post by Gigas »

wow that is one of your best videos! Thank you so much - just a quick question and pardon my ignorance but when you say firmare , do you mean just the latest version of the program you load to the VCU?
What was I doing?
User avatar
mdrobnak
Posts: 692
Joined: Thu Mar 05, 2020 5:08 pm
Location: Colorado, United States
Has thanked: 1 time
Been thanked: 5 times

Re: Lexus GS450H VCU Support Thread

Post by mdrobnak »

Yes. Firmware is usually considered 'software to run devices' as in theory it doesn't change very often - hence, not soft, but firm. :)

-Matt
zaphodbb
Posts: 4
Joined: Fri Dec 04, 2020 4:38 pm

Re: Lexus GS450H VCU Support Thread

Post by zaphodbb »

Hi Damien,

Sorry for not pointing this out/asking earlier - but you firmware video has jogged my memory: I received one of your 450 boards just before Xmas (thank you) and noticed that IC 10 was missing (same as the board in the video) so ordered some from Farnell. Totally forgot about it what with Xmas etc. - is IC10 needed?
User avatar
Jack Bauer
Posts: 4000
Joined: Wed Dec 12, 2018 5:24 pm
Location: Ireland
Has thanked: 153 times
Been thanked: 1116 times
Contact:

Re: Lexus GS450H VCU Support Thread

Post by Jack Bauer »

No worries. IC10 is a high side switch for controlling the gearbox shift pressure solenoid. It was out of stock everywhere at the time of manufacture so not fitted to some kits. As we use the electric oil pump anyway and control oil pressure via controlling its speed the part is not used in the current vcu.
I'm going to need a hacksaw
TonyV
Posts: 87
Joined: Sat Nov 14, 2020 9:00 pm
Location: Toronto
Has thanked: 1 time
Been thanked: 12 times
Contact:

Re: Lexus GS450H VCU Support Thread

Post by TonyV »

Can I get a WOOT WOOT!

After LOTS of trail and error finally got the transmissions to do "Spiny Things"!

Lot of wiring connections because I did not have any part of the wire harness which at the time when I bought the inverter and trans, I didn't think it was a big deal, man I was wrong on that one. And I'm an electrician. :o
Also a big hurtle for me was trying to figure out the programing part of this whole deal, especially the firmware change. (Arduinos, STM32's, Sketches, libraries, com ports, yada, yada, yada.
My head is still spinning!

Special thanks Damien for your latest Video,

here is a short clip.
I'll figure this out sooner or later
User avatar
Jack Bauer
Posts: 4000
Joined: Wed Dec 12, 2018 5:24 pm
Location: Ireland
Has thanked: 153 times
Been thanked: 1116 times
Contact:

Re: Lexus GS450H VCU Support Thread

Post by Jack Bauer »

Fantastic!
I'm going to need a hacksaw
Locked