BMW i3 CCS/charge port controller

Development and discussion of fast charging systems eg Chademo , CCS etc
Post Reply
paaa
Posts: 211
Joined: Fri Dec 06, 2019 8:59 pm
Location: Dublin & Kilkenny Ireland
Has thanked: 2 times
Been thanked: 13 times
Contact:

Re: BMW i3 CCS/charge port controller

Post by paaa »

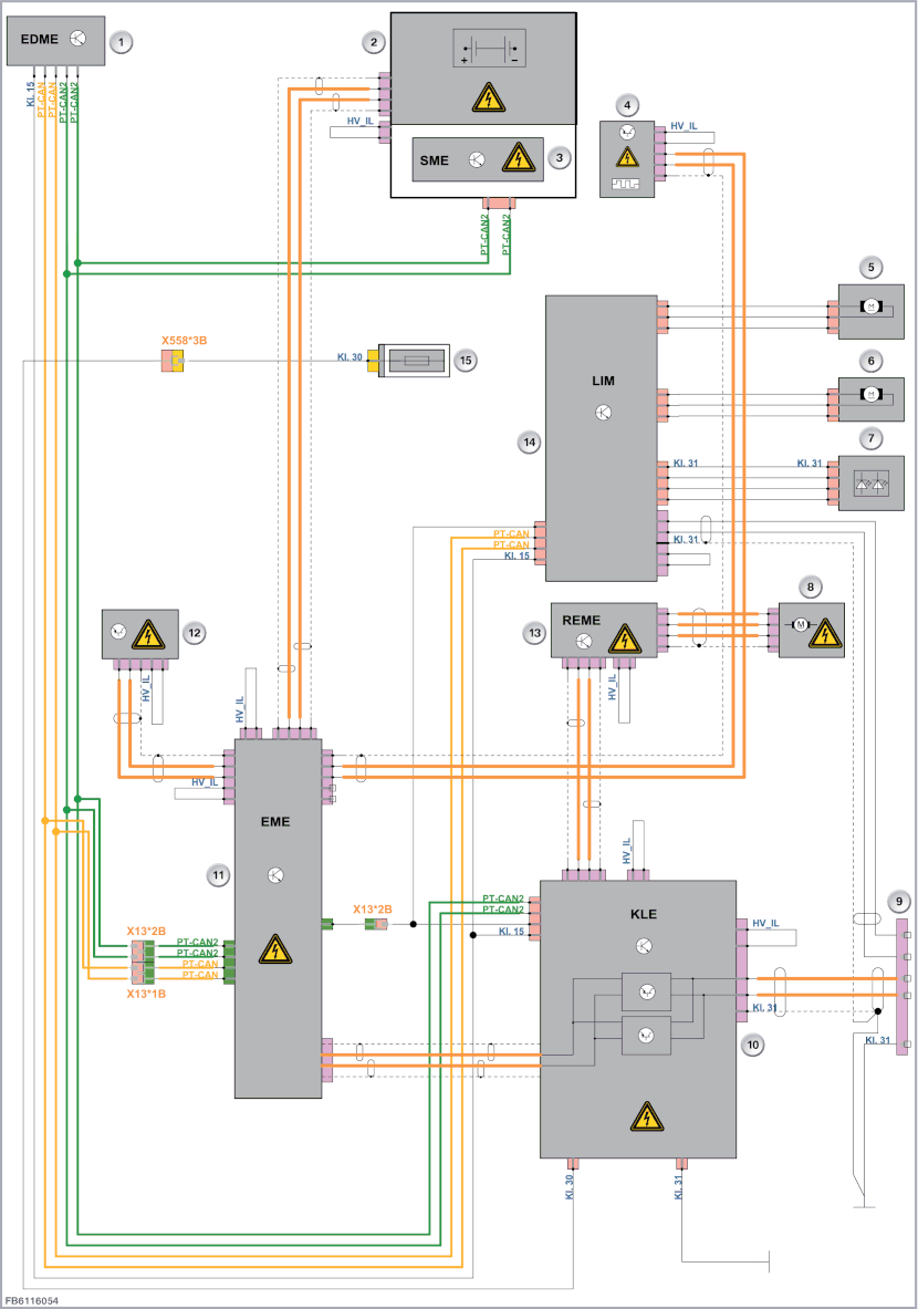
You could try this location as LIM seems to be on PT CAN 1 but only PT Can 2 seems shown here. Or hopefully PT can 1can be found at this location too.
User avatar
Jack Bauer
Posts: 4000
Joined: Wed Dec 12, 2018 5:24 pm
Location: Ireland
Has thanked: 153 times
Been thanked: 1115 times
Contact:

Re: BMW i3 CCS/charge port controller

Post by Jack Bauer »

Anything happening here?
I'm going to need a hacksaw
User avatar
Jack Bauer
Posts: 4000
Joined: Wed Dec 12, 2018 5:24 pm
Location: Ireland
Has thanked: 153 times
Been thanked: 1115 times
Contact:

Re: BMW i3 CCS/charge port controller

Post by Jack Bauer »

Right, time for a little update. Seems we have been doing a bit of a wild goose chase. The LIM is connected to PT-CAN1 which is not the one being shown in the videos. The PT-CAN one connects to the LIM , EME(inverter) and EDME(ev ecu) only. The edme is located in the left front wheel arch behind the liner. So the only places to get to PT-CAN1 are at those 3 modules. The battle continues. Just ordered an edme from a breaker (pictured) ao if I have to rebuild a f*&king i3 in my shed from parts to get a can log I will :D
Attachments
WhatsApp Image 2021-05-19 at 14.13.24.jpeg
1VnZCHTTOX.png
I'm going to need a hacksaw
User avatar
cloudy
Posts: 210
Joined: Wed Oct 02, 2019 12:15 am
Location: UK
Been thanked: 7 times

Re: BMW i3 CCS/charge port controller

Post by cloudy »

Wish I was in a position to help grab them - your perseverance does not go unappreciated!
User avatar
Jack Bauer
Posts: 4000
Joined: Wed Dec 12, 2018 5:24 pm
Location: Ireland
Has thanked: 153 times
Been thanked: 1115 times
Contact:

Re: BMW i3 CCS/charge port controller

Post by Jack Bauer »

Update : Seems PT-CAN1 goes to the car via connector X558 3B under the bonnet. Could be an easy point to get access by back probing the connector.

Update 2 : Wire colours. RED=PT-CAN-L , Blue/RED = PT-CAN-H
Attachments
WhatsApp Image 2021-05-19 at 14.46.56.jpeg
WhatsApp Image 2021-05-19 at 14.41.08.jpeg
WhatsApp Image 2021-05-19 at 14.40.32.jpeg
I'm going to need a hacksaw
User avatar
Jack Bauer
Posts: 4000
Joined: Wed Dec 12, 2018 5:24 pm
Location: Ireland
Has thanked: 153 times
Been thanked: 1115 times
Contact:

Re: BMW i3 CCS/charge port controller

Post by Jack Bauer »

Depending on model may be on X558 1b pins 5 and 6 as pictured.
Attachments
WhatsApp Image 2021-05-19 at 15.08.06.jpeg
I'm going to need a hacksaw
User avatar
Jack Bauer
Posts: 4000
Joined: Wed Dec 12, 2018 5:24 pm
Location: Ireland
Has thanked: 153 times
Been thanked: 1115 times
Contact:

Re: BMW i3 CCS/charge port controller

Post by Jack Bauer »

While waiting for some can logs I decided to pop off that shielding can in the lim at take a look at what might be inside...
Attachments
2021-05-20 13.15.03.jpg
2021-05-20 13.14.57.jpg
2021-05-20 13.14.38.jpg
I'm going to need a hacksaw
User avatar
johu
Site Admin
Posts: 7182
Joined: Thu Nov 08, 2018 10:52 pm
Location: Kassel/Germany
Has thanked: 552 times
Been thanked: 1913 times
Contact:

Re: BMW i3 CCS/charge port controller

Post by johu »

No additional host processor? I'm sure there is a Tricore on the underside :)
Support R/D and forum on Patreon: https://patreon.com/openinverter - Subscribe on odysee: https://odysee.com/@openinverter:9
User avatar
Jack Bauer
Posts: 4000
Joined: Wed Dec 12, 2018 5:24 pm
Location: Ireland
Has thanked: 153 times
Been thanked: 1115 times
Contact:

Re: BMW i3 CCS/charge port controller

Post by Jack Bauer »

Only 2 core it seems : viewtopic.php?p=19851#p19851
Attachments
bmwcpc.png
I'm going to need a hacksaw
User avatar
Jack Bauer
Posts: 4000
Joined: Wed Dec 12, 2018 5:24 pm
Location: Ireland
Has thanked: 153 times
Been thanked: 1115 times
Contact:

Re: BMW i3 CCS/charge port controller

Post by Jack Bauer »

Always the hard way. Spent the morning running the big 50mm sq cables under the grey goose to the fc junctions box. Then decided to have a look at the little hv sense board from the KLE. Instead of a nice 0-5v signal it just sat there at 11v. No amount of varying the hv input would budge it. Some time later I discover its not a voltage output but rather a current output! The input on the LIM measures 476R to ground. Connected a 470R resistor between the output of the sense board and ground and there we are. So, the LIM doesn't want to see a voltage proportional to the HV input on the CCS side but rather a current.
Attachments
2021-05-22 14.25.30.jpg
2021-05-22 14.25.19.jpg
2021-05-22 14.25.12.jpg
2021-05-22 14.25.08.jpg
I'm going to need a hacksaw
User avatar
Jack Bauer
Posts: 4000
Joined: Wed Dec 12, 2018 5:24 pm
Location: Ireland
Has thanked: 153 times
Been thanked: 1115 times
Contact:

Re: BMW i3 CCS/charge port controller

Post by Jack Bauer »

Few quick measurements with the sense board connected to the LIM.
Attachments
2021-05-22 15.05.34.jpg
2021-05-22 15.05.12.jpg
2021-05-22 15.02.24.jpg
I'm going to need a hacksaw
jon volk
Posts: 574
Joined: Wed Apr 10, 2019 7:47 pm
Location: Connecticut
Been thanked: 3 times

Re: BMW i3 CCS/charge port controller

Post by jon volk »

Damnit Damien
8FEE7C29-1D88-4A87-B5A1-F8E871F71ED1.jpeg
Formerly 92 E30 BMW Cabrio with Tesla power
User avatar
Jack Bauer
Posts: 4000
Joined: Wed Dec 12, 2018 5:24 pm
Location: Ireland
Has thanked: 153 times
Been thanked: 1115 times
Contact:

Re: BMW i3 CCS/charge port controller

Post by Jack Bauer »

Sorry Jon:) CCS for the E30?
I'm going to need a hacksaw
jon volk
Posts: 574
Joined: Wed Apr 10, 2019 7:47 pm
Location: Connecticut
Been thanked: 3 times

Re: BMW i3 CCS/charge port controller

Post by jon volk »

Jack Bauer wrote: Sun May 23, 2021 5:48 pm Sorry Jon:) CCS for the E30?
Yea, that’s what I’m thinking. Never got around to Chademo and that seems to be dying out around here.

Strange using a BMW part on the car these days 😂
Formerly 92 E30 BMW Cabrio with Tesla power
User avatar
Jack Bauer
Posts: 4000
Joined: Wed Dec 12, 2018 5:24 pm
Location: Ireland
Has thanked: 153 times
Been thanked: 1115 times
Contact:

Re: BMW i3 CCS/charge port controller

Post by Jack Bauer »

Setup a repo to start pulling all this together :
https://github.com/damienmaguire/BMW-i3-CCS

Also got a 2017 LIM and EMDE from the same car. CAN logs on the repo. First finding :
id 0x512 dlc 8 time 640ms 0x00 0x00 0x00 0x00 0xfe 0x00 0x00 0x12
Wake up id. Sending this causes lim to constantly send its ids.
Attachments
2021-05-24 09.36.17.jpg
I'm going to need a hacksaw
User avatar
Jack Bauer
Posts: 4000
Joined: Wed Dec 12, 2018 5:24 pm
Location: Ireland
Has thanked: 153 times
Been thanked: 1115 times
Contact:

Re: BMW i3 CCS/charge port controller

Post by Jack Bauer »

Pleased to say we have the first batch of logs now on the repo from AC charging :)

LIM ids 0x272 , 0x337 , 0x390 , 0x3b4 and 0x514
I'm going to need a hacksaw
mikeselectricstuff
Posts: 120
Joined: Sun Nov 08, 2020 11:33 am
Been thanked: 2 times

Re: BMW i3 CCS/charge port controller

Post by mikeselectricstuff »

Did you try giving it a 5% PWM CP signal so it thinks a CCS rapid wants to play?
User avatar
Jack Bauer
Posts: 4000
Joined: Wed Dec 12, 2018 5:24 pm
Location: Ireland
Has thanked: 153 times
Been thanked: 1115 times
Contact:

Re: BMW i3 CCS/charge port controller

Post by Jack Bauer »

Not yet. I need to work out the can it wants to see in order to be "active" first. Then I'll get it to do AC then DC.
I'm going to need a hacksaw
User avatar
Jack Bauer
Posts: 4000
Joined: Wed Dec 12, 2018 5:24 pm
Location: Ireland
Has thanked: 153 times
Been thanked: 1115 times
Contact:

Re: BMW i3 CCS/charge port controller

Post by Jack Bauer »

Added a second set of logs for AC charging to the repo. So message 0x12f is really interesting. This wakes the lim from sleep over can. Seems to have a counter in the low nibble of byte 1 that goes from 0x0 to 0xe. I suspect byte 0 is a crc so will need to try and figure that out eventually.
I'm going to need a hacksaw
User avatar
vwbrady
Posts: 248
Joined: Mon Dec 16, 2019 1:18 am
Location: Seattle, WA
Has thanked: 5 times
Been thanked: 18 times

Re: BMW i3 CCS/charge port controller

Post by vwbrady »

wow, not wasting any time! DC logs coming your way now.
User avatar
Jack Bauer
Posts: 4000
Joined: Wed Dec 12, 2018 5:24 pm
Location: Ireland
Has thanked: 153 times
Been thanked: 1115 times
Contact:

Re: BMW i3 CCS/charge port controller

Post by Jack Bauer »

DC logs now on the repo thanks to vwbrady:) A quick look shows some new ids :
0x29e
0x2b2
0x2ef
Seems our lim has a few extra ids up its sleeve for these ccs occasions.

Now would be the time by the way for someone to jump in and work out the crc in byte 0 of 0x12f.
I'm going to need a hacksaw
User avatar
Jack Bauer
Posts: 4000
Joined: Wed Dec 12, 2018 5:24 pm
Location: Ireland
Has thanked: 153 times
Been thanked: 1115 times
Contact:

Re: BMW i3 CCS/charge port controller

Post by Jack Bauer »

Internet : DAMIEN! You need to work on CCS!!!
Damien : ok ok I hear you. Working on CCS now...
Internet : ... oooh a funny cat video...



Anyway, both LIMs are now AC charging on the bench. One from 2014 and other from 2017. Seems to be little difference in operation. Uploaded the start of a can dbc on the repo as well as filter defs for min messages required for ac charging. I think I see why there has been such a cone of silence over this thing. If the DC side is as "complex" as the AC we should be running CCS soon:) Updates soon but posted to Patreon first as its due to the help of some folks on there that have made this possible.
I'm going to need a hacksaw
User avatar
Jack Bauer
Posts: 4000
Joined: Wed Dec 12, 2018 5:24 pm
Location: Ireland
Has thanked: 153 times
Been thanked: 1115 times
Contact:

Re: BMW i3 CCS/charge port controller

Post by Jack Bauer »

Update : LIM now running with a simple due sketch for AC mode. Its a little crude as I've not worked out all the control bytes as yet in messages 0x3E9 and 0x431 but it does work and reports back cable limit and pwm current. On the DC front I did a Mike on it and hit it with some 5% pwm and a minimum set of CAN. It locked the port and sat there waiting for some of that juicy grrenphy crap then hit the red flashing led when I failed to respond.

At this point I'd advise folks with any thoughts about ccs on their build to grab yourself a lim. Updates on the repo including my software masterpiece, dbc work in progress and ac and dc filter lists for the logs :
https://github.com/damienmaguire/BMW-i3-CCS
I'm going to need a hacksaw
User avatar
muehlpower
Posts: 807
Joined: Fri Oct 11, 2019 10:51 am
Location: Germany Fürstenfeldbruck
Has thanked: 18 times
Been thanked: 186 times

Re: BMW i3 CCS/charge port controller

Post by muehlpower »

0x112 D2+D3 shows the batterie voltage, x0.1V, D7 shows the "zwischenkreis" voltage x4V, D6 lower nible is for disconnect the batterie and sould be 0x5 for normal use
User avatar
cloudy
Posts: 210
Joined: Wed Oct 02, 2019 12:15 am
Location: UK
Been thanked: 7 times

Re: BMW i3 CCS/charge port controller

Post by cloudy »

Very nice! I presume the LIM is controlling the i3 onboard charger for AC charging? I'm not familiar with the layout in i3, does the onboard charger (KLE?) have DC-DC and DC fastcharge contacotrs?
Post Reply